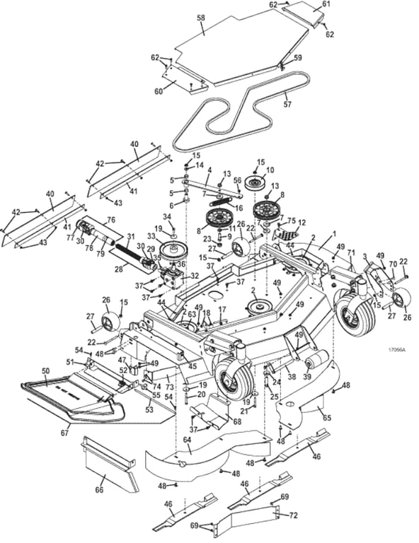
3661 Side Discharge Deck Mower Assembly - 2018
Click On a Part Number Below for Details
NOTE: If the part number you select is not linked to the shopping cart,call toll-free 866-698-4070 for availability.
Item # | Part Number - Description | Price | |
---|---|---|---|
1 | 645254 - 3661Deck Weldment | Call For Details | |
2 | 415892 - Sheave | Add To Cart | |
3 | 645579 - Left Anti-Scalp Roller Mount | Add To Cart | |
4 | 824487 - 9861 Idler Arm | Add To Cart | |
5 | 121756 - Oilite Bearning | Add To Cart | |
6 | 121650 - Pedestal Bearing | Add To Cart | |
7 | 257160 - Washer | Add To Cart | |
8 | 393250 - Idler | Add To Cart | |
9 | 243575 - Hex Bolt | Add To Cart | |
10 | 393376 - Idler | Add To Cart | |
11 | 257062 - Spacer | Add To Cart | |
12 | 724056 - Tread Plate | Call For Details | |
13 | 253067 - Flange Spiral Lock Nut | Add To Cart | |
14 | 257040 - Washer | Add To Cart | |
15 | 253043 - Whiz Nut | Add To Cart | |
16 | 283848 - Extension Spring | Add To Cart | |
17 | 730391 - Idler Adjustment J Bolt | Add To Cart | |
18 | 254450 - Nut | Add To Cart | |
19 | 257041 - Cupped Washer | Add To Cart | |
20 | 243365 - Hex Bolt | Add To Cart | |
21 | 243355 - Hex Bolt | Add To Cart | |
22 | 247310 - Carriage Bolt | Add To Cart | |
23 | 423670 - Idler Arm Stabilizer Cap | Add To Cart | |
24 | 257059 - Washer | Add To Cart | |
25 | 243590 - Hex Bolt | Add To Cart | |
26 | 484230 - Anti-Scalp Center Hub Wheel | Add To Cart | |
27 | 942137 - Tube Bearing | Add To Cart | |
28 | 398527 - Splined UN Half Shaft | Add To Cart | |
29 | 401010 - Yoke | Add To Cart | |
30 | 121010 - Cross & Bearing | Add To Cart | |
31 | 402611 - Yoke & Shaft | Add To Cart | |
32 | 390026 - C0319.875 Counter Clockwise Right Angle Gearbox | Add To Cart | |
- | 125391 - Seal | Add To Cart | |
- | 365541 - 1.5 inch Expansion Plug | Add To Cart | |
33 | 415893 - Sheave | Add To Cart | |
34 | 243331 - Hex Bolt | Add To Cart | |
35 | 281833 - Woodruff Key | Add To Cart | |
36 | 281828 - Woodruff Key | Add To Cart | |
37 | 253192 - Hex Flange Whiz Bolt | Add To Cart | |
38 | 644512 - Roller Lock Pin | Add To Cart | |
39 | 603725 - Center 2 Piece Roller Assembly | Add To Cart | |
40 | 424218 - 3461 Deck Flap | Add To Cart | |
41 | 782598 - right Deflector Strap | Add To Cart | |
42 | 253181 - Bolt | Add To Cart | |
43 | 253025 - Whiz Nut | Add To Cart | |
44 | 254431 - Speed Nut | Add To Cart | |
45 | 254448 - Speed Nut | Add To Cart | |
46 | 320242 - 21 inch Medium Lift Blade | Call For Details | |
- | 320245 - 21 inch High Lift Notch Blade | Call For Details | |
- | 320246 - 21 inch Extreme High Lift Notch Blade | Call For Details | |
- | 320247 - 21 inch High-Low Mulch Blade | Call For Details | |
- | 320318 - 21 inch Laser Edge Notched High Lift Blade | Call For Details | |
- | 320322 - 21 inch Shredder Blade | Call For Details | |
47 | 643632 - Vac Housing Pivot Mount | Add To Cart | |
48 | 247130 - Carriage Bolt | Add To Cart | |
49 | 253035 - Whiz Nut | Add To Cart | |
50 | 422042 - Flex Discharge Shield | Add To Cart | |
51 | 644570 - Discharge Shield Mount | Add To Cart | |
52 | 284406 - Torsion Spring | Add To Cart | |
53 | 780650 - Flex Discharge Shield Pin | Add To Cart | |
54 | 260608 - Cotter Ring | Add To Cart | |
55 | 252821 - 3-Prong Head Deck Stud (Knob) | Add To Cart | |
56 | 422520 - Nylon Bearing | Add To Cart | |
57 | 382090 - Belt for 61 Inch Deck | Add To Cart | |
58 | 604743 - 3461 Center Shield Assembly | Add To Cart | |
59 | 281300 - Rubber Draw Latch | Add To Cart | |
60 | 722676 - 3361 right Belt Shield | Add To Cart | |
61 | 722677 - 3361 200 left Belt Shield | Add To Cart | |
62 | 253175 - Hex Whiz Bolt | Add To Cart | |
63 | 282630 - Spacer | Add To Cart | |
64 | 644611 - M1 61 right Mulch Plate | Add To Cart | |
65 | 644610 - M1 61 left Mulch Plate | Add To Cart | |
66 | 644058 - 3452/61/72 Mulch End Cap | Add To Cart | |
67 | 604317 - Flex Discharge Shield Assembly | Add To Cart | |
68 | 755114 - 3461 Gearbox Shield | Add To Cart | |
69 | 253176 - Truss Whiz Bolt | Add To Cart | |
70 | 247135 - Carriage Bolt | Add To Cart | |
71 | 253193 - Flanged Hex Whiz Bolt | Add To Cart | |
72 | 724589 - Auxilliary Front Shroud | Add To Cart | |
73 | 729687 - Discharge Deflect Shroud | Add To Cart | |
74 | 253177 - Truss Whiz Bolt | Add To Cart | |
75 | 243197 - Hex Bolt | Add To Cart | |
76 | 398918 - Quik-Detach Splined UN Half Sleeve | Add To Cart | |
77 | 401019 - Quick Disconnect Splined Yoke | Add To Cart | |
78 | 401018 - Splined Yoke with Sleeve | Add To Cart | |
79 | 280740 - Grease Fitting (Zerk) | Add To Cart | |
80 | 603283 - 3661 Mower Decal Set | Add To Cart |