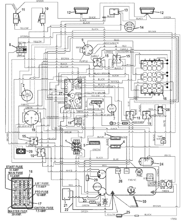
400D 1.3L Electrical Wiring - 2018
Click On a Part Number Below for Details
NOTE: If the part number you select is not linked to the shopping cart,call toll-free 866-698-4070 for availability.
| Item # | Part Number - Description | Price | |
|---|---|---|---|
| 1 | 141165 - Electric Zoned Temperature Gauge | Add To Cart | |
| 2 | 141203 - Voltmeter Gauge | Add To Cart | |
| - | 182007 - Light Bulb | Call For Details | |
| 3 | 182327 - Oil Indicator Light | Add To Cart | |
| 4 | 182328 - Temperature Indicator Light | Add To Cart | |
| 5 | 182325 - Battery Indicator Light | Add To Cart | |
| 6 | 182326 - Brake Indicator Light | Add To Cart | |
| 7 | 183871 - Twist-in Seat Switch | Add To Cart | |
| 8 | 183925 - Push / Pull Switch | Add To Cart | |
| 9 | 183827 - Kubota Sealed Keyed Switch | Add To Cart | |
| - | 101106 - Double Notch Kubota Keyed Ignition | Add To Cart | |
| 10 | 183860 - Lever Switch | Add To Cart | |
| - | 720160 - Right Steering Switch Mount | Add To Cart | |
| 11 | 183860 - Lever Switch | Add To Cart | |
| - | 720161 - left Steering Switch Mount | Add To Cart | |
| 12 | 182261 - LED Flood Worklamp | Add To Cart | |
| 13 | 184179 - Rocker Switch | Add To Cart | |
| 14 | 141625 - USB Charging Receptacle | Call For Details | |
| - | 141626 - USB Receptacle Cap | Call For Details | |
| - | 141627 - USB Receptacle Plug | Call For Details | |
| 15 | 184266 - 12V DC Relay with Diode | Add To Cart | |
| 16 | 181725 - Fuse Block | Add To Cart | |
| - | 162341 - Fuse ID Front Mount Decal | Call For Details | |
| - | 181726 - Fuse Block Cover | Add To Cart | |
| - | 184985 - Cable Seal | Call For Details | |
| - | 184986 - Cavity Plug | Call For Details | |
| - | 270821 - Hex Bolt | Add To Cart | |
| 17 | 181456 - Fuse 30A | Add To Cart | |
| - | 181451 - Fuse 7.5A | Add To Cart | |
| - | 181452 - Fuse 10A | Add To Cart | |
| - | 181453 - Fuse 15A | Add To Cart | |
| 18 | 183894 - Brake Interlock Switch | Add To Cart | |
| 19 | 141122 - Console Mount Fuel Level Guage | Add To Cart | |
| 20 | 184907 - 2 Terminal Connector | Add To Cart | |
| - | 141235 - Fuel Sender | Add To Cart | |
| 21 | 180130 - 12 volt Side Post Wet Battery | Call For Details | |
| - | 180131 - 12 volt Side Post Dry Battery | Call For Details | |
| - | 243309 - Hex Bolt | Add To Cart | |
| 22 | 180340 - 42' Red Battery Cable | Add To Cart | |
| - | 425215 - Red Alternator Boot Terminal | Add To Cart | |
| - | 425219 - Battery Boot Terminal | Add To Cart | |
| - | 425223 - Battery Boot | Add To Cart | |
| 23 | 180295 - Black 20' Battery Cable | Add To Cart | |
| 24 | 184220 - Interlock Module Switch | Add To Cart | |
| 25 | 181735 - Inline Auto Fuse Holder | Add To Cart | |
| - | 181470 - 30 amp Auto ATC Fuse | Add To Cart | |
| 26 | 141224 - Temperature Sender | Add To Cart | |
| 27 | 423690 - PC Board Support Spacer | Add To Cart | |
| 28 | 184084 - Toggle Switch | Add To Cart | |
| 29 | 604880 - Inline Regulator Fuse Holder | Add To Cart | |
| - | 181475 - 40 amp Auto ATC Fuse | Add To Cart | |
| 30 | 604431 - Modified Clutch Pigtail | Add To Cart | |
| 31 | 605932 - 400D Wiring Assembly | Call For Details | |
| 32 | 161119 - Kubota M1 Console Decal | Call For Details | |
| 33 | 162193 - Cutting Height Decal 400D 1.3L | Call For Details |