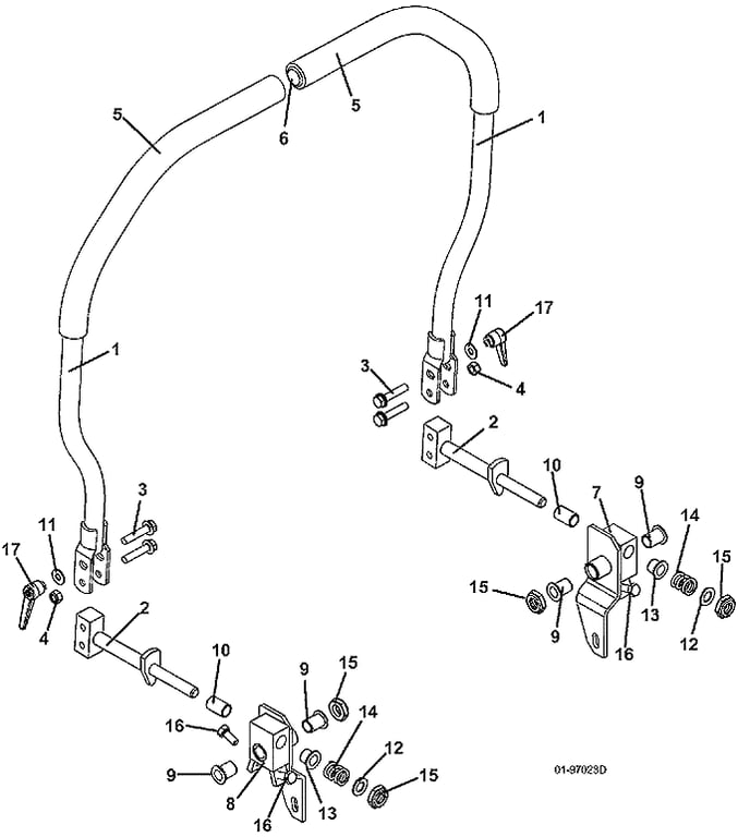
428D Steering Assembly - 2010
Click On a Part Number Below for Details
NOTE: If the part number you select is not linked to the shopping cart,call toll-free 866-698-4070 for availability.
| Item # | Part Number - Description | Price | |
|---|---|---|---|
| 1 | 604778 - Steering Lever Assembly - Wide STD | Add To Cart | |
| 2 | 643926 - Adjustable Steering Lever Mount | Add To Cart | |
| 3 | 253195 - Hex Flange Whiz Bolt | Add To Cart | |
| 4 | 253450 - Nylon Insert Nut | Add To Cart | |
| 5 | 422179 - Handle Grip | Call For Details | |
| 6 | 422095 - Vinyl Cap .75 ID | Call For Details | |
| 7 | 604771 - right Steering Pivot with Stop & Bearings | Add To Cart | |
| 8 | 604772 - left Steering Pivot with Stop & Bearings | Add To Cart | |
| 9 | 422559 - Sleeve Bearing with Flange | Add To Cart | |
| 10 | 422557 - Sleeve Bearing | Add To Cart | |
| 11 | 257019 - Flat Washer | Add To Cart | |
| 12 | 257063 - Washer | Add To Cart | |
| 13 | 422556 - Sleeve Bearing with Flange | Add To Cart | |
| 14 | 283324 - Compression Spring | Add To Cart | |
| 15 | 253470 - Nylon Insert Nut | Add To Cart | |
| 16 | 243197 - Hex Bolt | Add To Cart | |
| 17 | 254438 - Adjustable Lever Nut | Call For Details |