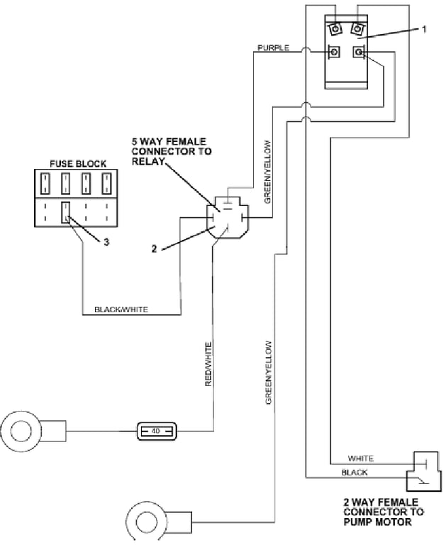
430D Cutting Height Switch - Wiring - 2011
Click On a Part Number Below for Details
NOTE: If the part number you select is not linked to the shopping cart,call toll-free 866-698-4070 for availability.
| Item # | Part Number - Description | Price | |
|---|---|---|---|
| 1 | 184084 - Toggle Switch | Add To Cart | |
| - | 425200 - Toggle Switch Boot | Add To Cart | |
| - | 770005 - Keyed Washer | Add To Cart | |
| 2 | 184271 - 12 volt DC Relay with Mount | Add To Cart | |
| - | 184570 - Type 1 6mm Push-On | Add To Cart | |
| - | 184581 - .250 Faston Terminal | Add To Cart | |
| - | 184926 - 5-Way Female Connector | Add To Cart | |
| 3 | 181460 - 7.5 amp Auto ATC Fuse | Add To Cart | |
| 4 | 605952 - 400 Hydraulic Height Adjustment Wiring Assembly | Call For Details |