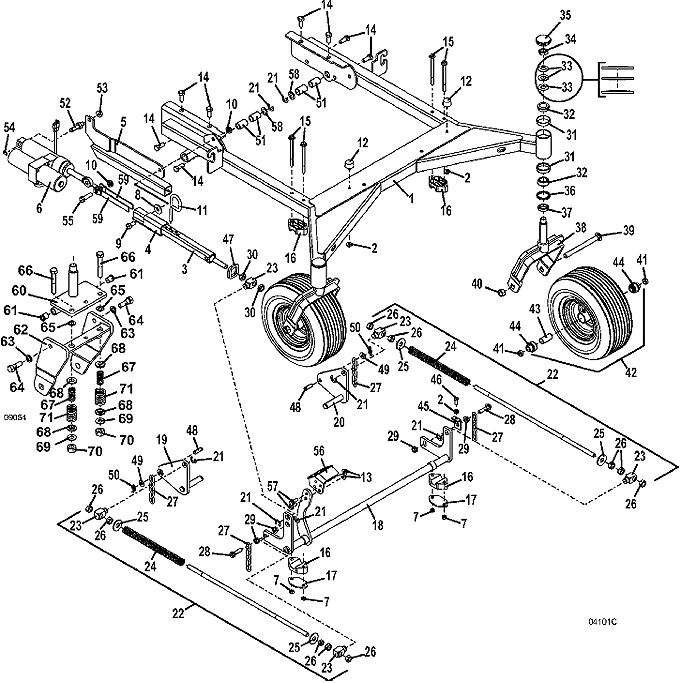
430D Deck Carrier Assembly 72 inch - 2009
Click On a Part Number Below for Details
NOTE: If the part number you select is not linked to the shopping cart,call toll-free 866-698-4070 for availability.
| Item # | Part Number - Description | Price | |
|---|---|---|---|
| 1 | 644135 - M172 Carrier | Call For Details | |
| - | 162187 - M1 Cutting Height Decal | Add To Cart | |
| 2 | 253035 - Whiz Nut | Add To Cart | |
| 3 | 645145 - Adjustable Hydraulic Tube Weld | Call For Details | |
| 4 | 644308 - Latch Tube Kyb Guide | Call For Details | |
| 5 | 644284 - Hydraulic Adjustment Kyb Cylinder Mount | Call For Details | |
| 6 | 604429 - Hydraulic Kyb Pump Assembly | Add To Cart | |
| 7 | 253890 - Lock Nut | Add To Cart | |
| 8 | 821516 - Nylon Washer | Add To Cart | |
| 9 | 243560 - Hex Bolt | Add To Cart | |
| 10 | 253470 - Nylon Insert Nut | Add To Cart | |
| 11 | 730434 - Height Adjustment Deck Pin | Add To Cart | |
| 12 | 424052 - Rubber Bumper | Add To Cart | |
| 13 | 253043 - Whiz Nut | Add To Cart | |
| 14 | 243565 - Hex Bolt | Add To Cart | |
| - | 253067 - Flange Spiral Lock Nut | Add To Cart | |
| 15 | 253215 - Flange Bolt | Add To Cart | |
| 16 | 423643 - M1 Bearing Block | Add To Cart | |
| 17 | 774064 - Lift Bearing Plate | Add To Cart | |
| 18 | 644482 - M1 Deck Adjustment Lift Lever | Call For Details | |
| 19 | 644707 - M1 right Rear Deck Rocker | Add To Cart | |
| 20 | 644708 - M1 left Rear Deck Rocker | Add To Cart | |
| 21 | 263529 - External Retainer | Add To Cart | |
| 22 | 326108 - M172 Rod & Spring Assembly (includes items 23-26) | Call For Details | |
| 23 | 882035 - Spring Rod Shaft Mount | Add To Cart | |
| 24 | 283395 - Compression Spring | Add To Cart | |
| 25 | 257080 - Washer | Add To Cart | |
| 26 | 254490 - Nut | Add To Cart | |
| 27 | 820331 - 5 Links M1 Lift Chain | Add To Cart | |
| 28 | 243458 - GR 8 Hex Bolt | Add To Cart | |
| 29 | 253058 - Whiz Nut | Add To Cart | |
| 30 | 254493 - Nut | Add To Cart | |
| 31 | 123522 - Bearing Cup | Add To Cart | |
| 32 | 122522 - Taper Bearing | Add To Cart | |
| 33 | 257320 - Spring Washer | Add To Cart | |
| 34 | 254505 - Top Lock Jam Nylon Nut | Add To Cart | |
| 35 | 481434 - Domed Dust Cap | Add To Cart | |
| 36 | 125855 - Seal | Add To Cart | |
| 37 | 282615 - Spacer | Add To Cart | |
| 38 | 604365 - Fork & Lock Nut Assembly | Add To Cart | |
| 39 | 247725 - Carriage Bolt | Add To Cart | |
| 40 | 253970 - Lock Nut | Add To Cart | |
| 41 | 902422 - Axle Spacer | Add To Cart | |
| 42 | 603975 - Wheel Assembly with Bearings 13 x 6.5 x 6 | Add To Cart | |
| - | 482355 - Ribbed Tire 13 x 6.50 x 6 | Add To Cart | |
| - | 483306 - Wheel without Tire 6 x 4.5 | Add To Cart | |
| 43 | 902429 - Rear Axle Center Spacer | Add To Cart | |
| 44 | 120048 - DP Wheel Ball Bearing | Add To Cart | |
| 45 | 732586 - Adjusting Strap | Add To Cart | |
| 46 | 243205 - Hex Head Charge Cover Screw | Add To Cart | |
| 47 | 423696 - M1 Height Adjustment Spacer | Add To Cart | |
| 48 | 261405 - Clevis Pin | Add To Cart | |
| 49 | 257051 - Washer | Add To Cart | |
| 50 | 260612 - Cotter Ring | Add To Cart | |
| 51 | 121766 - Oilite Bearing | Add To Cart | |
| 52 | 887115 - Kyb Cylinder Mount Pin | Add To Cart | |
| 53 | 253065 - Flange Nut | Add To Cart | |
| 54 | 263500 - External Retainer | Add To Cart | |
| 55 | 243575 - Hex Bolt | Add To Cart | |
| 56 | 644467 - Adjustable Foot Pedal for M1 Deck Carrier | Call For Details | |
| 57 | 253203 - Flange Whiz Bolt | Add To Cart | |
| 58 | 257092 - 18 GA Bushing Washer | Add To Cart | |
| 59 | 645144 - Slide Stop | Call For Details | |
| 60 | 643677 - Suspension Fork Yoke Pivot | Add To Cart | |
| 61 | 121734 - Oilite Bearing | Add To Cart | |
| 62 | 643313 - Suspension Fork Yoke | Add To Cart | |
| 63 | 257442 - Lock Washer | Add To Cart | |
| 64 | 887114 - Suspension Fork Pivot Bolt | Add To Cart | |
| 65 | 257063 - Washer | Add To Cart | |
| 66 | 243600 - Hex Bolt | Add To Cart | |
| 67 | 283325 - Compression Spring | Add To Cart | |
| 68 | 257067 - Washer | Add To Cart | |
| 69 | 257062 - Washer | Add To Cart | |
| 70 | 253930 - Lock Nut | Add To Cart | |
| 71 | 283388 - 1.203 x .162 x 1.750 Compression Spring | Add To Cart |