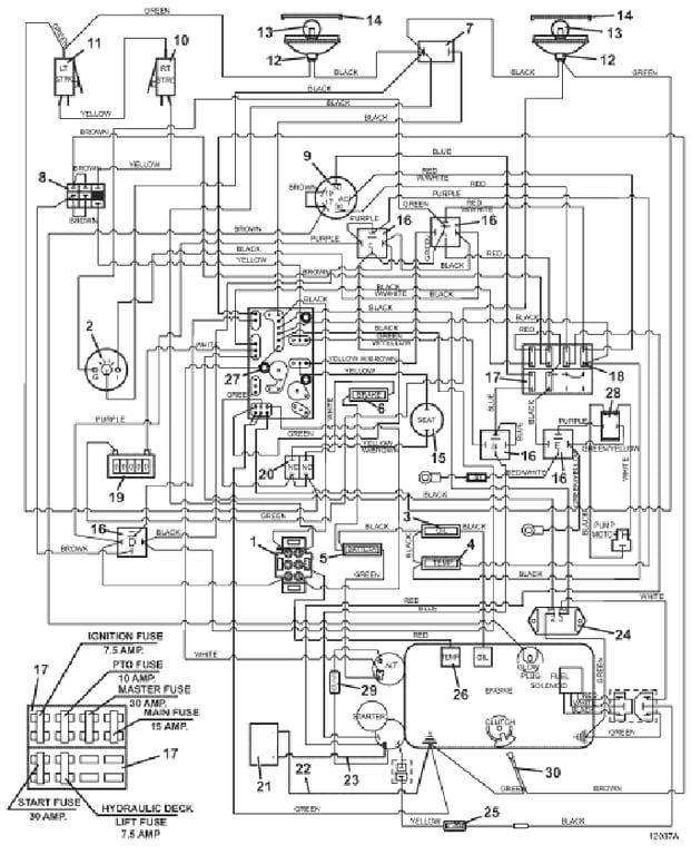
430D Electrical Wiring Serial #6413561 & Below - 2014
Click On a Part Number Below for Details
NOTE: If the part number you select is not linked to the shopping cart,call toll-free 866-698-4070 for availability.
| Item # | Part Number - Description | Price | |
|---|---|---|---|
| 1 | 141165 - Electric Zoned Temperature Gauge | Add To Cart | |
| 2 | 141203 - Voltmeter Gauge | Add To Cart | |
| - | 182007 - Light Bulb-OBSOLETE | Call For Details | |
| 3 | 182327 - Oil Indicator Light | Add To Cart | |
| 4 | 182328 - Temperature Indicator Light | Add To Cart | |
| 5 | 182325 - Battery Indicator Light | Add To Cart | |
| 6 | 182326 - Brake Indicator Light | Add To Cart | |
| 7 | 184179 - Light Switch | Add To Cart | |
| 8 | 183925 - Push / Pull Switch | Add To Cart | |
| 9 | 183827 - Kubota Sealed Keyed Switch | Add To Cart | |
| - | 101106 - Double Notch Kubota Keyed Ignition | Add To Cart | |
| 10 | 183860 - Lever Switch | Add To Cart | |
| - | 720160 - right Steering Switch Mount | Add To Cart | |
| 11 | 183860 - Lever Switch | Add To Cart | |
| - | 720161 - left Steering Switch Mount | Add To Cart | |
| 12 | 182253 - Flood Worklamp | Add To Cart | |
| 13 | 182005 - Light Bulb for Worklamp | Add To Cart | |
| 14 | 182251 - Snap-Mount Bezel for Worklamp | Add To Cart | |
| 15 | 183871 - Twist-In Seat Switch | Add To Cart | |
| 16 | 184266 - 12 volt DC Relay w/Diode | Add To Cart | |
| 17 | 181722 - Fuse Block | Add To Cart | |
| - | 184458 - 1 Wire Clip | Add To Cart | |
| - | 184460 - 2 Wire Clip | Add To Cart | |
| - | 184472 - Double Wire Clip | Add To Cart | |
| 18 | 181470 - Fuse 30 Amp Auto | Add To Cart | |
| - | 181460 - Fuse 7.5 Amp Auto | Add To Cart | |
| - | 181462 - Fuse 10 Amp Auto | Add To Cart | |
| - | 181465 - Fuse 15 Amp Auto | Add To Cart | |
| 19 | 141551 - Snap-in Hour Meter | Add To Cart | |
| 20 | 183894 - Brake Interlock Switch | Add To Cart | |
| 21 | 180130 - 12 Volt Side Post Battery | Call For Details | |
| - | 180131 - 12 Volt Side Post Dry Battery | Call For Details | |
| - | 243309 - Hex Bolt | Add To Cart | |
| 22 | 180340 - 42& Red Battery Cable | Add To Cart | |
| - | 425215 - Red Alternator Boot Terminal | Add To Cart | |
| - | 425219 - Battery Boot Terminal | Add To Cart | |
| - | 425223 - Battery Boot | Add To Cart | |
| 23 | 180295 - Black 20& Battery Cable | Add To Cart | |
| 24 | 184220 - Interlock Module Switch | Add To Cart | |
| 25 | 181735 - Inline Auto Fuse Holder | Add To Cart | |
| - | 181470 - 30 amp Auto ATC Fuse | Add To Cart | |
| 26 | 141224 - Temperature Sender | Add To Cart | |
| 27 | 423690 - PC Board Support Spacer | Add To Cart | |
| 28 | 184084 - Toggle Switch | Add To Cart | |
| 29 | 604880 - Inline Regulator Fuse Holder | Add To Cart | |
| - | 181475 - 40 amp Auto ATC Fuse | Add To Cart | |
| 30 | 604431 - Modified Pigtail Clutch | Add To Cart | |
| 31 | 605893 - 430D Wiring Assembly | Add To Cart |