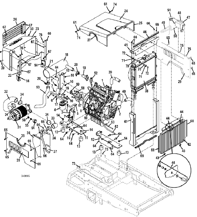
430D Engine Assembly - 2012
Click On a Part Number Below for Details
NOTE: If the part number you select is not linked to the shopping cart,call toll-free 866-698-4070 for availability.
| Item # | Part Number - Description | Price | |
|---|---|---|---|
| 1 | 100182 - Kubota Diesel Engine | Call For Details | |
| 2 | 100805 - Kubota Oil Filter | Add To Cart | |
| 3 | 644220 - 900 Fuel Filter Mount | Add To Cart | |
| 4 | 101004 - Kubota Fuel Filter | Add To Cart | |
| 5 | 821716 - Fuel Line Hose | Add To Cart | |
| 6 | 280261 - Spring Hose Clamp | Add To Cart | |
| 7 | 253192 - Hex Flange Whiz Bolt | Add To Cart | |
| 8 | 723063 - 928 Linkage Extension | Add To Cart | |
| 9 | 243185 - Hex Bolt | Call For Details | |
| 10 | 253035 - Whiz Nut | Add To Cart | |
| 11 | 643028 - 400/900 right Engine Mount | Add To Cart | |
| 12 | 643029 - 400/900 left Engine Mount | Add To Cart | |
| 13 | 424078 - Vibration Isolator | Add To Cart | |
| 14 | 253043 - Whiz Nut | Add To Cart | |
| 15 | 729348 - Muffler Mount | Add To Cart | |
| 16 | 724573 - Throttle Cable Mount | Call For Details | |
| 17 | 180635 - Conduit Clip | Call For Details | |
| 18 | 101234 - Kubota Straight Muffler | Add To Cart | |
| 19 | 644237 - Exhaust Flange | Add To Cart | |
| 20 | 101356 - Exhaust Clamp | Add To Cart | |
| 21 | 321250 - U-Bolt | Add To Cart | |
| 22 | 644848 - 428D Hood Support | Call For Details | |
| 23 | 722894 - Rear Hood Muffler Cover | Add To Cart | |
| 24 | 644491 - 430D/930D Engine Hood w/a | Add To Cart | |
| 25 | 822639 - Front Hood Trim | Add To Cart | |
| 26 | 645271 - 400/900 Rear Hood Grille | Add To Cart | |
| 27 | 822515 - 11.0 Air Cleaner Seal Trim | Add To Cart | |
| 28 | 722892 - 400/900 right Side Panel | Add To Cart | |
| 29 | 762522 - 430/930 Left Hood Side | Add To Cart | |
| - | 644439 - 400/900 Hood Side | Add To Cart | |
| 30 | 253180 - Bolt | Add To Cart | |
| 31 | 100207 - Nelson 90 degree Air Cleaner | Call For Details | |
| - | 100197 - Air Cleaner Cover Clip | Add To Cart | |
| - | 100199 - Air Cleaner Cover | Add To Cart | |
| - | 100202 - Dust Ejector | Call For Details | |
| - | 100936 - Outer HD Air Filter | Add To Cart | |
| - | 100937 - Inner HD Air Filter | Call For Details | |
| 32 | 424521 - Air Intake Hose | Call For Details | |
| 33 | 424523 - Breather Inlet Hose | Call For Details | |
| 34 | 280305 - Screw Type Hose Clamp | Add To Cart | |
| 35 | 822510 - Air Cleaner Seal Trim | Add To Cart | |
| 36 | 644069 - Air Intake Box Mount | Call For Details | |
| 37 | 644062 - Air Intake Box | Call For Details | |
| 38 | 101616 - Kubota Radiator | Call For Details | |
| 39 | 101060 - Aluminum Radiator Upper Hose | Add To Cart | |
| 40 | 101061 - Aluminum Radiator Lower Hose | Add To Cart | |
| 41 | 644656 - Lower Radiator Mount | Add To Cart | |
| 42 | 644670 - 400/900D Grille with Guard | Add To Cart | |
| 43 | 422090 - Rear Belt Isolator Shield | Add To Cart | |
| 44 | 604805 - Swell Latch Assembly | Add To Cart | |
| 45 | 644652 - Upper Radiator Mount | Call For Details | |
| 46 | 822512 - 19.5 Upper Radiator Trim Seal | Add To Cart | |
| 47 | 421980 - Water Expansion Tank | Add To Cart | |
| - | 422012 - Expansion Tank | Add To Cart | |
| - | 423154 - Tie | Add To Cart | |
| 48 | 421990 - Cap Reservoir w/Gasket | Add To Cart | |
| 49 | 821749 - Hose | Add To Cart | |
| 50 | 280260 - Spring Hose Clamp | Add To Cart | |
| 51 | 821748 - Clear Vent Hose | Add To Cart | |
| 52 | KU1421 - Exhaust Flange Gasket | Call For Details | |
| 53 | 101385 - 400 Series Exhaust Pipe | Add To Cart | |
| 54 | 141012 - Filter Minder Gauge with Mount | Add To Cart | |
| 55 | 363815 - Filter O-Ring Fitting | Call For Details | |
| 56 | 363828 - Street Ell Fitting | Call For Details | |
| 57 | 824641 - Shaft Clutch Stub | Add To Cart | |
| 58 | 270085 - M10 Socket Head Screw | Add To Cart | |
| 59 | 902584 - Spacer | Add To Cart | |
| 60 | 901324 - Hood Hinge Spacer | Add To Cart | |
| 61 | 422508 - Step Bushing | Add To Cart | |
| 62 | 821718 - 428D Fuel Line Hose | Add To Cart | |
| 63 | 821744 - 430D Fuel Return Hose | Add To Cart | |
| 64 | 271121 - Hex Bolt | Add To Cart | |
| 65 | 253175 - Hex Whiz Bolt | Add To Cart | |
| 66 | 253173 - Hex Whiz Bolt | Add To Cart | |
| 67 | 253025 - Whiz Nut | Add To Cart | |
| 68 | 822636 - Radiator Grille Trim | Add To Cart | |
| 69 | 822506 - 400/900 Lower Radiator Seal | Add To Cart | |
| 70 | 257020 - Washer | Add To Cart | |
| 71 | 424033 - Rubber Bumper | Add To Cart | |
| 72 | 270065 - M6 Socket Head Screw | Call For Details | |
| 73 | 253203 - Whiz Flange Bolt | Add To Cart | |
| 74 | 253181 - Bolt | Add To Cart | |
| 75 | 253176 - Truss Whiz Bolt | Add To Cart | |
| 76 | 253440 - Nylon Insert Nut | Add To Cart |