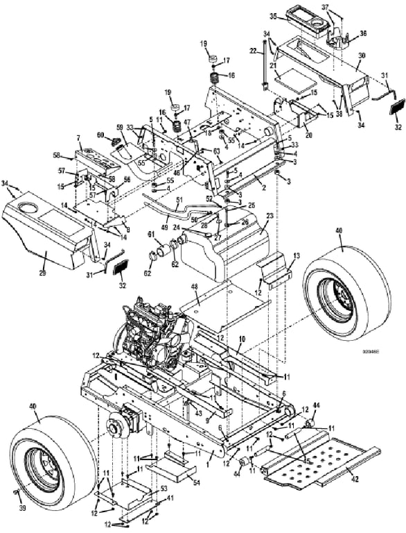
430D Tractor Assembly - 2011
Click On a Part Number Below for Details
NOTE: If the part number you select is not linked to the shopping cart,call toll-free 866-698-4070 for availability.
| Item # | Part Number - Description | Price | |
|---|---|---|---|
| 1 | 644283 - 400M1 Front Port Frame | Call For Details | |
| 2 | 644434 - 300/400 Upper Frame | Call For Details | |
| 3 | 257037 - Step Bushing | Add To Cart | |
| 4 | 774020 - Washer | Add To Cart | |
| 5 | 243220 - Hex Bolt | Add To Cart | |
| 6 | 253450 - Nylon Insert Nut | Add To Cart | |
| 7 | 693109 - Console with Decal for Liquid Cooled Diesel models | Call For Details | |
| 8 | 645140 - M1 Console Mount | Call For Details | |
| 9 | 645802 - 300/400 right Tank Rail | Call For Details | |
| 10 | 645803 - 300/400 left Tank Rail | Call For Details | |
| 11 | 253192 - Hex Flange Whiz Bolt | Add To Cart | |
| 12 | 253035 - Whiz Nut | Add To Cart | |
| 13 | 723042 - 300/400 Front Tank Bracket | Call For Details | |
| 14 | 253025 - Whiz Nut | Add To Cart | |
| 15 | 253176 - Truss Whiz Bolt | Add To Cart | |
| 16 | 283516 - Compression Spring | Add To Cart | |
| 17 | 253203 - Whiz Flange Bolt | Add To Cart | |
| 18 | 253043 - Whiz Nut | Add To Cart | |
| 19 | 422127 - Seat Spring Cap | Add To Cart | |
| 20 | 644108 - Battery Box with Strap | Add To Cart | |
| 21 | 427275 - Battery Tray Pad | Add To Cart | |
| 22 | 604785 - Battery Hold-down Strap | Add To Cart | |
| 23 | 605800 - M1 Diesel Tank Assembly | Add To Cart | |
| 24 | 141142 - In-Tank Fuel Gauge | Add To Cart | |
| - | 424275 - Grommet | Add To Cart | |
| 25 | 363929 - Fuel Tube | Add To Cart | |
| 26 | 101875 - Fuel Tube Bushing | Add To Cart | |
| 27 | 101876 - Diesel Draw Tube Bushing | Add To Cart | |
| 28 | 363923 - Fuel Tube | Add To Cart | |
| 29 | 693222 - 300/400 right Fender with Decal | Call For Details | |
| 30 | 693223 - 300/400 left Fender with Decal | Add To Cart | |
| 31 | 822632 - Trim | Add To Cart | |
| 32 | 422079 - Worklamp Hole Plug | Add To Cart | |
| 33 | 254431 - Speed Nut | Add To Cart | |
| 34 | 253175 - Hex Whiz Bolt | Add To Cart | |
| 35 | 422040 - Tool Box | Add To Cart | |
| 36 | 150225 - Cup Holder | Add To Cart | |
| 37 | 259030 - Cap Screw | Add To Cart | |
| 38 | 254436 - Nut | Add To Cart | |
| 39 | 248565 - Lug Bolt | Add To Cart | |
| 40 | 483965 - Wheel & Tire 24 x 12 x 12 | Add To Cart | |
| - | 482486 - Turf Tire 24 x 12 x 12 | Add To Cart | |
| - | 482487 - Bar Tread Tire Only 24 x 12 x 12 AT101 | Add To Cart | |
| - | 483440 - Wheel Only 12 x 8.5 x 4.25 (for 61 Inch & 72' Decks) | Add To Cart | |
| - | 483968 - 12' Wheel & Bar Tread Tire (right) | Call For Details | |
| - | 483969 - 12' Wheel & Bar Tread Tire (left) | Call For Details | |
| 41 | 783277 - Belt Guard Strap | Add To Cart | |
| 42 | 644256 - M1 On-Frame Foot Rest | Call For Details | |
| 43 | 645005 - M1 Deck Belt Guide | Add To Cart | |
| 44 | 424095 - Seat Isolator | Add To Cart | |
| 45 | 644618 - Seat Hinge Pin | Add To Cart | |
| 46 | 603859 - Throttle Assembly | Add To Cart | |
| - | 323675 - Throttle Control Cable Assembly | Add To Cart | |
| - | 722009 - Throttle Lever Stop | Add To Cart | |
| - | 722736 - Heavy Duty Throttle Stop | Add To Cart | |
| 47 | 422150 - Handle Grip | Add To Cart | |
| 48 | 722949 - M1 Fuel Tank Shield | Call For Details | |
| 49 | 821718 - Fuel Line Hose | Add To Cart | |
| 50 | 280261 - Spring Hose Clamp | Add To Cart | |
| 51 | 821744 - 430D Fuel Line Return Hose | Add To Cart | |
| 52 | 280257 - Spring Hose Clamp | Add To Cart | |
| 53 | 723088 - right Mule Belt Shield | Add To Cart | |
| 54 | 723089 - left Mule Belt Shield | Call For Details | |
| 55 | 257038 - Step Bushing | Add To Cart | |
| 56 | 722933 - 300/400 Console Mount Frame | Call For Details | |
| 57 | 254432 - Plastic Retainer Nut | Add To Cart | |
| 58 | 253180 - Bolt | Add To Cart | |
| 59 | 644887 - 300/400 Fuel Filler | Add To Cart | |
| 60 | 100211 - Screw-On Diesel Fuel Cap | Add To Cart | |
| 61 | 422027 - Fuel Tank Filler Hose | Add To Cart | |
| 62 | 280305 - Screw Type Hose Clamp | Add To Cart | |
| 63 | 253173 - Hex Whiz Bolt | Add To Cart | |
| 65 | 605530 - 430D Decal Set | Call For Details |