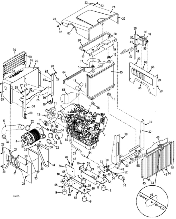
432 Engine Assembly - 2015
Click On a Part Number Below for Details
NOTE: If the part number you select is not linked to the shopping cart,call toll-free 866-698-4070 for availability.
| Item # | Part Number - Description | Price | |
|---|---|---|---|
| 1 | 100172 - Kubota Gas Engine | Call For Details | |
| 2 | 100800 - Kubota Oil Filter | Add To Cart | |
| 3 | 101236 - WG972 2011 Muffler | Add To Cart | |
| - | 101040 - Kubota Flange Exhaust Gasket | Add To Cart | |
| 4 | 100207 - 90 Degree Nelson Air Cleaner | Call For Details | |
| - | 100197 - Air Cleaner Clip Cover | Add To Cart | |
| - | 100199 - Air Cleaner Cover | Add To Cart | |
| - | 100202 - Dust Ejector | Call For Details | |
| - | 100936 - HD Outer Air Filter | Add To Cart | |
| - | 100937 - HD Inner Air Filter | Call For Details | |
| 5 | 424535 - Breather/Carb Hose | Add To Cart | |
| 6 | 424520 - Breather Inlet Hose | Add To Cart | |
| 7 | 644286 - 902D Right Engine Mount | Call For Details | |
| 8 | 644287 - 902D Left Engine Mount | Add To Cart | |
| 9 | 424078 - Vibration Isolator | Add To Cart | |
| 10 | 253043 - Whiz Nut | Add To Cart | |
| 11 | 824637 - Clutch Stub Shaft | Add To Cart | |
| 12 | 270075 - M8 Socket Head Screw | Add To Cart | |
| 13 | 101510 - Electric Fuel Pump | Call For Details | |
| 14 | 101005 - Kubota Prefilter Fuel Filter | Call For Details | |
| 15 | 101612 - Kubota Radiator | Call For Details | |
| 16 | 101080 - Radiator Mount - Isolator Bushing | Call For Details | |
| 17 | 101058 - Upper Radiator Hose | Call For Details | |
| 18 | 101059 - Lower Radiator Hose | Call For Details | |
| 19 | 729327 - Radiator Channel Clamp | Add To Cart | |
| 20 | 822518 - Hood Bulb Seal | Add To Cart | |
| 21 | 644438 - 725D/932 Engine Hood - W/A | Add To Cart | |
| 22 | 822639 - Front Hood Trim | Add To Cart | |
| 23 | 422508 - Step Bushing | Add To Cart | |
| 24 | 822513 - Trim Seal Air Cleaner | Add To Cart | |
| 25 | 644854 - Hood Support | Call For Details | |
| 26 | 722942 - Hood w/Converter Box Panel | Add To Cart | |
| 27 | 901324 - Hood Hinge Spacer | Add To Cart | |
| 28 | 257063 - Washer | Add To Cart | |
| 29 | 253175 - Hex Whiz Bolt | Add To Cart | |
| 30 | 253173 - Hex Whiz Bolt | Add To Cart | |
| 31 | 722920 - 725DT6 Right Hood Side | Add To Cart | |
| 32 | 280305 - Screw Type Hose Clamp | Add To Cart | |
| 33 | 644066 - Air Intake Box Mount | Call For Details | |
| 34 | 644059 - Air Intake Box | Add To Cart | |
| 35 | 762521 - 725DT6 Left Hood Side | Add To Cart | |
| 36 | 645270 - Rear Hood Grill | Add To Cart | |
| 37 | 421980 - Water Expansion Tank | Add To Cart | |
| 38 | 421990 - Reservoir Cap w/Gasket | Add To Cart | |
| 39 | 821748 - Clear Vent Hose | Add To Cart | |
| 40 | 821749 - Hose | Add To Cart | |
| 41 | 280260 - Spring Hose Clamp | Add To Cart | |
| 42 | 644658 - 902 Lower Radiator Mount | Add To Cart | |
| 43 | 604382 - Grille w/Guard Assembly | Add To Cart | |
| 44 | 422090 - Rear Belt Shield Isolator | Add To Cart | |
| 45 | 822636 - Radiator Grille Trim | Add To Cart | |
| 46 | 604805 - Swell Latch Assembly | Add To Cart | |
| 47 | 280303 - Screw Type Hose Clamp | Add To Cart | |
| 48 | 253192 - Flange Whiz Hex Bolt | Add To Cart | |
| 49 | 253035 - Whiz Nut | Add To Cart | |
| 50 | 253025 - Whiz Nut | Add To Cart | |
| 51 | 729782 - Muffler Shield | Call For Details | |
| 52 | 821726 - Fuel Hose | Call For Details | |
| 53 | 821716 - Fuel Line Hose | Add To Cart | |
| 54 | 280261 - Spring Hose Clamp | Add To Cart | |
| 55 | 271121 - Hex Bolt | Add To Cart | |
| 56 | 754224 - Coil Mount | Call For Details | |
| 57 | 141012 - Filter Minder Gauge w/o Mount | Add To Cart | |
| 58 | 363815 - O-Ring Filter Fitting | Call For Details | |
| 59 | 363828 - Ell Street Fitting | Call For Details | |
| 60 | 942418 - Exhaust Pipe | Call For Details | |
| 61 | 101356 - Exhaust Clamp | Add To Cart | |
| 62 | 253181 - Bolt | Add To Cart | |
| 63 | 822632 - Trim | Add To Cart | |
| 64 | 721006 - Fan Shield | Add To Cart | |
| 65 | 253180 - Bolt | Add To Cart | |
| 66 | 253176 - Truss Whiz Bolt | Add To Cart | |
| 67 | 253440 - Nylon Insert Nut | Add To Cart | |
| 68 | 822507 - Lower Radiator Seal | Add To Cart |