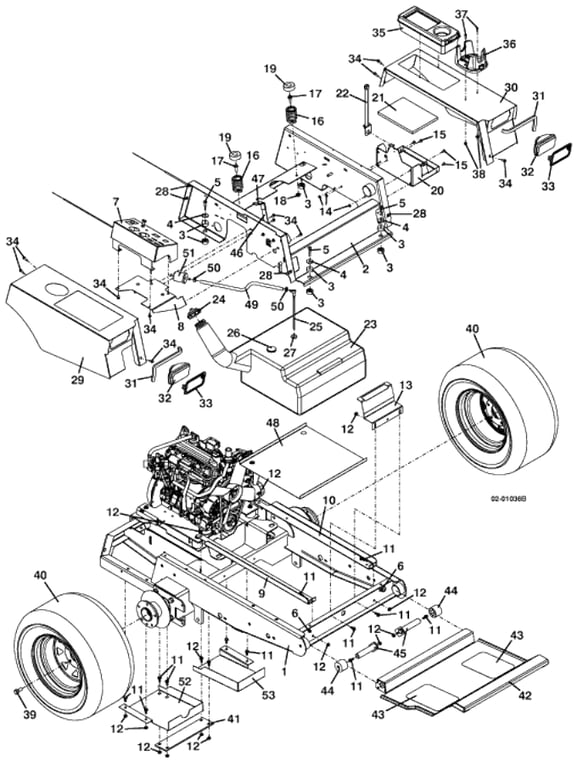
432 Tractor Assembly - 2002
Click On a Part Number Below for Details
NOTE: If the part number you select is not linked to the shopping cart,call toll-free 866-698-4070 for availability.
| Item # | Part Number - Description | Price | |
|---|---|---|---|
| 1 | 606349 - Lower Frame - 400 | Call For Details | |
| 2 | 644248 - Upper Frame - M1 Kubota | Call For Details | |
| 3 | 257037 - Step Bushing | Add To Cart | |
| 4 | 774020 - Washer | Add To Cart | |
| 5 | 243220 - Hex Bolt | Add To Cart | |
| 6 | 253450 - Nylon Insert Nut | Add To Cart | |
| 7 | 644139 - 300S M1 Console | Call For Details | |
| 8 | 644141 - Console Mount - 300 Console | Call For Details | |
| 9 | 754092 - 400 Tank Rail - right | Call For Details | |
| 10 | 754093 - 400 Tank Rail - left | Call For Details | |
| 11 | 253192 - Hex Flange Whiz Bolt | Add To Cart | |
| 12 | 253035 - Whiz Nut | Add To Cart | |
| 13 | 723091 - Tank Bracket | Call For Details | |
| 14 | 253025 - Whiz Nut | Add To Cart | |
| 15 | 253176 - Truss Whiz Bolt | Add To Cart | |
| 16 | 283516 - Compression Spring | Add To Cart | |
| 17 | 253203 - Whiz Flange Bolt | Add To Cart | |
| 18 | 253043 - Whiz Nut | Add To Cart | |
| 19 | 422127 - Seat Spring Cap | Add To Cart | |
| 20 | 644108 - Battery Box with Strap | Add To Cart | |
| 21 | 427275 - Battery Tray Pad | Add To Cart | |
| 22 | 603110 - Battery Hold-down Strap | Add To Cart | |
| 23 | 604802 - Kubota Gas Tank Assembly | Add To Cart | |
| 24 | 100210 - Fuel Cap | Add To Cart | |
| 25 | 101815 - Fuel Tube | Add To Cart | |
| 26 | 141140 - In-Tank Fuel Gauge | Add To Cart | |
| - | 424275 - Grommet | Add To Cart | |
| 27 | 101875 - Grommet | Add To Cart | |
| 28 | 254431 - Speed Nut | Add To Cart | |
| 29 | 644270 - M1 400S Right Fender | Call For Details | |
| - | 163272 - 432 Right Trim Decal | Call For Details | |
| 30 | 644271 - M1 400S Left Fender | Add To Cart | |
| - | 163273 - 432 Left Trim Decal | Call For Details | |
| 31 | 822635 - 700/900 Fender Edge Trim | Add To Cart | |
| 32 | 182253 - Flood Worklamp | Add To Cart | |
| 33 | 182251 - Snap-Mount Worklamp Bezel | Add To Cart | |
| 34 | 253173 - Hex Whiz Bolt | Add To Cart | |
| 35 | 422040 - Tool Box | Add To Cart | |
| 36 | 150225 - Cup Holder | Add To Cart | |
| 37 | 259030 - Cap Screw | Add To Cart | |
| 38 | 254436 - Nut | Add To Cart | |
| 39 | 248565 - Lug Bolt | Add To Cart | |
| 40 | 483965 - Wheel & Tire 24 x 12 x 12 | Add To Cart | |
| - | 482486 - Turf Tire 24 x 12 x 12 | Add To Cart | |
| - | 482487 - Bar Tread Tire Only 24 x 12 x 12 AT101 | Add To Cart | |
| - | 483440 - Wheel Only 12 x 8.5 x 4.25 (for 61 Inch & 72' Decks) | Add To Cart | |
| - | 483968 - 12' Wheel & Bar Tread Tire (right) | Call For Details | |
| - | 483969 - 12' Wheel & Bar Tread Tire (left) | Call For Details | |
| 41 | 783277 - Belt Guard Strap | Add To Cart | |
| 42 | 644269 - LC M1 52/61 Foot Rest | Call For Details | |
| - | 644256 - M1 On-Frame Foot Rest | Call For Details | |
| 43 | 420902 - Foot Rest Tread | Add To Cart | |
| 44 | 424095 - Seat Isolator | Add To Cart | |
| 45 | 644618 - Seat Hinge Pin | Add To Cart | |
| 46 | 604829 - 432 Throttle Assembly | Call For Details | |
| - | 323646 - Throttle Control Cable | Add To Cart | |
| - | 722009 - Throttle Lever Stop | Add To Cart | |
| 47 | 422150 - Handle Grip | Add To Cart | |
| 48 | 722495 - M1 Tank Shield | Call For Details | |
| 49 | 821718 - Fuel Line Hose | Add To Cart | |
| 50 | 280270 - Hose Clamp | Add To Cart | |
| 51 | 101005 - Kubota Fuel Filter | Call For Details | |
| 52 | 723088 - Right Mule Belt Shield | Add To Cart | |
| 53 | 723089 - Left Mule Belt Shield | Call For Details | |
| 54 | 142224 - Mechanical Choke Housing | Add To Cart | |
| 55 | 604308 - Decal Set - 432 | Call For Details |