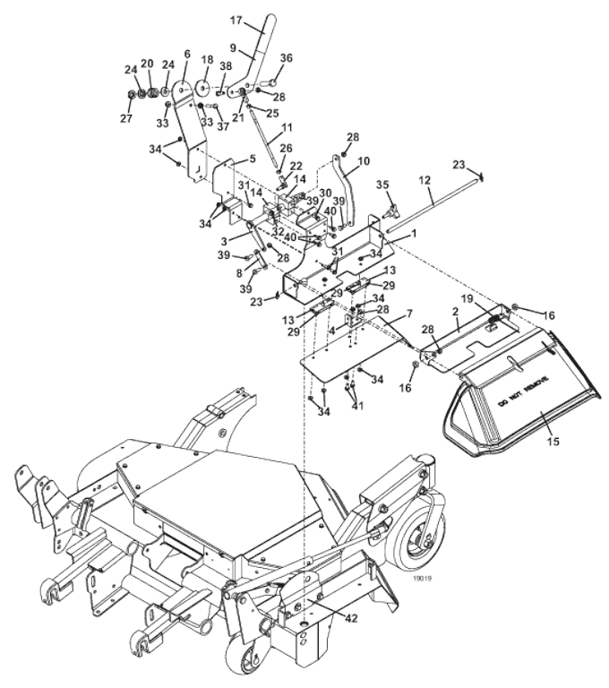
504209 Discharge Control Kit for 500V/42PF - Parts Breakdown
Click On a Part Number Below for Details
NOTE: If the part number you select is not linked to the shopping cart,call toll-free 866-698-4070 for availability.
Item # | Part Number - Description | Price | |
---|---|---|---|
1 | 645119 - 500/42 Base Bracket | Call For Details | |
2 | 645112 - Bracket | Call For Details | |
3 | 645652 - Pivot | Call For Details | |
4 | 725117 - Tab | Add To Cart | |
5 | 729943 - Bracket | Call For Details | |
6 | 729944 - Lever Pivot | Call For Details | |
7 | 766106 - 500/42 Discharge Cover Plate | Add To Cart | |
8 | 774317 - Strap | Call For Details | |
9 | 774359 - Discarge Control Lever | Call For Details | |
10 | 775247 - Arm | Add To Cart | |
11 | 780154 - Steering Rod | Add To Cart | |
12 | 780651 - Pin | Call For Details | |
13 | 820111 - Discharge Shield Hinge | Add To Cart | |
14 | 822305 - Pivot Bearing | Add To Cart | |
15 | 833543 - Shield | Add To Cart | |
16 | 881095 - Traction Kit Spacer | Add To Cart | |
17 | 422155 - Handle Grip | Add To Cart | |
18 | 421200 - Fiber Washer | Add To Cart | |
19 | 284406 - Torsion Spring | Add To Cart | |
20 | 283381 - Compression Spring | Add To Cart | |
21 | 265651 - Left Female Rod End | Add To Cart | |
22 | 265615 - Ball Joint Right Handed Thread | Add To Cart | |
23 | 260608 - Cotter Ring | Add To Cart | |
24 | 257067 - Washer | Add To Cart | |
25 | 254444 - Nut | Add To Cart | |
26 | 254441 - Nut | Add To Cart | |
27 | 253470 - Nylon Insert Nut | Add To Cart | |
28 | 253450 - Nylon Insert Nut | Add To Cart | |
29 | 253176 - Truss Whiz Bolt | Add To Cart | |
30 | 253175 - Hex Whiz Bolt | Add To Cart | |
31 | 253173 - Hex Whiz Bolt | Add To Cart | |
32 | 253038 - Whiz Nut | Add To Cart | |
33 | 253035 - Whiz Nut | Add To Cart | |
34 | 253025 - Whiz Nut | Add To Cart | |
35 | 252821 - 3 Prong HD Deck Stud | Add To Cart | |
36 | 243580 - Hex Bolt | Add To Cart | |
37 | 243215 - Hex Bolt | Add To Cart | |
38 | 243205 - Hex Bolt | Add To Cart | |
39 | 243195 - Hex Bolt | Add To Cart | |
40 | 243016 - Hex Bolt | Add To Cart | |
41 | 253172 - Whiz Bolt | Add To Cart | |
42 | 773142 - Cutting Height Plate Decal | Call For Details | |
- | 162188 - 33/34 Series Cutting Height Decal | Add To Cart |