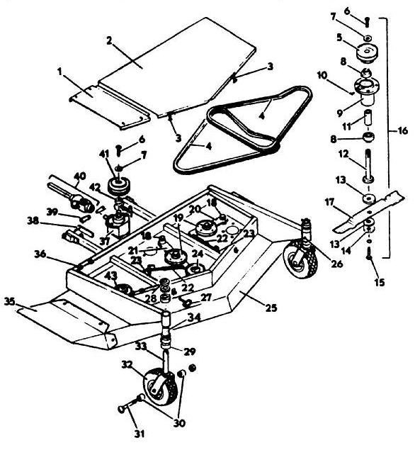
6052 Model Deck Mower Assembly - 1985 & 1986
Click On a Part Number Below for Details
NOTE: If the part number you select is not linked to the shopping cart, call toll-free 866-698-4070 for availability.
Item # | Part Number - Description | Price | |
---|---|---|---|
1 | 722285 - SHIELD - BELT RT 52 | Add To Cart | |
2 | 603772 - SHIELD ASSY - 52 DECK | Call For Details | |
3 | 281301 - LATCH RUBBER DRAW | Add To Cart | |
4 | 382037 - BELT | Add To Cart | |
5 | 415861 - SHEAVE | Add To Cart | |
6 | 243331 - HEX BOLT | Add To Cart | |
7 | 257041 - WASHER - CUPPED | Add To Cart | |
8 | 120081 - BEARING - BALL W/O FL SEAL | Add To Cart | |
9 | 320526 - SPINDLE HOUSING GREASE | Add To Cart | |
10 | 280734 - FITTING GREASE | Add To Cart | |
11 | 903640 - SPACER - BEARING TUBE | Add To Cart | |
12 | 603775 - SPINDLE - BLADE TUBE | Add To Cart | |
13 | 421200 - SPINDLE - BLADE STD | Add To Cart | |
14 | 257061 - WASHER - FIBER | Add To Cart | |
15 | 243581 - HEX BOLT | Add To Cart | |
16 | 623785 - BLADE SPINDLE ASSEMBLY (includes items 6-15) | Add To Cart | |
17 | 320239 - BLADE -18 HI-LIFT NOTCH | Call For Details | |
320236 - BLADE -18 MED LIFT | Call For Details | ||
18 | 259745 - BOLT SHOULDER | Add To Cart | |
19 | 393225 - IDLER | Add To Cart | |
20 | 603074 - ARM - IDLER W/BRG 52&61 OFFEST | Add To Cart | |
21 | 603078 - ARM - IDLER W/BRG 52&61 ST | Add To Cart | |
422585 - NYLON BEARING | Add To Cart | ||
22 | 283820 - SPRING - EXTENSION W/SWIVEL | Add To Cart | |
23 | 730391 - J BOLT - IDLER ADJUSTMENT | Add To Cart | |
24 | 831520 - SHEAVE | Add To Cart | |
25 | 643265 - DECK - 52 MOWER - Call for Price and Shipping Quote | Call For Details | |
26 | 280776 - FITTING GREASE | Add To Cart | |
27 | 261630 - LINCH PIN | Call For Details | |
28 | 282615 - SPACER | Add To Cart | |
29 | 282630 - SPACER | Add To Cart | |
30 | 902415 - SPACER - AXLE | Add To Cart | |
31 | 247715 - CARRIAGE BOLT | Add To Cart | |
32 | 603971 - WHEEL ASSY - 4 - SEMI-PNEU | Add To Cart | |
120050 - BEARING - BALL | Add To Cart | ||
33 | 643360 - FORK - PNEUMATIC FRONT | Add To Cart | |
34 | 833260 - BUSHING - FLANGED SINTERED | Add To Cart | |
35 | 343752 - SHIELD - DISCHARGE 52 | Call For Details | |
36 | 254431 - NUT | Add To Cart | |
37 | 390024 - GEARBOX RT ANGLE CCW | Add To Cart | |
38 | 643625 - PIN - ATTACHING | Add To Cart | |
39 | 261848 - SAFETY PIN | Add To Cart | |
40 | 398515 - UN HALF SHAFT | Add To Cart | |
401010 - YOKE | Add To Cart | ||
121010 - CROSS & BEARING | Add To Cart | ||
402604 - YOKE & SHAFT | Add To Cart | ||
41 | 416116 - SHEAVE | Add To Cart | |
42 | 282612 - SPACER | Add To Cart | |
43 | 831435 - SHEAVE | Add To Cart | |
44 | 281586 - KEY SQUARE | Add To Cart | |
45 | 281828 - KEY WOODRUFF | Add To Cart | |
46 | 281833 - KEY WOODRUFF | Add To Cart |