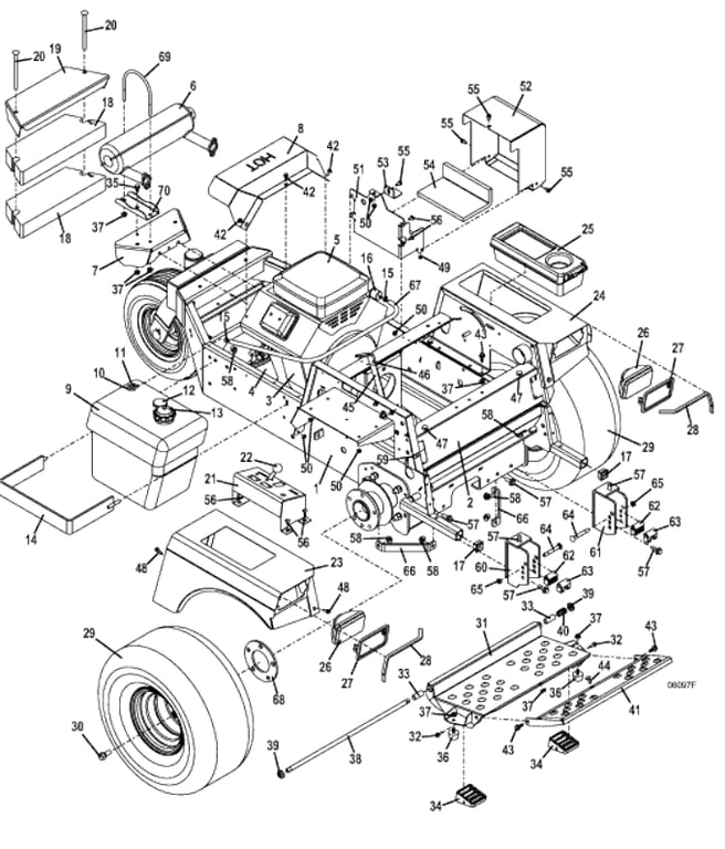
616T Tractor Assembly  - 2010
Click On a Part Number Below for Details
NOTE: If the part number you select is not linked to the shopping cart,call toll-free 866-698-4070 for availability.
| Item # | Part Number - Description | Price | |
|---|---|---|---|
| 1 | 643878 - 616T Lower Frame (Please Call for Pricing) | Call For Details | |
| 2 | 643874 - 600T Upper Frame | Call For Details | |
| 3 | 100137 - 16HP Briggs & Stratton Vanguard Front Shaft Engine (Please Call for Pricing) | Call For Details | |
| - | 253198 - Hex Whiz Bolt | Call For Details | |
| - | 901703 - 600T Vanguard Spacer | Call For Details | |
| 4 | 100803 - Briggs Oil Filter | Add To Cart | |
| 5 | 100920 - Briggs Air Filter | Call For Details | |
| - | 100921 - Briggs Air Filter Precleaner | Call For Details | |
| 6 | 101207 - Silent Muffler | Call For Details | |
| - | 101042 - Briggs & Stratton Muffler Exhaust Gasket | Call For Details | |
| 7 | 643922 - 616T Heat Shield | Call For Details | |
| 8 | 722991 - Muffler Cover | Call For Details | |
| 9 | 604835 - Fuel Tank Assembly with Draw Tube | Add To Cart | |
| 10 | 101875 - Grommet | Add To Cart | |
| 11 | 363925 - Fuel Tube | Add To Cart | |
| 12 | 141142 - In-Tank Fuel Guage | Add To Cart | |
| - | 424275 - Grommet | Add To Cart | |
| 13 | 100210 - Fuel Cap | Add To Cart | |
| 14 | 643144 - Fuel Tank Mounting Bracket | Add To Cart | |
| 15 | 280260 - Spring Hose Clamp | Add To Cart | |
| 16 | 366560 - Briggs In-Line Fuel Filter | Add To Cart | |
| 17 | 422065 - 1' ID Square Plastic Plug | Add To Cart | |
| 18 | 323933 - 34 LB Counterweight | Add To Cart | |
| 19 | 729514 - 34 lb. Weight Cover | Call For Details | |
| 20 | 247325 - Carriage Bolt | Add To Cart | |
| 21 | 693115 - 200 Console Panel with Decal | Call For Details | |
| 22 | 142210 - Mechainical Choke | Add To Cart | |
| 23 | 693196 - 600T Right Fender with Decals | Add To Cart | |
| - | 163760 - 616T Right Trim Decal | Call For Details | |
| 24 | 693197 - 620T Left Fender with Decals | Add To Cart | |
| - | 163761 - 616T Left Trim Decal | Call For Details | |
| 25 | 422040 - Tool Box | Add To Cart | |
| 26 | 182253 - Flood Worklamp | Add To Cart | |
| 27 | 182251 - Snap Mount Worklamp Bezel | Add To Cart | |
| 28 | 822632 - Trim | Add To Cart | |
| 29 | 483921 - Wheel & Turf Tire 20 x 10 x 8 | Add To Cart | |
| - | 482472 - Turf Tire 20 x 10 x 8 | Add To Cart | |
| - | 482478 - Bar Tread Tire 21 x 11 x 8 | Call For Details | |
| - | 483410 - 5 Bolt Wheel Turf | Add To Cart | |
| - | 483415 - 5 Bolt Wheel Bar | Add To Cart | |
| - | 483930 - Right Wheel & Bar Tread Tire 21 x 11 x 8 | Add To Cart | |
| - | 483931 - Left Wheel & Bar Tread Tire 21 x 11 x 8 | Add To Cart | |
| 30 | 248565 - Lug Bolt | Add To Cart | |
| 31 | 604348 - 620T Adjustable Foot Platform Assembly | Call For Details | |
| 32 | 243026 - Hex Bolt | Add To Cart | |
| 33 | 422615 - Nylon Bearing | Add To Cart | |
| 34 | 424100 - Footrest Isolator Block | Add To Cart | |
| 35 | 253191 - Flanged Hex Whiz Bolt | Add To Cart | |
| 36 | 424052 - Rubber Bumper | Add To Cart | |
| 37 | 253035 - Whiz Nut | Add To Cart | |
| 38 | 780656 - Footrest Pivot Rod | Call For Details | |
| 39 | 253470 - Nylon Insert Nut | Add To Cart | |
| 40 | 283312 - Compression Spring | Add To Cart | |
| 41 | 643305 - 600 Foot Platform Extension | Call For Details | |
| 42 | 270821 - Hex Bolt | Add To Cart | |
| 43 | 253192 - Hex Flange Whiz Bolt | Add To Cart | |
| 44 | 247130 - Carriage Bolt | Add To Cart | |
| 45 | 603856 - Throttle Assembly | Add To Cart | |
| - | 323640 - Control Cable Assembly | Add To Cart | |
| - | 722009 - Throttle Lever Stop | Add To Cart | |
| - | 722736 - Heavy Duty Throttle Lever Stop | Add To Cart | |
| 46 | 422150 - Handle Grip | Add To Cart | |
| 47 | 424015 - Rubber Bumper | Add To Cart | |
| 48 | 253175 - Hex Whiz Bolt | Add To Cart | |
| 49 | 253440 - Nylon Insert Nut | Add To Cart | |
| 50 | 253025 - Whiz Nut | Add To Cart | |
| 51 | 644099 - G2 AC Battery Box | Call For Details | |
| 52 | 644162 - AC Battery Cover | Add To Cart | |
| 53 | 729001 - Battery Clamp | Add To Cart | |
| 54 | 427273 - Battery Tray Pad | Add To Cart | |
| 55 | 253173 - Hex Whiz Bolt | Add To Cart | |
| 56 | 253176 - Truss Whiz Bolt | Add To Cart | |
| 57 | 253203 - Whiz Flange Bolt | Add To Cart | |
| 58 | 253043 - Whiz Nut | Add To Cart | |
| 59 | 254431 - Speed Nut | Add To Cart | |
| 60 | 643894 - 600 QD Right Deck Mount | Add To Cart | |
| 61 | 643895 - 600 QD Left Deck Mount | Call For Details | |
| 62 | 282575 - Deck Mount Bushing | Add To Cart | |
| 63 | 282576 - Floating Deck Mount Bushing | Add To Cart | |
| 64 | 247280 - Special Carriage Bolt | Add To Cart | |
| 65 | 253460 - Nylon Insert Nut | Add To Cart | |
| 66 | 732824 - Crossmember Strap | Call For Details | |
| 67 | 821770 - Fuel Hose | Call For Details | |
| 68 | 776295 - 5 Bolt Wheel Spacer | Call For Details | |
| 69 | 321246 - U-Bolt | Call For Details | |
| 70 | 724971 - Exhaust Clamp | Call For Details | |
| 71 | 605538 - 616T Decal Set | Call For Details |