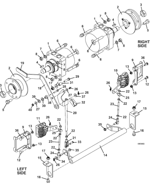
616T Wheel Motor & Brake Assembly - 2008
Click On a Part Number Below for Details
NOTE: If the part number you select is not linked to the shopping cart,call toll-free 866-698-4070 for availability.
Item # | Part Number - Description | Price | |
---|---|---|---|
1 | 391475 - Wheel Motor Front Port | Add To Cart | |
2 | 604439 - Hub & Rotor Assembly | Add To Cart | |
- | 259592 - Socket Head Screw | Add To Cart | |
- | 775193 - 6.0 Brake Rotor | Call For Details | |
3 | 254522 - Nut | Add To Cart | |
4 | 281860 - Woodruff Key | Add To Cart | |
5 | 248565 - Lug Bolt | Add To Cart | |
6 | 604160 - Pin Head Bolt Assembly | Add To Cart | |
7 | 257432 - Lock Washer | Add To Cart | |
8 | 254470 - Nut | Add To Cart | |
9 | 644850 - 600T Caliper Mount | Call For Details | |
10 | 481108 - ClockwiseBrake Assembly | Call For Details | |
- | 603150 - Brake Pad Kit | Add To Cart | |
11 | 481109 - Brake Assembly | Call For Details | |
- | 603150 - Brake Pad Kit | Add To Cart | |
12 | 247130 - Carriage Bolt | Add To Cart | |
13 | 253035 - Whiz Nut | Add To Cart | |
14 | 644595 - 616T Brake Pivot Tube | Call For Details | |
15 | 732617 - Brake Pivot Mount | Add To Cart | |
16 | 253200 - Whiz Bolt | Add To Cart | |
17 | 253043 - Whiz Nut | Add To Cart | |
18 | 644035 - 700/900 Brake Lever | Call For Details | |
19 | 422150 - Handle Grip | Add To Cart | |
20 | 644057 - Brake Linkage Arm | Call For Details | |
21 | 265537 - Yoke Clevis | Add To Cart | |
22 | 254441 - Nut | Add To Cart | |
23 | 780158 - Brake Linkage Rod | Add To Cart | |
24 | 265615 - Right Handed Thread Ball Joint | Add To Cart | |
25 | 880926 - Bake Linkage Pin | Add To Cart | |
26 | 260606 - Cotter Ring | Add To Cart | |
27 | 257020 - Washer | Add To Cart | |
28 | 243030 - Hex Bolt | Add To Cart | |
29 | 243340 - Hex Bolt | Add To Cart | |
30 | 257040 - Washer | Add To Cart | |
31 | 902283 - Spacer | Add To Cart | |
32 | 183894 - Brake Interlock Switch | Add To Cart | |
33 | 261284 - Clevis Pin | Add To Cart | |
34 | 257030 - Washer | Add To Cart | |
35 | 253038 - Whiz Nut | Add To Cart | |
36 | 247135 - Carriage Bolt | Add To Cart | |
37 | 257030 - Washer | Add To Cart | |
38 | 881130 - Brake Lever Spacer | Call For Details | |
39 | 257063 - Washer | Add To Cart | |
40 | 253025 - Whiz Nut | Add To Cart |