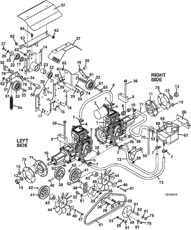
618 Drive Assembly  - 2003
Click On a Part Number Below for Details
NOTE: If the part number you select is not linked to the shopping cart,call toll-free 866-698-4070 for availability.
| Item # | Part Number - Description | Price | |
|---|---|---|---|
| 1 | 391215 - right Charge Port Transaxle | Call For Details | |
| 2 | 391214 - left Non-Charge Transaxle with PP | Call For Details | |
| 3 | 100850 - Transaxle Oil Filter | Add To Cart | |
| 4 | 363864 - O-Ring Boss Fitting | Add To Cart | |
| 5 | 363866 - O-Ring Boss Fitting | Add To Cart | |
| 6 | 363834 - Steel O-Ring Flare Fitting | Add To Cart | |
| 7 | 280273 - Plastic Snap Hose Clamp | Add To Cart | |
| 8 | 821785 - Hydraulic Hose | Add To Cart | |
| 9 | 901740 - Transmission Spacer | Call For Details | |
| 10 | 281836 - Woodruff Key | Add To Cart | |
| 11 | 603429 - Tapered 5-Bolt Hub Assembly | Add To Cart | |
| - | 248570 - Wheel Stud Bolt | Add To Cart | |
| 12 | 257102 - Washer | Add To Cart | |
| 13 | 253501 - Nylon Insert Nut | Add To Cart | |
| 14 | 900130 - Spindle Plate Shim | Add To Cart | |
| 15 | 254472 - Lug Nut | Add To Cart | |
| 16 | 729523 - right Transaxle Mount Plate | Add To Cart | |
| 17 | 724280 - left Transaxle Mount Plate | Add To Cart | |
| 18 | 253174 - Hex Flange Whiz Bolt | Add To Cart | |
| 19 | 729037 - right Neutral Spring Bracket | Call For Details | |
| 20 | 902307 - Drive Mount Plate Spacer | Add To Cart | |
| 21 | 824538 - 600 Drive Spindle Housing | Add To Cart | |
| 22 | 110081 - 2 Reg Seal 25mm Ball Bearing | Add To Cart | |
| 23 | 903650 - Drive Bearing Spacer | Add To Cart | |
| 24 | 257107 - Washer | Add To Cart | |
| 25 | 883801 - Washer | Add To Cart | |
| 26 | 257412 - Lock Washer | Add To Cart | |
| 27 | 243331 - Hex Bolt | Add To Cart | |
| 28 | 254450 - Nut | Add To Cart | |
| 29 | 882113 - 600 Trans Drive Shaft | Add To Cart | |
| 30 | 121650 - Pedestal Bearing | Add To Cart | |
| 31 | 824505 - 600 Drive Idler Arm | Add To Cart | |
| 32 | 393165 - Idler | Add To Cart | |
| 33 | 243340 - Hex Bolt | Add To Cart | |
| 34 | 257040 - Washer | Add To Cart | |
| 35 | 243375 - Hex Bolt | Add To Cart | |
| 36 | 253215 - Flange Bolt | Add To Cart | |
| 37 | 693777 - 618C Intake Shield with Decal | Call For Details | |
| 38 | 775002 - Washer | Add To Cart | |
| 39 | 414444 - Sheave | Add To Cart | |
| 40 | 261061 - Roll Pin | Add To Cart | |
| 41 | 415540 - Sheave | Add To Cart | |
| 42 | 281829 - Woodruff Key | Add To Cart | |
| 43 | 423724 - Fan Spacer | Add To Cart | |
| 44 | 320856 - 7 inch counter-clockwise Nylon Fan | Add To Cart | |
| 45 | 774023 - Flat Washer | Add To Cart | |
| 46 | 257392 - Lock Washer | Add To Cart | |
| 47 | 243045 - Hex Bolt | Add To Cart | |
| 48 | 824550 - Flex Coupling Hub | Add To Cart | |
| 49 | 821530 - Flex Coupling Disc | Add To Cart | |
| 50 | 644118 - Coupling Connector | Add To Cart | |
| 51 | 382627 - Belt | Add To Cart | |
| 52 | 243330 - Hex Bolt | Add To Cart | |
| 53 | 280274 - Screw-Type Hose Clamp | Add To Cart | |
| 54 | 283842 - Extension Spring | Add To Cart | |
| 55 | 724089 - right Idler Spring Bracket | Call For Details | |
| 56 | 730391 - Idler Adjustment J Bolt | Add To Cart | |
| 57 | 693767 - 600 Drive Spindle Shield with DPR | Call For Details | |
| 58 | 422098 - Vinyl Cap | Add To Cart | |
| 59 | 243225 - Hex Bolt | Add To Cart | |
| 60 | 257402 - Lock Washer | Add To Cart | |
| 61 | 257030 - Washer | Add To Cart | |
| 62 | 253043 - Whiz Nut | Add To Cart | |
| 63 | 643849 - 600 Steering Shock Mount | Call For Details | |
| 64 | 253192 - Hex Flange Whiz Bolt | Add To Cart | |
| 65 | 243345 - Whiz Bolt | Add To Cart | |
| 66 | 754030 - 618 Reservoir Mount | Call For Details | |
| 67 | 822331 - Oil Reservoir with Grommet Fittings | Add To Cart | |
| - | 421990 - Reservoir Cap with Gasket | Add To Cart | |
| 68 | 424209 - Grommet | Add To Cart | |
| 69 | 363835 - Barbed 90 degree Fitting | Call For Details | |
| 70 | 821724 - Clear Vent Hose | Add To Cart | |
| 71 | 424321 - Hose Assembly | Add To Cart | |
| 72 | 821783 - Hydraulic Hose | Add To Cart | |
| 73 | 821788 - Hydraulic Hose | Add To Cart | |
| 74 | 281845 - Woodruff Key | Add To Cart | |
| 75 | 901311 - 10 GA Wheel Spacer | Add To Cart | |
| 76 | 121756 - Oilite Bearing | Add To Cart | |
| 77 | 282615 - Spacer | Add To Cart | |
| 78 | 902280 - Spacer | Add To Cart |