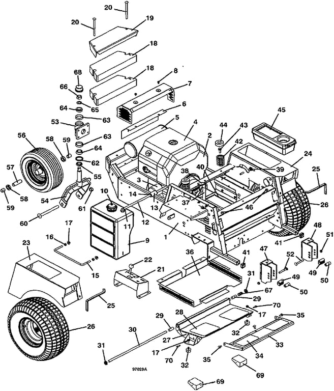
618 Tractor Assembly  - 1999
Click On a Part Number Below for Details
NOTE: If the part number you select is not linked to the shopping cart,call toll-free 866-698-4070 for availability.
| Item # | Part Number - Description | Price | |
|---|---|---|---|
| 1 | 643835 - 600 Lower Frame | Call For Details | |
| - | 643838 - 600 97 Upper Frame | Call For Details | |
| 2 | 100144 - 18hp Kohler Engine No Longer Available | Call For Details | |
| 3 | 100802 - Kohler Oil Filter | Add To Cart | |
| 4 | 100926 - Kohler Air Filter | Add To Cart | |
| - | 100927 - Kohler Precleaner Air Filter | Call For Details | |
| 5 | 101219 - 618 Kohler Muffler No Longer Available | Call For Details | |
| 6 | 720166 - Inner Muffler Shield | Call For Details | |
| 7 | 644600 - 618 Muffler Shield | Call For Details | |
| 8 | 243002 - Hex Head Screw | Add To Cart | |
| 9 | 603810 - 600 Fuel Tank Assembly | Add To Cart | |
| 10 | 100210 - Fuel Cap | Add To Cart | |
| 11 | 101830 - Fuel Draw Tube | Add To Cart | |
| 12 | 821738 - Fuel Hose | Add To Cart | |
| 13 | 101001 - Kohler Fuel Filter | Call For Details | |
| 14 | 280260 - Spring Hose Clamp | Add To Cart | |
| 15 | 730450 - 600 Fuel Tank Mount | Add To Cart | |
| 16 | 254450 - Nut | Add To Cart | |
| 17 | 253043 - Whiz Nut | Add To Cart | |
| 18 | 323933 - 34 lb. Counterweight | Add To Cart | |
| 19 | 729514 - 34 lb. Weight Cover Plate | Call For Details | |
| 20 | 247325 - Carriage Bolt | Add To Cart | |
| 21 | 693110 - 600 Console Panel with Decal | Call For Details | |
| 22 | 142216 - Mechanical Choke | Add To Cart | |
| 23 | 693202 - 600S right Fender with Decals | Call For Details | |
| - | 163228 - 618 right Trim Decal | Call For Details | |
| 24 | 693203 - 600S left Fender with Decals | Call For Details | |
| - | 163229 - 618 left Trim Decal | Call For Details | |
| 25 | 822631 - Fender Edge Trim | Add To Cart | |
| 26 | 483921 - 20 X 10 X 8 Tan Wheel & Turf Tire | Add To Cart | |
| - | 482472 - 20 X 10 X 8 Turf Tire | Add To Cart | |
| - | 483410 - 8 X 6 5-Bolt Wheel | Add To Cart | |
| 27 | 604347 - 600 Adjustable Foot Platform | Call For Details | |
| 28 | 420905 - Foot Rest Tread | Add To Cart | |
| 29 | 422615 - Nylon Bearing | Add To Cart | |
| 30 | 780656 - 600 Footrest Pivot Rod | Call For Details | |
| 31 | 253470 - Nylon Insert Nut | Add To Cart | |
| 32 | 424052 - Rubber Bumper | Add To Cart | |
| 33 | 603300 - 600 Foot Platform Extension | Call For Details | |
| 34 | 420904 - Footrest Extension Tread | Add To Cart | |
| 35 | 247130 - Carriage Bolt | Add To Cart | |
| 36 | 721387 - 600 Series Trash Screen | Add To Cart | |
| 37 | 603853 - 618 Throttle Assembly | Call For Details | |
| - | 323643 - Control Cable Assembly | Add To Cart | |
| - | 722009 - Throttle Lever Stop | Add To Cart | |
| 38 | 422150 - Handle Grip | Add To Cart | |
| 39 | 902280 - Spacer | Add To Cart | |
| - | 243330 - Hex Bolt | Add To Cart | |
| - | 257040 - Washer | Add To Cart | |
| 40 | 729311 - 600 Series Battery Box | Add To Cart | |
| 41 | 422065 - 1 inch ID Square Plastic Plug | Add To Cart | |
| 42 | 283516 - Compression Spring | Add To Cart | |
| 43 | 253203 - Whiz Flange Bolt | Add To Cart | |
| 44 | 422127 - Seat Spring Cap | Add To Cart | |
| 45 | 422040 - Tool Box | Add To Cart | |
| 46 | 424015 - Rubber Bumper | Add To Cart | |
| 47 | 643097 - 600 right QD Deck Mount | Add To Cart | |
| 48 | 643098 - 600 left QD Deck Mount | Add To Cart | |
| 49 | 282575 - Deck Mount Bushing | Add To Cart | |
| 50 | 282576 - Floating Deck Mount Bushing | Add To Cart | |
| 51 | 253460 - Nylon Insert Nut | Add To Cart | |
| 52 | 247280 - Special Carriage Bolt | Add To Cart | |
| 53 | 604596 - RR Fork Pivot Housing Assembly | Add To Cart | |
| 54 | 604365 - Fork & Lock Nut Assembly | Add To Cart | |
| 55 | 282615 - Spacer | Add To Cart | |
| 56 | 483865 - 13 x 6.5 x 6 Wheel & Tire with Bearing & Spacer | Add To Cart | |
| - | 482355 - 13 X 6.5 X 6 Ribbed Tire | Add To Cart | |
| - | 483304 - 6 X 4.5 Tan Wheel with Bearing & Spacer | Add To Cart | |
| 57 | 902475 - Rear Wheel Bearing Spacer | Add To Cart | |
| 58 | 120050 - Ball Bearing | Add To Cart | |
| 59 | 902425 - Axle Spacer | Add To Cart | |
| 60 | 247725 - Carriage Bolt | Add To Cart | |
| 61 | 253970 - Lock Nut | Add To Cart | |
| 62 | 125855 - Seal | Add To Cart | |
| 63 | 123522 - Bearing Cup | Add To Cart | |
| 64 | 122522 - Taper Bearing | Add To Cart | |
| 65 | 257091 - 14 GA Bushing Washer | Add To Cart | |
| 66 | 253992 - Lock Nut | Add To Cart | |
| 67 | 283312 - Compression Spring | Add To Cart | |
| 68 | 481432 - Dust Cap | Add To Cart | |
| 69 | 424100 - Footrest Isolator Block | Add To Cart | |
| 70 | 243026 - Hex Bolt | Add To Cart | |
| 71 | 604292 - Decal Set for 618 with Side Console | Add To Cart |