620T Traction Kit  - 2007
Click On a Part Number Below for Details
NOTE: If the part number you select is not linked to the shopping cart, call toll-free 866-698-4070 for availability.
| Item # | Part Number - Description | Price | |
|---|---|---|---|
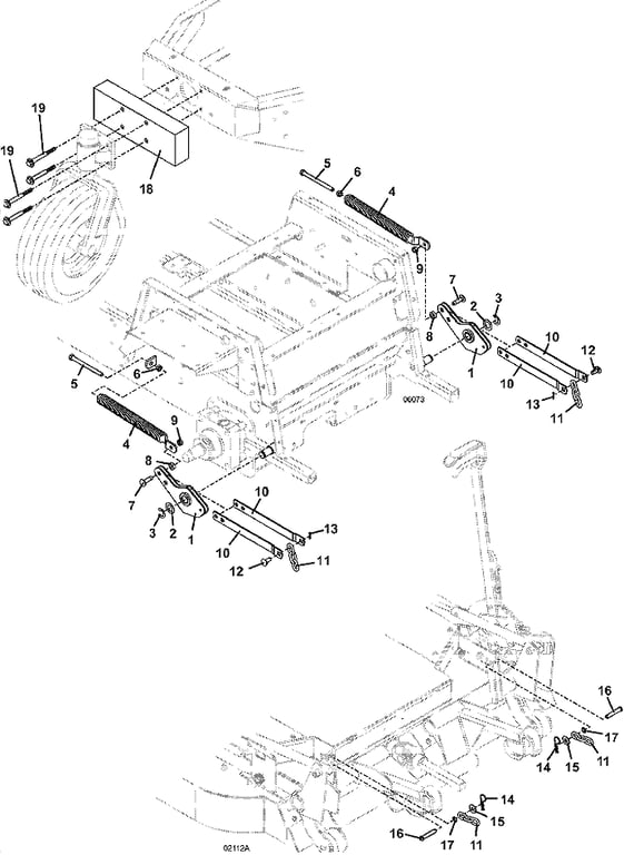
| 1 | 603724 - 620T Rocker | Add To Cart | |
| - | 121764 - Oilite Bearing | Add To Cart | |
| 2 | 257092 - 18 Gauge Bushing Washer | Add To Cart | |
| 3 | 263529 - External Retainer | Add To Cart | |
| 4 | 604804 - Offset Spring and Plug Nut Assembly | Call For Details | |
| 5 | 243395 - Hex Bolt | Add To Cart | |
| 6 | 254450 - Nut | Add To Cart | |
| 7 | 247254 - Carriage Bolt | Add To Cart | |
| 8 | 881095 - .25 Traction Kit Spacer | Add To Cart | |
| 9 | 253890 - Lock Nut | Add To Cart | |
| 10 | 732410 - 600 w/SL Deck Lift Strap | Add To Cart | |
| 11 | 820317 - 3 Links Lift Chain | Add To Cart | |
| 12 | 261339 - Clevis Pin | Add To Cart | |
| 13 | 260648 - Cotter Pin | Add To Cart | |
| 14 | 260523 - Hair Pin | Add To Cart | |
| 15 | 257040 - Washer | Add To Cart | |
| 16 | 261362 - Clevis Pin | Add To Cart | |
| 17 | 262950 - Push-On Retainer | Add To Cart | |
| 18 | 783810 - 600 Series Counterweight | Add To Cart | |
| 19 | 253212 - Whiz Bolt | Add To Cart |