718 Tractor Assembly  - 2003
Click On a Part Number Below for Details
NOTE: If the part number you select is not linked to the shopping cart,call toll-free 866-698-4070 for availability.
| Item # | Part Number - Description | Price | |
|---|---|---|---|
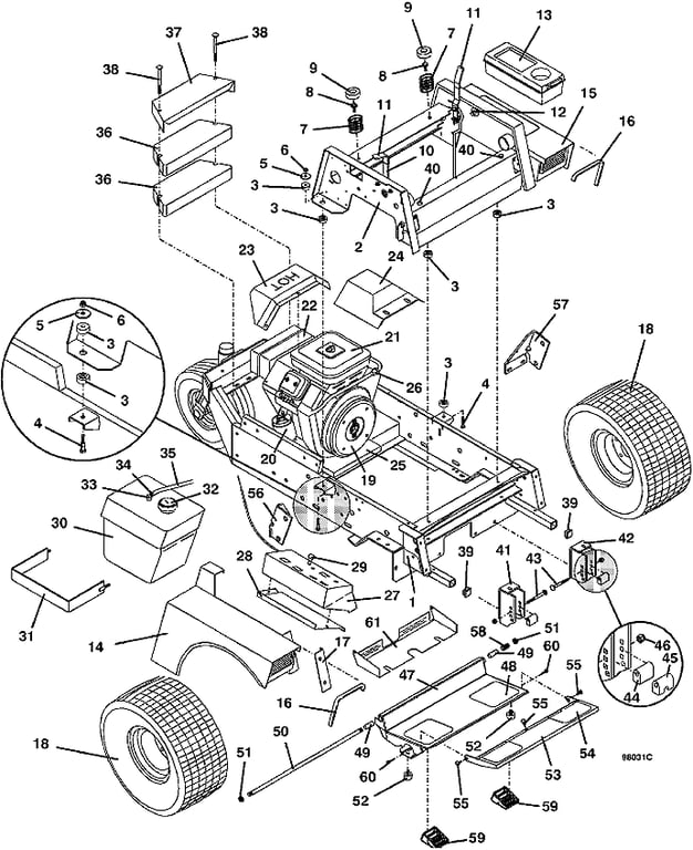
| 1 | 644229 - 718/718K lower Tractor Frame | Call For Details | |
| 2 | 643870 - 97 upper Frame for Air Cooled Tractor | Call For Details | |
| 3 | 257037 - Step Bushing | Add To Cart | |
| 4 | 243220 - Hex Bolt | Add To Cart | |
| 5 | 774020 - Washer | Add To Cart | |
| 6 | 253450 - Nylon Insert Nut | Add To Cart | |
| 7 | 283516 - Compression Spring | Add To Cart | |
| 8 | 253203 - Whiz Flange Bolt | Add To Cart | |
| 9 | 422127 - Seat Spring Cap | Add To Cart | |
| 10 | 603851 - 718 Throttle Assembly | Add To Cart | |
| - | 323642 - Control Cable Assembly | Add To Cart | |
| - | 722009 - Throttle Lever Stop | Add To Cart | |
| 11 | 422150 - Handle Grip | Add To Cart | |
| 12 | 902280 - Spacer | Add To Cart | |
| - | 243330 - Hex Bolt | Add To Cart | |
| - | 257040 - Washer | Add To Cart | |
| 13 | 422040 - Tool Box | Add To Cart | |
| 14 | 693210 - 700/900 right Fender with Safety Decal | Add To Cart | |
| - | 163206 - 718 right Trim Decal | Call For Details | |
| 15 | 693211 - 700/900 left Fender with Safety Decal | Add To Cart | |
| - | 163207 - 718 left Trim Decal | Call For Details | |
| 16 | 822635 - 700/900 Fender Edge Trim | Add To Cart | |
| 17 | 722062 - right Fender Cover Panel | Add To Cart | |
| 18 | 483921 - 20 x 10 x 8 Tan Wheel & Turf Tire | Add To Cart | |
| - | 482472 - 20 x 10 x 8 Turf Tire | Add To Cart | |
| - | 482478 - 21 x 11 x 8 Bar Tread Tire | Call For Details | |
| - | 483410 - 8 x 6 5-Bolt Wheel | Add To Cart | |
| - | 483415 - 8 x 9.125 5-Bolt Wheel | Add To Cart | |
| - | 483930 - 21 x 11 x 8 right Wheel & Bar Tread Tire | Add To Cart | |
| - | 483931 - 21 x 11 x 8 left Wheel & Bar Tread Tire | Add To Cart | |
| 19 | 100143 - 18hp Briggs & Stratton Engine | Call For Details | |
| 20 | 100803 - Briggs Oil Filter | Add To Cart | |
| 21 | 100920 - Briggs Air Filter | Call For Details | |
| - | 100921 - Briggs & Stratton Air Filter Pre-Cleaner | Call For Details | |
| 22 | 603592 - Muffler & Support Assembly | Add To Cart | |
| - | 729196 - Vanguard Heat Shield | Add To Cart | |
| 23 | 722266 - 600 Muffler Shield | Add To Cart | |
| 24 | 693780 - 718 Intake Shield with Decal | Call For Details | |
| 25 | 901701 - 700 Spacer | Call For Details | |
| 26 | 366560 - Briggs In-Line Fuel Filter | Add To Cart | |
| 27 | 693100 - 96 Air Cooled Console with Decal | Call For Details | |
| 28 | 721152 - 96 Console Fill Panel | Add To Cart | |
| 29 | 142228 - Mechanical Choke | Add To Cart | |
| 30 | 603813 - Fuel Tank Assembly with Draw Tube | Add To Cart | |
| 31 | 643144 - Fuel Tank Mounting Bracket | Add To Cart | |
| 32 | 141125 - Fuel Cap with Level Indicator | Add To Cart | |
| 33 | 101819 - Fuel Draw Tube | Add To Cart | |
| 34 | 280260 - Spring Hose Clamp | Add To Cart | |
| 35 | 821749 - Hose | Add To Cart | |
| 36 | 323933 - 34 lb Counterweight | Add To Cart | |
| 37 | 729514 - 34 lb Weight Cover | Call For Details | |
| 38 | 247325 - Carriage Bolt | Add To Cart | |
| 39 | 422065 - 1 inch ID Square Plastic Plug | Add To Cart | |
| 40 | 424015 - Rubber Bumper | Add To Cart | |
| 41 | 643092 - right 700/900 QD Deck Mount | Add To Cart | |
| 42 | 643093 - left 700/900 QD Deck Mount | Add To Cart | |
| 43 | 247280 - Special Carriage Bolt | Add To Cart | |
| 44 | 282575 - Deck Mount Bushing | Add To Cart | |
| 45 | 282576 - Floating Deck Mount Bushing | Add To Cart | |
| 46 | 253460 - Nut with Nylon Insert | Add To Cart | |
| 47 | 604346 - 700/900 Adjustable Foot Platform Assembly | Add To Cart | |
| 48 | 420905 - Foot Rest Tread | Add To Cart | |
| 49 | 422615 - Nylon Bearing | Add To Cart | |
| 50 | 780673 - 700 Foot Platform Pivot Rod | Call For Details | |
| 51 | 253470 - Nut with Nylon Insert | Add To Cart | |
| 52 | 424052 - Rubber Bumper | Add To Cart | |
| 53 | 603301 - Model 700 Foot Platform Extension | Add To Cart | |
| 54 | 420904 - Foot Rest Extension Tread | Add To Cart | |
| 55 | 247130 - Carriage Bolt | Add To Cart | |
| 56 | 726131 - right ROPS Gusset | Call For Details | |
| 57 | 726132 - left ROPS Gusset | Call For Details | |
| 58 | 283312 - Compression Spring | Add To Cart | |
| 59 | 424100 - Footrest Isolator Block | Add To Cart | |
| 60 | 243026 - Hex Bolt | Add To Cart | |
| 61 | 721243 - Hydro Fan Screen | Add To Cart | |
| 62 | 604293 - Decal Set for 718 with Side Console | Call For Details |