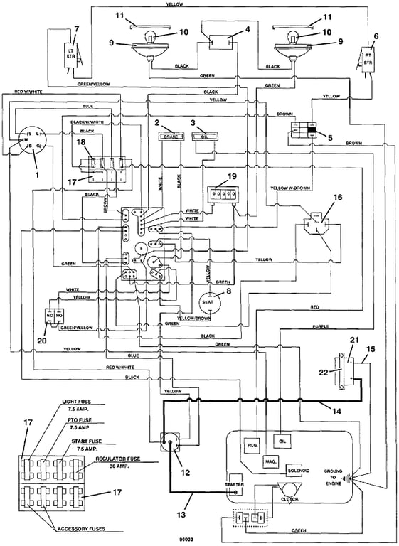
718 Wiring & Lights  - 1997
Click On a Part Number Below for Details
NOTE: If the part number you select is not linked to the shopping cart,call toll-free 866-698-4070 for availability.
| Item # | Part Number - Description | Price | |
|---|---|---|---|
| 1 | 183806 - Briggs & Stratton/Kohler Key Switch | Add To Cart | |
| - | 101101 - Ignition Key with Cover | Add To Cart | |
| - | 254498 - Nut | Add To Cart | |
| - | 422078 - Plastic Panel | Add To Cart | |
| 2 | 182326 - Brake Indicator Light | Add To Cart | |
| 3 | 182327 - Oil Indicator Light | Add To Cart | |
| 4 | 184179 - Rocker Switch | Add To Cart | |
| 5 | 183925 - Push/Pull Switch | Add To Cart | |
| 6 | 183860 - Lever Switch | Add To Cart | |
| - | 720160 - Right Steering Switch Mount | Add To Cart | |
| 7 | 183860 - Lever Switch | Add To Cart | |
| - | 720161 - Left Steering Switch Mount | Add To Cart | |
| 8 | 183870 - Seat Switch | Add To Cart | |
| 9 | 182253 - Flood Worklamp | Add To Cart | |
| 10 | 182005 - Worklamp Light Bulb | Add To Cart | |
| 11 | 182251 - Snap Mount Worklamp Bezel | Add To Cart | |
| 12 | 184251 - 4 Post Solenoid Relay Switch | Add To Cart | |
| 13 | 180309 - 11 inch Red Battery Cable | Add To Cart | |
| 14 | 180330 - 30 inch Red Battery Cable | Add To Cart | |
| - | 425219 - Starter Terminal Boot | Add To Cart | |
| 15 | 180280 - 20 inch Black Battery Cable | Add To Cart | |
| 16 | 184271 - 12V DC Relay with Mount | Add To Cart | |
| - | 184570 - Type 1 6mm Push-On | Add To Cart | |
| - | 184581 - .250 Fast-On Terminal | Add To Cart | |
| - | 184926 - 5-Way Female Connector | Add To Cart | |
| 17 | 181722 - Fuse Block | Add To Cart | |
| - | 184458 - 1 Wire Fuse Clip | Add To Cart | |
| - | 184460 - 2 Wire Fuse Clip | Add To Cart | |
| - | 184472 - Double Fuse Clip | Add To Cart | |
| 18 | 181470 - ATC 30a Auto Fuse | Add To Cart | |
| - | 181460 - ATC 7.50a Auto Fuse | Add To Cart | |
| 19 | 141551 - Snap-In Hour Meter | Add To Cart | |
| 20 | 183894 - Brake Interlock Switch | Add To Cart | |
| 21 | 180125 - 12v Wet Battery | Add To Cart | |
| 22 | 822410 - Battery Hold Down | Add To Cart | |
| 23 | 604965 - 718 97 Wiring Assembly | Add To Cart | |
| 24 | 161130 - Console Decal for Air Cooled | Add To Cart |