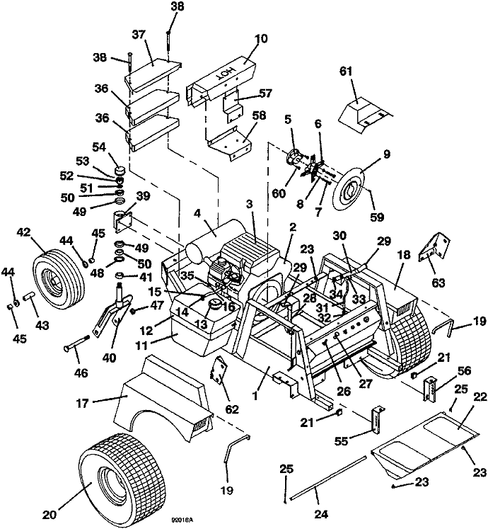
718K 720K Tractor Assembly  - 1992
Click On a Part Number Below for Details
NOTE: If the part number you select is not linked to the shopping cart, call toll-free 866-698-4070 for availability.
| Item # | Part Number - Description | Price | |
|---|---|---|---|
| 1 | 643379 - 718C Tractor Frame | Call For Details | |
| 2 | 100142 - Kohler 18hp Overhead Valve Engine | Call For Details | |
| - | 100161 - Kohler 20hp Engine | Call For Details | |
| 3 | 100928 - Kohler Air Filter | Call For Details | |
| - | 100929 - Kohler 20hp Air Filter Pre-Cleaner | Call For Details | |
| 4 | 101217 - Kohler Muffler | Call For Details | |
| - | 101041 - Kohler Exhaust Gasket | Add To Cart | |
| 5 | 100798 - Booster Fan Adapter | Call For Details | |
| 6 | 100793 - 7 inch Booster Fan | Call For Details | |
| 7 | 243235 - Hex Bolt | Add To Cart | |
| 8 | 257402 - Lock Washer | Add To Cart | |
| 9 | 721130 - Intake Screen | Call For Details | |
| 10 | 722391 - Muffler Shield | Add To Cart | |
| - | 722309 - Inner Panel Shield | Add To Cart | |
| 11 | 603813 - Fuel Tank Assembly with Draw Tube | Add To Cart | |
| 12 | 643144 - Fuel Tank Mounting Bracket | Add To Cart | |
| 13 | 141125 - Cap with Fuel Level | Add To Cart | |
| 14 | 101819 - Fuel Draw Tube | Add To Cart | |
| 15 | 280260 - Spring Hose Clamp | Add To Cart | |
| 16 | 821710 - Fuel Line Hose | Add To Cart | |
| - | 101001 - Kohler Fuel Filter | Call For Details | |
| 17 | 643962 - right 700S Fender w/a | Call For Details | |
| - | 163214 - right 718K Trim Decal | Call For Details | |
| - | 163454 - right 720K Trim Decal | Call For Details | |
| 18 | 643963 - left 700S Fender w/a | Call For Details | |
| - | 163215 - left 718K Trim Decal | Call For Details | |
| - | 163455 - left 720K Trim Decal | Call For Details | |
| 19 | 822635 - 700/900 Fender Edge Trim | Add To Cart | |
| 20 | 483921 - 20 x 10 x 8 Tan Wheel Turf Tire | Add To Cart | |
| - | 482471 - 20 x 10 x 8 Turf Tire | Call For Details | |
| - | 482478 - 21 x 11 x 8 Bar Tread Tire | Call For Details | |
| - | 483410 - 5-Bolt 8 x 6 Wheel | Add To Cart | |
| - | 483415 - 5-Bolt 8 x 9.125 Wheel | Add To Cart | |
| - | 483930 - 21 x 11 x 8 right Wheel Bar Tread Tire | Add To Cart | |
| - | 483931 - 21 x 11 x 8 left Wheel Bar Tread Tire | Add To Cart | |
| 21 | 422065 - 1 inch ID Square Plastic Plug | Add To Cart | |
| 22 | 603345 - Foot Rest | Call For Details | |
| 23 | 424015 - Rubber Bumper | Add To Cart | |
| 24 | 780658 - Foot Rest Pivot Rod | Call For Details | |
| 25 | 263500 - External Retainer | Add To Cart | |
| 26 | 604796 - PTO Switch Cover Assembly | Add To Cart | |
| 27 | 142250 - Mechanical Choke | Add To Cart | |
| 28 | 603821 - 718 Throttle Assembly | Add To Cart | |
| - | 323655 - Control Cable Assembly | Add To Cart | |
| - | 722009 - Throttle Lever Stop | Add To Cart | |
| 29 | 422150 - Handle Grip | Add To Cart | |
| 30 | 603557 - 700 Brake Lever Assembly | Call For Details | |
| 31 | 730361 - 700 Brake Linkage Rod | Add To Cart | |
| 32 | 265537 - Clevis Yoke | Add To Cart | |
| 33 | 259741 - Shoulder Bolt | Add To Cart | |
| 34 | 260648 - Cotter Pin | Add To Cart | |
| 35 | 100802 - Kohler Oil Filter | Add To Cart | |
| 36 | 323933 - 34 lb. Counterweight | Add To Cart | |
| 37 | 729514 - 34 lb. Weight Cover | Call For Details | |
| 38 | 247305 - NOT AVAILABLE | Call For Details | |
| 39 | 604596 - Rear Axle Pivot Assembly | Add To Cart | |
| 40 | 604364 - Rear Fork Lock Nut Assembly | Add To Cart | |
| 41 | 282615 - Spacer | Add To Cart | |
| 42 | 483861 - 13 x 5 x 6 Wheel Tire with Bearing Spacer | Add To Cart | |
| - | 482350 - 13 x 5 x 6 Ribbed Tubeless Tire | Add To Cart | |
| - | 483301 - 6 x 3.25 Tan Wheel Tire with Bearing Spacer | Add To Cart | |
| 43 | 902475 - rear Wheel Bearing Spacer | Add To Cart | |
| 44 | 120050 - Ball Bearing | Add To Cart | |
| 45 | 902425 - Axle Spacer | Add To Cart | |
| 46 | 247725 - Carriage Bolt | Add To Cart | |
| 47 | 253970 - Lock Nut | Add To Cart | |
| 48 | 125855 - Seal | Add To Cart | |
| 49 | 123522 - Bearing Cup | Add To Cart | |
| 50 | 122522 - Tapered Bearing | Add To Cart | |
| 51 | 257091 - 14 GA Bushing Washer | Add To Cart | |
| 52 | 254502 - Nut | Add To Cart | |
| 53 | 260668 - Cotter Pin | Add To Cart | |
| 54 | 481432 - Dust Cap | Add To Cart | |
| 55 | 643138 - right 700 Attachment Mount | Add To Cart | |
| 56 | 643139 - left 700 Attachment Mount | Add To Cart | |
| 57 | 643117 - Shield Mount Bracket | Add To Cart | |
| 58 | 729270 - Lower Muffler Bracket | Add To Cart | |
| 59 | 643659 - left Steering Lever Pivot | Call For Details | |
| 60 | 271023 - NOT AVAILABLE | Add To Cart | |
| 61 | 644746 - 700KC Intake Shield with Sides | Call For Details | |
| 62 | 726131 - right ROPS Gusset | Call For Details | |
| 63 | 726132 - left ROPS Gusset | Call For Details | |
| 64 | 603266 - 718K Decal Set | Call For Details | |
| 65 | 603274 - 720K Decal Set | Add To Cart |