718K 720K Tractor Assembly  - 1996
Click On a Part Number Below for Details
NOTE: If the part number you select is not linked to the shopping cart, call toll-free 866-698-4070 for availability.
| Item # | Part Number - Description | Price | |
|---|---|---|---|
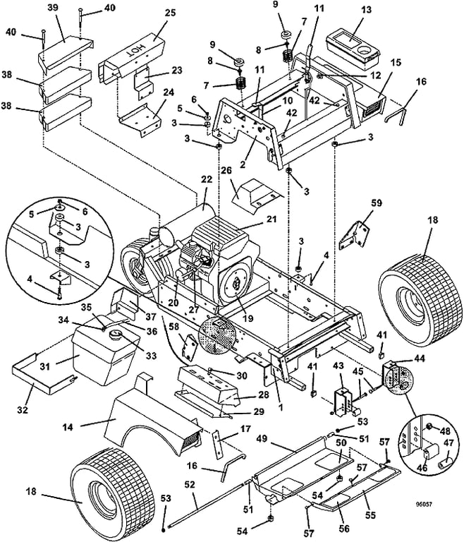
| 1 | 644229 - 718/718K Lower Frame | Call For Details | |
| 2 | 643868 - 96 Air Cooled Upper Frame | Call For Details | |
| 3 | 257037 - Step Bushing | Add To Cart | |
| 4 | 243220 - Hex Bolt | Add To Cart | |
| 5 | 774020 - Washer | Add To Cart | |
| 6 | 253450 - Nut with Nylon Insert | Add To Cart | |
| 7 | 283516 - Compression Spring | Add To Cart | |
| 8 | 253203 - Flange Whiz Bolt | Add To Cart | |
| 9 | 422127 - Seat Spring Cap | Add To Cart | |
| 10 | 603821 - Throttle Assembly | Add To Cart | |
| - | 323655 - Control Cable Assembly | Add To Cart | |
| - | 722009 - Throttle Lever Stop | Add To Cart | |
| 11 | 422150 - Handle Grip | Add To Cart | |
| 12 | 902280 - Spacer | Add To Cart | |
| - | 243330 - Hex Bolt | Add To Cart | |
| - | 257040 - Washer | Add To Cart | |
| 13 | 422040 - Tool Box | Add To Cart | |
| 14 | 693210 - 700/900 right Fender with Safety Decal | Add To Cart | |
| - | 163214 - 718K right Trim Decal | Call For Details | |
| - | 163454 - 720K right Trim Decal | Call For Details | |
| - | 163236 - 725K right Trim Decal | Call For Details | |
| 15 | 693211 - 700/900 left Fender with Safety Decal | Add To Cart | |
| - | 163215 - 718K left Trim Decal | Call For Details | |
| - | 163455 - 720K left Trim Decal | Call For Details | |
| - | 163237 - 725K left Trim Decal | Call For Details | |
| 16 | 822635 - 700/900 Fender Edge Trim | Add To Cart | |
| 17 | 722062 - right Fender Cover Panel | Add To Cart | |
| 18 | 483921 - 20 x 10 x 8 Tan Wheel Turf Tire | Add To Cart | |
| - | 482471 - 20 x 10 x 8 Turf Tire | Call For Details | |
| - | 482478 - 21 x 11 x 8 Bar Tread Tire | Call For Details | |
| - | 483410 - 5-Bolt 8 x 6 Wheel | Add To Cart | |
| - | 483415 - 5-Bolt 8 x 9.125 Wheel | Add To Cart | |
| - | 483930 - 21 x 11 x 8 right Wheel Bar Tread Tire | Add To Cart | |
| - | 483931 - 21 x 11 x 8 left Wheel Bar Tread Tire | Add To Cart | |
| 19 | 100142 - Kohler 18hp Overhead Valve Engine | Call For Details | |
| - | 100161 - Kohler 20hp Overhead Valve Engine | Call For Details | |
| 20 | 100802 - Kohler Oil Filter | Add To Cart | |
| 21 | 100928 - Kohler Air Filter | Call For Details | |
| - | 100929 - Kohler 20hp Air Pre-cleaner Filter | Call For Details | |
| 22 | 101217 - Kohler Muffler | Call For Details | |
| - | 101041 - Kohler Exhaust Gasket | Add To Cart | |
| 23 | 643117 - Shield Mount Bracket | Add To Cart | |
| 24 | 729270 - Lower Muffler Bracket | Add To Cart | |
| 25 | 722391 - Muffler Shield | Add To Cart | |
| 26 | 693782 - Intake Shield with Decal | Add To Cart | |
| 27 | 101001 - Kohler Fuel Filter | Call For Details | |
| 28 | 693100 - Console with Decal for Air-Cooled Engines | Call For Details | |
| 29 | 721152 - 96 Side Console Fill Panel | Add To Cart | |
| 30 | 142233 - Mechanical Choke | Add To Cart | |
| 31 | 603813 - Fuel Tank Assembly with Draw Tube | Add To Cart | |
| 32 | 643144 - Fuel Tank Mounting Bracket | Add To Cart | |
| 33 | 141125 - Cap with Fuel Level | Add To Cart | |
| 34 | 101819 - Fuel Draw Tube | Add To Cart | |
| 35 | 280260 - Spring Hose Clamp | Add To Cart | |
| 36 | 821710 - Fuel Line Hose | Add To Cart | |
| 37 | 721123 - right Fuel Tank Heat Shield | Add To Cart | |
| 38 | 323933 - 34 lb. Counterweight | Add To Cart | |
| 39 | 729514 - 34 lb. Weight Cover | Call For Details | |
| 40 | 247325 - Carriage Bolt | Add To Cart | |
| 41 | 422065 - 1 inch ID Square Plastic Plug | Add To Cart | |
| 42 | 424015 - Rubber Bumper | Add To Cart | |
| 43 | 643092 - 700/900 right Quick Disconnect Deck Mount | Add To Cart | |
| 44 | 643093 - 700/900 left Quick Disconnect Deck Mount | Add To Cart | |
| 45 | 247280 - Special Carriage Bolt | Add To Cart | |
| 46 | 282575 - Deck Mount Bushing | Add To Cart | |
| 47 | 282576 - Floating Deck Mount Bushing | Add To Cart | |
| 48 | 253460 - Nut with Nylon Insert | Add To Cart | |
| 49 | 604346 - 700/900 Adjustable Foot Platform Assembly | Add To Cart | |
| 50 | 420905 - Foot Rest Tread | Add To Cart | |
| 51 | 422615 - Nylon Bearing | Add To Cart | |
| 52 | 780673 - Foot Rest Pivot Rod | Call For Details | |
| 53 | 253470 - Nylon Insert Nut | Add To Cart | |
| 54 | 424052 - Rubber Bumper | Add To Cart | |
| 55 | 603301 - 700 Foot Platform Extension | Add To Cart | |
| 56 | 420904 - Foot Rest Tread Extension | Add To Cart | |
| 57 | 247130 - Carriage Bolt | Add To Cart | |
| 58 | 726131 - right ROPS Gusset | Call For Details | |
| 59 | 726132 - left ROPS Gusset | Call For Details | |
| 60 | 603266 - 718KC Decal Set | Call For Details | |
| 61 | 603274 - 720KC Decal Set | Add To Cart |