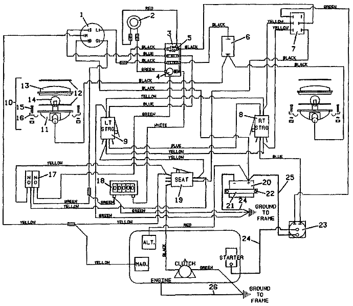
718K Wiring  Lights  - 1990
Click On a Part Number Below for Details
NOTE: If the part number you select is not linked to the shopping cart, call toll-free 866-698-4070 for availability.
| Item # | Part Number - Description | Price | |
|---|---|---|---|
| 1 | 183806 - Briggs Stratton / Kohler Key Switch | Add To Cart | |
| - | 101101 - Ignition Key with Cover | Add To Cart | |
| - | 254498 - Nut | Add To Cart | |
| - | 422078 - Plastic Panel | Add To Cart | |
| 2 | 182310 - Light Indicator | Add To Cart | |
| 3 | 182327 - Oil Indicator Light | Add To Cart | |
| 4 | 603138 - 718K Mounted Fuse Block | Call For Details | |
| 5 | 181540 - 6 amp Fuse | Call For Details | |
| 6 | 183950 - Toggle Light Switch | Add To Cart | |
| 7 | 604796 - PTO Switch Cover Assembly | Add To Cart | |
| 8 | 183865 - Safety Lever Switch | Add To Cart | |
| - | 720160 - Steering Switch Mount - right | Add To Cart | |
| 9 | 183865 - Safety Lever Switch | Add To Cart | |
| - | 720161 - Steering Switch Mount - left | Add To Cart | |
| 10 | 182265 - Worklamp Assembly (NO LONGER AVAILABLE) | Call For Details | |
| 11 | 182350 - Rectangular Lamp Housing | Call For Details | |
| 12 | 420550 - Light Assembly Gasket | Add To Cart | |
| 13 | 182400 - Rectangular Lamp Lens (NO LONGER AVAILABLE) | Call For Details | |
| 14 | 182000 - Worklamp Light Bulb | Add To Cart | |
| 15 | 250258 - Machine Screw | Add To Cart | |
| 16 | 180635 - Conduit Clip | Call For Details | |
| 17 | 183892 - Brake Interlock Switch | Call For Details | |
| 18 | 141551 - Snap-In Hour Meter | Add To Cart | |
| - | 722060 - Hour Meter Mounting Bracket | Call For Details | |
| 19 | 183865 - Safety Lever Switch | Add To Cart | |
| - | 250318 - Machine Screw | Call For Details | |
| - | 261328 - Clevis Pin | Call For Details | |
| - | 283322 - Compression Spring | Add To Cart | |
| - | 603790 - Seat Safety Switch Mount Assembly | Call For Details | |
| - | 724100 - Seat Switch Mount | Call For Details | |
| 20 | 180125 - 12 Volt Wet Battery | Add To Cart | |
| 21 | 822410 - Battery Hold-Down | Add To Cart | |
| 22 | 240115 - Hook Bolt | Add To Cart | |
| 23 | 184251 - 4 Post Solenoid Relay Switch | Add To Cart | |
| 24 | 180310 - 11 inch Red Battery Cable | Add To Cart | |
| 25 | 180322 - 24 inch Red Battery Cable | Add To Cart | |
| - | 425219 - Starter Terminal Boot | Add To Cart | |
| 26 | 180355 - 12 inch Black Battery Cable | Call For Details | |
| 27 | 603833 - 718K Wiring Group | Add To Cart |