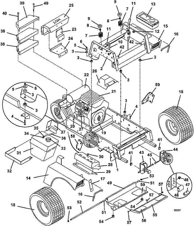
720K 725K Tractor Assembly - 1998
Click On a Part Number Below for Details
NOTE: If the part number you select is not linked to the shopping cart, call toll-free 866-698-4070 for availability.
Item # | Part Number - Description | Price | |
---|---|---|---|
1 | 644229 - 718/718K Lower Frame | Call For Details | |
2 | 643868 - 96 Air Cooled Upper Frame | Call For Details | |
3 | 257037 - Step Bushing | Add To Cart | |
4 | 243220 - Hex Bolt | Add To Cart | |
5 | 774020 - Washer | Add To Cart | |
6 | 253450 - Nut with Nylon Insert | Add To Cart | |
7 | 283516 - Compression Spring | Add To Cart | |
8 | 253203 - Flange Whiz Bolt | Add To Cart | |
9 | 422127 - Seat Spring Cap | Add To Cart | |
10 | 603821 - Throttle Assembly | Add To Cart | |
- | 323655 - Control Cable Assembly | Add To Cart | |
- | 722009 - Throttle Lever Stop | Add To Cart | |
11 | 422150 - Handle Grip | Add To Cart | |
12 | 902280 - Spacer | Add To Cart | |
- | 243330 - Hex Bolt | Add To Cart | |
- | 257040 - Washer | Add To Cart | |
13 | 422040 - Tool Box | Add To Cart | |
14 | 693210 - 700/900 right Fender with Safety Decal | Add To Cart | |
- | 163454 - 720K right Trim Decal | Call For Details | |
- | 163236 - 725K right Trim Decal | Call For Details | |
15 | 693211 - 700/900 left Fender with Safety Decal | Add To Cart | |
- | 163455 - 720K left Trim Decal | Call For Details | |
- | 163237 - 725K left Trim Decal | Call For Details | |
16 | 822635 - 700/900 Fender Edge Trim | Add To Cart | |
17 | 722062 - right Fender Cover Panel | Add To Cart | |
18 | 483921 - 20 x 10 x 8 Tan Wheel Turf Tire | Add To Cart | |
- | 482472 - 20 x 10 x 8 Turf Tire | Add To Cart | |
- | 482478 - 21 x 11 x 8 Bar Tread Tire | Call For Details | |
- | 483410 - 5-Bolt 8 x 6 Wheel | Add To Cart | |
- | 483415 - 5-Bolt 8 x 9.125 Wheel | Add To Cart | |
- | 483930 - 21 x 11 x 8 right Wheel Bar Tread Tire | Add To Cart | |
- | 483931 - 21 x 11 x 8 left Wheel Bar Tread Tire | Add To Cart | |
19 | 100161 - Kohler 20hp Engine | Call For Details | |
- | 100168 - Kohler 25hp Engine | Call For Details | |
20 | 100802 - Kohler Oil Filter | Add To Cart | |
21 | 100928 - Kohler Air Filter | Call For Details | |
- | 100929 - Kohler 20hp Air Pre-cleaner Filter | Call For Details | |
- | 100934 - Kohler 25hp Air Filter Element Assembly | Call For Details | |
- | 100935 - Kohler 25hp Air Pre-cleaner Filter | Call For Details | |
22 | 101217 - Kohler Muffler | Call For Details | |
- | 101041 - Kohler Exhaust Gasket | Add To Cart | |
23 | 643117 - Shield Mount Bracket | Add To Cart | |
24 | 729270 - Lower Muffler Bracket | Add To Cart | |
25 | 722391 - Muffler Shield | Add To Cart | |
- | 722309 - Inner Panel Shield | Add To Cart | |
26 | 693782 - Intake Shield with Decal | Add To Cart | |
27 | 101001 - Kohler Fuel Filter | Call For Details | |
28 | 693100 - Console with Decal for Air-Cooled Engines | Call For Details | |
29 | 721152 - 96 Side Console Fill Panel | Add To Cart | |
30 | 142233 - Mechanical Choke | Add To Cart | |
31 | 603813 - Fuel Tank Assembly with Draw Tube | Add To Cart | |
32 | 643144 - Fuel Tank Mounting Bracket | Add To Cart | |
33 | 141125 - Cap with Fuel Level | Add To Cart | |
34 | 101819 - Fuel Draw Tube | Add To Cart | |
35 | 280260 - Spring Hose Clamp | Add To Cart | |
36 | 821710 - Fuel Line Hose | Add To Cart | |
37 | 721123 - right Fuel Tank Heat Shield | Add To Cart | |
38 | 323933 - 34 lb. Counterweight | Add To Cart | |
39 | 729514 - 34 lb. Weight Cover | Call For Details | |
40 | 247325 - Carriage Bolt | Add To Cart | |
41 | 422065 - 1 inch ID Square Plastic Plug | Add To Cart | |
42 | 424015 - Rubber Bumper | Add To Cart | |
43 | 643092 - 700/900 right Quick Disconnect Deck Mount | Add To Cart | |
44 | 643093 - 700/900 left Quick Disconnect Deck Mount | Add To Cart | |
45 | 247280 - Special Carriage Bolt | Add To Cart | |
46 | 282575 - Deck Mount Bushing | Add To Cart | |
47 | 282576 - Floating Deck Mount Bushing | Add To Cart | |
48 | 253460 - Nut with Nylon Insert | Add To Cart | |
49 | 604346 - 700/900 Adjustable Foot Platform Assembly | Add To Cart | |
50 | 420905 - Foot Rest Tread | Add To Cart | |
51 | 422615 - Nylon Bearing | Add To Cart | |
52 | 780673 - Foot Rest Pivot Rod | Call For Details | |
53 | 253470 - Nylon Insert Nut | Add To Cart | |
54 | 424052 - Rubber Bumper | Add To Cart | |
55 | 603301 - 700 Foot Platform Extension | Add To Cart | |
56 | 420904 - Foot Rest Tread Extension | Add To Cart | |
57 | 247130 - Carriage Bolt | Add To Cart | |
58 | 726131 - right ROPS Gusset | Call For Details | |
59 | 726132 - left ROPS Gusset | Call For Details | |
60 | 603274 - 720KC Decal Set | Add To Cart | |
61 | 603277 - 725KC Decal Set | Call For Details |