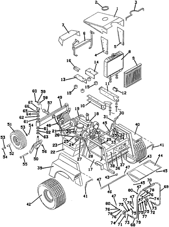
721 Tractor Assembly  - 1988
Click On a Part Number Below for Details
NOTE: If the part number you select is not linked to the shopping cart,call toll-free 866-698-4070 for availability.
| Item # | Part Number - Description | Price | |
|---|---|---|---|
| 1 | 643409 - Hood Panel | Call For Details | |
| 2 | 822633 - Hood Panel Hole Trim | Call For Details | |
| 3 | 822650 - Hood Panel / Console Hole Trim | Call For Details | |
| 4 | 643794 - right Cowling Support | Call For Details | |
| 5 | 643793 - left Cowling Support | Call For Details | |
| 6 | 643797 - rear Hood Support | Add To Cart | |
| 7 | 643766 - Clutch Shield | Add To Cart | |
| 8 | 101605 - Kubota Radiator | Call For Details | |
| 9 | 643400 - Radiator Grille | Call For Details | |
| 10 | 643604 - Lower right Engine Mount | Add To Cart | |
| 11 | 643605 - Lower left Engine Mount | Add To Cart | |
| 12 | 185530 - 12v Voltage Regulator | Add To Cart | |
| 13 | 643292 - Upper right Engine Mount | Add To Cart | |
| 14 | 643291 - Upper left Engine Mount | Add To Cart | |
| 15 | 424078 - Vibration Isolator | Add To Cart | |
| 16 | 724091 - Coil Bracket | Add To Cart | |
| 17 | 643392 - 718D/721 Tractor Frame | Call For Details | |
| 18 | 100175 - Kubota Gas Engine | Call For Details | |
| 19 | 603590 - Muffler & Gasket Assembly | Add To Cart | |
| 20 | 100940 - Kubota Air Filter | Call For Details | |
| 21 | 424519 - Formed Air Intake Hose | Add To Cart | |
| 22 | 603817 - Gasoline Fuel Tank Assembly (Brown) | Add To Cart | |
| 23 | 643144 - Fuel Tank Mounting Bracket | Add To Cart | |
| 24 | 141125 - Cap with Fuel Level | Add To Cart | |
| 25 | 101818 - Fuel Draw Tube | Add To Cart | |
| 26 | 280270 - Screw-type Hose Clamp | Add To Cart | |
| 27 | 821713 - Fuel Line Hose | Add To Cart | |
| 28 | 101005 - Kubota Fuel Pre-Filter | Call For Details | |
| 29 | 604823 - 721/725/725G2 Throttle Assembly | Add To Cart | |
| - | 604820 - Throttle Cable Replacement Kit | Add To Cart | |
| 30 | 422150 - Handle Grip | Add To Cart | |
| 31 | 643511 - Brake Lever | Add To Cart | |
| 32 | 730291 - Brake Linkage Rod | Call For Details | |
| 33 | 824646 - Brake Linkage Strap | Add To Cart | |
| 34 | 254441 - Nut | Add To Cart | |
| 35 | 260520 - Hair Pin | Add To Cart | |
| 36 | 623241 - 721 Console | Call For Details | |
| 37 | 721076 - Console Front Panel | Call For Details | |
| 38 | 142224 - Mechanical Choke Housing | Add To Cart | |
| 39 | 643352 - 700 Series right Fender | Call For Details | |
| - | 163208 - 721 right Trim Decal | Call For Details | |
| 40 | 643353 - 700 Series left Fender | Call For Details | |
| - | 163209 - 721 left Trim Decal | Call For Details | |
| 41 | 822635 - 700/900 Fender Edge Trim | Add To Cart | |
| 42 | 483921 - 20 x 10 x 8 Tan Wheel & Turf Tire | Add To Cart | |
| - | 483410 - 5-Bolt 8 x 6 Wheel | Add To Cart | |
| 43 | 422065 - 1 inch ID Square Plastic Plug | Add To Cart | |
| 44 | 603345 - Foot Rest | Call For Details | |
| 45 | 424015 - Rubber Bumper | Add To Cart | |
| 46 | 780658 - Foot Rest Pivot Rod | Call For Details | |
| 47 | 260652 - Cotter Pin | Add To Cart | |
| 48 | 604597 - rear Axle Pivot Assembly | Add To Cart | |
| 49 | 824510 - Dual Wheel Beam | Add To Cart | |
| 50 | 604364 - Rear Fork & Lock Nut Assembly | Add To Cart | |
| 51 | 483861 - 13 x 5 x 6 Wheel & Tire with Bearing & Spacer | Add To Cart | |
| - | 482350 - 13 x 5.00 x 6 Tubeless Ribbed Tire | Add To Cart | |
| - | 483301 - 6 x 3.25 Tan Wheel with Bearing & Spacer | Add To Cart | |
| 52 | 902475 - Rear Wheel Bearing Spacer | Add To Cart | |
| 53 | 120050 - Ball Bearing | Add To Cart | |
| 54 | 902425 - Axle Spacer | Add To Cart | |
| 55 | 247725 - Carriage Bolt | Add To Cart | |
| 56 | 253970 - Lock Nut | Add To Cart | |
| 57 | 833275 - Reamed Oilite Bearing | Add To Cart | |
| 58 | 257061 - Washer | Add To Cart | |
| 59 | 257432 - Lock Washer | Add To Cart | |
| 60 | 243560 - Hex Bolt | Add To Cart | |
| 61 | 123522 - Bearing Cup | Add To Cart | |
| 62 | 122522 - Tapered Bearing | Add To Cart | |
| 63 | 125855 - Seal | Add To Cart | |
| 64 | 257091 - 14 GA Bushing Washer | Add To Cart | |
| 65 | 254502 - Nut | Add To Cart | |
| 66 | 260670 - Cotter Pin | Add To Cart | |
| 67 | 481432 - Dust Cap | Add To Cart | |
| 68 | 643506 - right 700 Series Steering Lever | Call For Details | |
| 69 | 643507 - left 700 Series Steering Lever | Call For Details | |
| 70 | 422160 - Handle Grip | Add To Cart | |
| 71 | 643658 - right Steering Lever Pivot | Call For Details | |
| 72 | 643659 - left Steering Lever Pivot | Call For Details | |
| 73 | 422580 - Nylon Bearing | Add To Cart | |
| 74 | 422560 - Nylon Bearing | Add To Cart | |
| 75 | 257067 - Washer | Add To Cart | |
| 76 | 257063 - Washer | Add To Cart | |
| 77 | 283381 - Compression Spring | Add To Cart | |
| 78 | 283324 - Compression Spring | Add To Cart | |
| 79 | 830355 - Slotted Flange Nut | Call For Details | |
| 80 | 253470 - Nut with Nylon Insert | Add To Cart | |
| 81 | 603271 - 721 Decal Set | Call For Details |