721 Wiring & Lights - 1999
Click On a Part Number Below for Details
NOTE: If the part number you select is not linked to the shopping cart,call toll-free 866-698-4070 for availability.
| Item # | Part Number - Description | Price | |
|---|---|---|---|
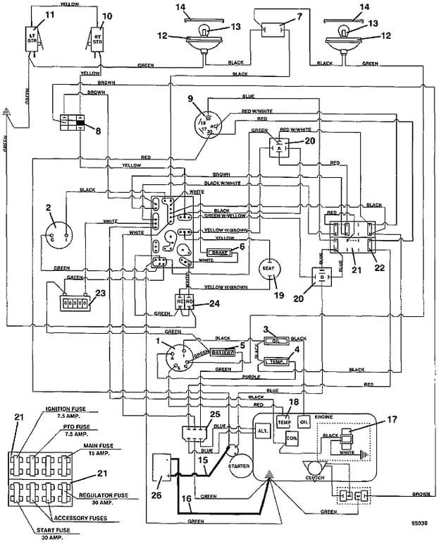
| 1 | 141160 - Zoned Electric Temperature Gauge | Add To Cart | |
| 2 | 141200 - Voltimeter Gauge | Add To Cart | |
| 3 | 182327 - Oil Indicator Light | Add To Cart | |
| 4 | 182328 - Temperature Indicator Light | Add To Cart | |
| 5 | 182325 - Battery Indicator Light | Add To Cart | |
| 6 | 182326 - Brake Indicator Light | Add To Cart | |
| 7 | 184179 - Rocker Switch | Add To Cart | |
| 8 | 183925 - Push/Pull Switch | Add To Cart | |
| 9 | 183827 - Kubota Sealed Key Switch | Add To Cart | |
| 10 | 183860 - Lever Switch | Add To Cart | |
| - | 720160 - right Steering Switch Mount | Add To Cart | |
| 11 | 183860 - Lever Switch | Add To Cart | |
| - | 720161 - left Steering Switch Mount | Add To Cart | |
| 12 | 182253 - Flood Worklamp | Add To Cart | |
| 13 | 182005 - Worklamp Light Bulb | Add To Cart | |
| 14 | 182251 - Snap-Mount Worklamp Bezel | Add To Cart | |
| 15 | 180310 - 11 inch Red Battery Cable | Add To Cart | |
| - | 425219 - Starter Terminal Boot | Add To Cart | |
| 16 | 180276 - 16 inch Black Battery Cable | Add To Cart | |
| 17 | 101510 - Electric Fuel Pump | Call For Details | |
| 18 | 141222 - Temperature Sender | Add To Cart | |
| 19 | 183870 - Seat Switch | Add To Cart | |
| 20 | 184272 - 12v DC Relay | Add To Cart | |
| - | 184570 - Type 1 6mm Push-On | Add To Cart | |
| - | 184581 - .250 Fast-On Terminal | Add To Cart | |
| - | 184926 - 5 Way Female Connector | Add To Cart | |
| 21 | 181722 - Fuse Block | Add To Cart | |
| - | 184458 - 1 Wire Fuse Clip | Add To Cart | |
| - | 184460 - 2 Wire Fuse Clip | Add To Cart | |
| - | 184472 - Double Fuse Clip | Add To Cart | |
| 22 | 181470 - 30 amp ATC Auto Fuse | Add To Cart | |
| - | 181465 - 15 amp ATC Auto Fuse | Add To Cart | |
| - | 181460 - 7.5 amp ATC Auto Fuse | Add To Cart | |
| 23 | 141551 - Snap-In Hour Meter | Add To Cart | |
| 24 | 183894 - Brake Interlock Switch | Add To Cart | |
| 25 | 185530 - 12v Voltage Regulator | Add To Cart | |
| 26 | 180130 - 12 Volt Side Post Wet Battery | Call For Details | |
| - | 603104 - Battery Box Assembly with Strap | Add To Cart | |
| - | 603570 - Battery Box Lid Assembly | Add To Cart | |
| - | 603110 - Battery Hold-Down Strap | Add To Cart | |
| 27 | 604976 - '96 721/725 Console Wiring Assembly | Add To Cart | |
| 28 | 161132 - 721/725 Console Decal | Add To Cart |