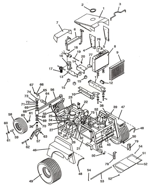
721D 21HP Kubota Diesel Tractor Assembly  - 1994
Click On a Part Number Below for Details
NOTE: If the part number you select is not linked to the shopping cart, call toll-free 866-698-4070 for availability.
| Item # | Part Number - Description | Price | |
|---|---|---|---|
| 1 | 643480 - Hood | Call For Details | |
| 2 | 822633 - Trim | Call For Details | |
| 3 | 822650 - Trim | Call For Details | |
| 4 | 643799 - Grille Support - Right | Call For Details | |
| 5 | 643800 - Grille Support - Left | Call For Details | |
| 6 | 643797 - Rear Hood Support | Add To Cart | |
| 7 | 643766 - Clutch Shield | Add To Cart | |
| 8 | 101610 - Radiator | Add To Cart | |
| 9 | 643401 - Grille | Call For Details | |
| 10 | 643604 - Lower Engine Mount - Right | Add To Cart | |
| 11 | 643605 - Lower Engine Mount - Left | Add To Cart | |
| 12 | 185530 - Voltage Regulator | Add To Cart | |
| 13 | 643292 - Upper Engine Mount - Right | Add To Cart | |
| 14 | 643291 - Upper Engine Mount - Left | Add To Cart | |
| 15 | 424078 - Vibration Isolator | Add To Cart | |
| 16 | 643591 - Mount - Fuel Solenoid/Filter | Add To Cart | |
| 17 | 101000 - Fuel Filter | Call For Details | |
| 18 | 603350 - Fuel Solenoid | Add To Cart | |
| 19 | 603209 - Cable Assembly - Fuel Solenoid | Add To Cart | |
| 20 | 265610 - Ball Joint | Add To Cart | |
| 21 | 643394 - Tractor Frame | Call For Details | |
| 22 | 100176 - Engine - Kubota Diesel | Call For Details | |
| 23 | 603590 - Muffler & Gasket Assembly | Add To Cart | |
| 24 | 100940 - Air Filter | Call For Details | |
| 25 | 424515 - Air Intake Hose | Add To Cart | |
| 26 | 603812 - Fuel Tank Assembly | Add To Cart | |
| 27 | 643144 - Mounting Bracket | Add To Cart | |
| 28 | 141125 - Fuel Cap w/Level | Add To Cart | |
| 29 | 101818 - Fuel Draw Tube | Add To Cart | |
| 30 | 280261 - Clamp | Add To Cart | |
| 31 | 821713 - Hose | Add To Cart | |
| 32 | 101005 - Fuel Pre Filter | Call For Details | |
| 33 | 363825 - Fitting | Add To Cart | |
| 34 | 280257 - Clamp | Add To Cart | |
| 35 | 821740 - Return Fuel Line Hose | Add To Cart | |
| 36 | 100800 - Oil Filter | Add To Cart | |
| 37 | 603855 - Throttle Assembly | Add To Cart | |
| - | 604821 - Cable Control Assembly | Add To Cart | |
| - | 722009 - Throttle Lever Stop | Add To Cart | |
| 38 | 729046 - Brake Lever | Call For Details | |
| - | 423705 - Spacer | Add To Cart | |
| 39 | 422150 - Handle Grip | Add To Cart | |
| 40 | 730361 - Rod | Add To Cart | |
| 41 | 424015 - Rubber Bumper | Add To Cart | |
| 42 | 902280 - Spacer | Add To Cart | |
| - | 243330 - Bolt | Add To Cart | |
| - | 257040 - Washer | Add To Cart | |
| 43 | 260648 - Cotter Pin | Add To Cart | |
| 44 | 643197 - Console | Call For Details | |
| 45 | 721136 - Filler Panel - Side Console | Add To Cart | |
| 46 | 643959 - Fender - Right | Call For Details | |
| 47 | 643963 - Fender - Left | Call For Details | |
| 48 | 822635 - Fender Edge Trim | Add To Cart | |
| 49 | 483921 - Wheel & Tire Assembly - 20 x 10 x 8 | Add To Cart | |
| - | 483410 - Wheel - 8 x 6 | Add To Cart | |
| - | 482471 - Turf Tire - 20 x 10 x 8 | Call For Details | |
| - | 483930 - Wheel & Tire - Bar Tread - Right - 21 x 11 x 8 | Add To Cart | |
| - | 483931 - Wheel & Tire - Bar Tread - Left - 21 x 11 x 8 | Add To Cart | |
| - | 483415 - Wheel - 8 x 9.125 | Add To Cart | |
| - | 482480 - Tire - Bar Tread - 21 x 11 x 8 | Call For Details | |
| 50 | 422065 - Plug | Add To Cart | |
| 51 | 603343 - Foot Platform Assembly | Call For Details | |
| 52 | 420905 - Tread | Add To Cart | |
| 53 | 422615 - Nylon Bearing | Add To Cart | |
| 54 | 780673 - Pivot Rod | Call For Details | |
| 55 | 253470 - Nut w/Nylon Insert | Add To Cart | |
| 56 | 424052 - Rubber Bumper | Add To Cart | |
| 57 | 603301 - Extension | Add To Cart | |
| 58 | 420904 - Tread | Add To Cart | |
| 59 | 247130 - Carriage Bolt | Add To Cart | |
| 60 | 643138 - Attachment Mount - Right | Add To Cart | |
| 61 | 643139 - Attachment Mount - Left | Add To Cart | |
| 62 | 101054 - Radiator Hose - Upper | Call For Details | |
| 63 | 101055 - Radiator Hose - Lower | Call For Details | |
| 64 | 422012 - Expansion Tank | Add To Cart | |
| 65 | 821748 - Hose | Add To Cart | |
| 66 | 821749 - Hose | Add To Cart | |
| 67 | 280260 - Clamp | Add To Cart | |
| 68 | 722062 - Cover Panel - Fender | Add To Cart | |
| - | 603272 - Decal Set - 721D | Add To Cart |