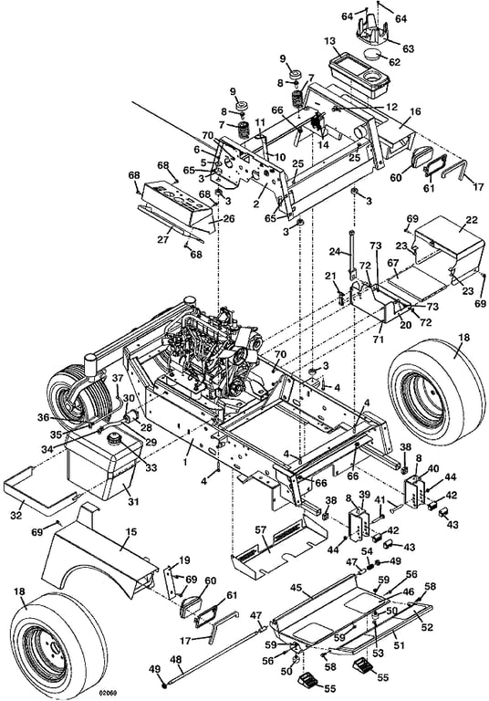
721D Tractor Assembly - 2003
Click On a Part Number Below for Details
NOTE: If the part number you select is not linked to the shopping cart, call toll-free 866-698-4070 for availability.
| Item # | Part Number - Description | Price | |
|---|---|---|---|
| 1 | 644230 - Tractor Frame - Lower | Call For Details | |
| 2 | 643869 - Tractor Frame - Upper | Call For Details | |
| 3 | 257037 - Rubber Step Bushing | Add To Cart | |
| 4 | 243220 - Bolt | Add To Cart | |
| 5 | 774020 - Washer | Add To Cart | |
| 6 | 253450 - Nut - Nylon Insert | Add To Cart | |
| 7 | 283516 - Seat Spring | Add To Cart | |
| 8 | 253203 - Whiz Bolt | Add To Cart | |
| 9 | 422127 - Seat Spring Cap | Add To Cart | |
| 10 | 603855 - Throttle Assembly (Incl. Cable Assy) | Add To Cart | |
| - | 323622 - Cable Assembly | Add To Cart | |
| - | 722009 - Throttle Lever Stop | Add To Cart | |
| 11 | 422150 - Handle Grip | Add To Cart | |
| 12 | 902280 - Spacer | Add To Cart | |
| - | 243330 - Bolt | Add To Cart | |
| - | 257040 - Washer | Add To Cart | |
| 13 | 422040 - Tool Box | Add To Cart | |
| 14 | 185530 - Voltage Regulator 12V | Add To Cart | |
| 15 | 693210 - Fender - Right | Add To Cart | |
| 16 | 693211 - Fender - Left | Add To Cart | |
| 17 | 822635 - Trim - Fender Edge | Add To Cart | |
| 18 | 483921 - Tire & Wheel - Turf - 20 x 10 x8 | Add To Cart | |
| - | 483410 - Wheel - 8 x 6 | Add To Cart | |
| - | 482482 - Tire - Turf - 20 x 10 x 8 | Call For Details | |
| - | 483930 - Tire & Wheel - Right - Bar Tread - 21 x 11 x 8 | Add To Cart | |
| - | 483931 - Tire & Wheel - Left - Bar Tread - 21 x 11 x 8 | Add To Cart | |
| - | 483415 - Wheel - 8 x 9.125 | Add To Cart | |
| - | 482478 - Tire - Bar Tread - 21 x 11 x 8 | Call For Details | |
| 19 | 722062 - Cover Panel | Add To Cart | |
| 20 | 603104 - Battery Box | Add To Cart | |
| 21 | 281301 - Rubber Draw Latch | Add To Cart | |
| 22 | 603570 - Battery Box Lid Assembly | Add To Cart | |
| 23 | 424030 - Rubber Bumper | Add To Cart | |
| 24 | 603110 - Battery Hold Down Strap | Add To Cart | |
| 25 | 424015 - Rubber Bumper | Add To Cart | |
| 26 | 693104 - Console | Add To Cart | |
| 27 | 721152 - Fill Panel - Console | Add To Cart | |
| 28 | 101005 - Fuel Prefilter | Call For Details | |
| 29 | 821713 - Fuel Line | Add To Cart | |
| 30 | 280261 - Spring - Hose Clamp | Add To Cart | |
| 31 | 603812 - Fuel Tank w/Draw Tube | Add To Cart | |
| 32 | 643144 - Fuel Tank Mounting Bracket | Add To Cart | |
| 33 | 141125 - Cap w/Fuel Gauge | Add To Cart | |
| 34 | 101818 - Fuel Draw Tube | Add To Cart | |
| 35 | 101817 - Barb Fitting | Add To Cart | |
| 36 | 280257 - Hose Clamp | Add To Cart | |
| 37 | 821740 - Fuel Return Line | Add To Cart | |
| 38 | 422065 - Square Plug - 1' | Add To Cart | |
| 39 | 643092 - Deck Mount - Right | Add To Cart | |
| 40 | 643093 - Deck Mount - Left | Add To Cart | |
| 41 | 247280 - Bolt - Carriage Special | Add To Cart | |
| 42 | 282575 - Deck Mount Bushing | Add To Cart | |
| 43 | 282576 - Deck Mount Bushing - Floating Option | Add To Cart | |
| 44 | 253460 - Nut - Nylon Insert | Add To Cart | |
| 45 | 604346 - Foot Rest w/Tread, Bearing & Blocks | Add To Cart | |
| 46 | 420905 - Foot Rest Tread | Add To Cart | |
| 47 | 422615 - Nylon Bushing | Add To Cart | |
| 48 | 780673 - Thread Rod - Foot Platform | Call For Details | |
| 49 | 253470 - Nut - Nylon Insert | Add To Cart | |
| 50 | 424052 - Rubber Bumper | Add To Cart | |
| 51 | 603301 - Foot Rest Extension w/Tread | Add To Cart | |
| 52 | 420904 - Foot Rest Extension Tread | Add To Cart | |
| 53 | 247130 - Carriage Bolt | Add To Cart | |
| 54 | 283312 - Compression Spring | Add To Cart | |
| 55 | 424100 - Isolator Block | Add To Cart | |
| 56 | 243026 - Bolt | Add To Cart | |
| 57 | 721243 - Screen - Hydro Fan | Add To Cart | |
| 58 | 253192 - Bolt | Add To Cart | |
| 59 | 253035 - Whiz Nut | Add To Cart | |
| 60 | 182253 - Work Lamp | Add To Cart | |
| 61 | 182251 - Bezel - Snap Mount | Add To Cart | |
| 62 | 422066 - Hole Plug | Add To Cart | |
| 63 | 150225 - Adjustable Cup Holder | Add To Cart | |
| 64 | 259030 - Cap Screw - Nylon | Add To Cart | |
| - | 254436 - Nut - Nylon | Add To Cart | |
| 65 | 254431 - Speed Nut | Add To Cart | |
| 66 | 253043 - Whiz Nut | Add To Cart | |
| 67 | 427275 - Pad - Battery Tray | Add To Cart | |
| 68 | 253173 - Whiz Bolt | Add To Cart | |
| 69 | 253175 - Whiz Bolt | Add To Cart | |
| 70 | 253025 - Whiz Nut | Add To Cart | |
| 71 | 253176 - Bolt | Add To Cart | |
| 72 | 257020 - Washer | Add To Cart | |
| 73 | 253440 - Nut w/Nylon Insert | Add To Cart | |
| - | 604298 - Decal Set - 721D | Call For Details |