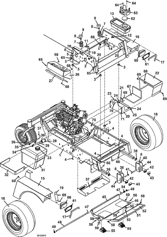
721D Tractor Assembly  - 2004
Click On a Part Number Below for Details
NOTE: If the part number you select is not linked to the shopping cart, call toll-free 866-698-4070 for availability.
| Item # | Part Number - Description | Price | |
|---|---|---|---|
| 1 | 644230 - 700 Frame | Call For Details | |
| 2 | 643869 - 97 Upper Frame | Call For Details | |
| 3 | 257037 - Step Bushing | Add To Cart | |
| 4 | 243220 - Hex Bolt | Add To Cart | |
| 5 | 774020 - Washer | Add To Cart | |
| 6 | 253450 - Nylon Insert Nut | Add To Cart | |
| 7 | 283516 - Compression Spring | Add To Cart | |
| 8 | 253203 - Whiz Flange Bolt | Add To Cart | |
| 9 | 422127 - Seat Spring Cap | Add To Cart | |
| 10 | 603855 - 721D/721D2 Throttle Assembly | Add To Cart | |
| - | 323622 - Control Cable Assembly | Add To Cart | |
| - | 722009 - Throttle Lever Stop | Add To Cart | |
| 11 | 422150 - Handle Grip | Add To Cart | |
| 12 | 902280 - Spacer | Add To Cart | |
| - | 243330 - Hex Bolt | Add To Cart | |
| - | 257040 - Washer | Add To Cart | |
| 13 | 422040 - Tool Box | Add To Cart | |
| 14 | 185530 - 12v Voltage Regulator | Add To Cart | |
| 15 | 693210 - 700/900 right Fender with Safety Decal | Add To Cart | |
| - | 163220 - 721D right Trim Decal | Call For Details | |
| 16 | 693211 - 700/900 left Fender with Safety Decal | Add To Cart | |
| - | 163221 - 721D left Trim Decal | Call For Details | |
| 17 | 822635 - 700/900 Fender Edge Trim | Add To Cart | |
| 18 | 483921 - 20 x 10 x 8 Tan Wheel Turf Tire | Add To Cart | |
| - | 482472 - 20 x 10 x 8 Turf Tire | Add To Cart | |
| - | 482478 - 21 x 11 x 8 Bar Tread Tire | Call For Details | |
| - | 483410 - 5-Bolt 8 x 6 Wheel | Add To Cart | |
| - | 483415 - 5-Bolt 8 x 9.125 Wheel | Add To Cart | |
| - | 483930 - 21 x 11 x 8 right Wheel Bar Tread Tire | Add To Cart | |
| - | 483931 - 21 x 11 x 8 left Wheel Bar Tread Tire | Add To Cart | |
| 19 | 722062 - right Fender Cover Panel | Add To Cart | |
| 20 | 644163 - Battery Box Assembly without Draw Latch | Add To Cart | |
| 21 | 754135 - Battery Hold-Down Bracket | Add To Cart | |
| 22 | 644478 - Battery Box Lid without Latch | Add To Cart | |
| 23 | 257020 - Washer | Add To Cart | |
| 24 | 253440 - Nut with Nylon Insert | Add To Cart | |
| 25 | 424015 - Rubber Bumper | Add To Cart | |
| 26 | 693104 - Console with Decal for Liquid-Cooled Diesel Engines | Add To Cart | |
| 27 | 721152 - 96 Side Console Fill Panel | Add To Cart | |
| 28 | 101005 - Kubota Fuel Pre-Filter | Call For Details | |
| 29 | 821713 - Fuel Line Hose | Add To Cart | |
| 30 | 280261 - Spring Hose Clamp | Add To Cart | |
| 31 | 603812 - Diesel Fuel Tank Assembly | Add To Cart | |
| 32 | 643144 - Fuel Tank Mounting Bracket | Add To Cart | |
| 33 | 141125 - Cap with Fuel Level | Add To Cart | |
| 34 | 101818 - Fuel Draw Tube | Add To Cart | |
| 35 | 101817 - Fuel Draw Tube | Add To Cart | |
| 36 | 280257 - Spring Hose Clamp | Add To Cart | |
| 37 | 821740 - Return Fuel Line Hose | Add To Cart | |
| 38 | 422065 - 1 inch ID Square Plastic Plug | Add To Cart | |
| 39 | 643092 - 700/900 right Quick Disconnect Deck Mount | Add To Cart | |
| 40 | 643093 - 700/900 left Quick Disconnect Deck Mount | Add To Cart | |
| 41 | 247280 - Special Carriage Bolt | Add To Cart | |
| 42 | 282575 - Deck Mount Bushing | Add To Cart | |
| 43 | 282576 - Floating Deck Mount Bushing | Add To Cart | |
| 44 | 253460 - Nylon Insert Nut | Add To Cart | |
| 45 | 604346 - 700/900 Adjustable Foot Platform Assembly | Add To Cart | |
| 46 | 420905 - Foot Rest Tread | Add To Cart | |
| 47 | 422615 - Nylon Bearing | Add To Cart | |
| 48 | 780673 - 700 Foot Platform Pivot Rod | Call For Details | |
| 49 | 253470 - Nylon Insert Nut | Add To Cart | |
| 50 | 424052 - Rubber Bumper | Add To Cart | |
| 51 | 603301 - 700 Foot Platform Extension | Add To Cart | |
| 52 | 420904 - Foot Rest Tread Extension | Add To Cart | |
| 53 | 247130 - Carriage Bolt | Add To Cart | |
| 54 | 283312 - Compression Spring | Add To Cart | |
| 55 | 424100 - Foot Rest Isolator Block | Add To Cart | |
| 56 | 243026 - Hex Bolt | Add To Cart | |
| 57 | 721243 - Hydro Fan Screen | Add To Cart | |
| 58 | 253192 - Hex Flange Whiz Bolt | Add To Cart | |
| 59 | 253035 - Whiz Nut | Add To Cart | |
| 60 | 182253 - Flood Worklamp | Add To Cart | |
| 61 | 182251 - Snap-Mount Worklamp Bezel | Add To Cart | |
| 62 | 422066 - 3.252 Inch diameter Cup Hole Plug | Add To Cart | |
| 63 | 150225 - Cup Holder | Add To Cart | |
| 64 | 259030 - Cap Screw | Add To Cart | |
| - | 254436 - Nut | Add To Cart | |
| 65 | 254431 - Speed Nut | Add To Cart | |
| 66 | 253043 - Whiz Nut | Add To Cart | |
| 67 | 427278 - Battery Tray Pad | Add To Cart | |
| 68 | 253173 - Hex Whiz Bolt | Add To Cart | |
| 69 | 253175 - Hex Whiz Bolt | Add To Cart | |
| 70 | 253025 - Whiz Nut | Add To Cart | |
| 71 | 253176 - Truss Whiz Bolt | Add To Cart | |
| 72 | 604298 - Decal Set for Model 721D with Side Console | Call For Details |