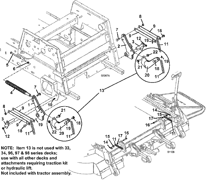
721D2 Traction Kit  - 2003
Click On a Part Number Below for Details
NOTE: If the part number you select is not linked to the shopping cart, call toll-free 866-698-4070 for availability.
| Item # | Part Number - Description | Price | |
|---|---|---|---|
| 1 | 603701 - right Rocker without Extension | Add To Cart | |
| - | 121766 - Oilite Bearing | Add To Cart | |
| 2 | 603702 - left Rocker without Extension | Add To Cart | |
| - | 121766 - Oilite Bearing | Add To Cart | |
| 3 | 644635 - Traction Kit Pin | Add To Cart | |
| 4 | 605760 - Traction Kit Spring Assembly | Add To Cart | |
| 5 | 243395 - Hex Bolt | Add To Cart | |
| 6 | 254450 - Nut | Add To Cart | |
| 7 | 247254 - Carriage Bolt | Add To Cart | |
| 8 | 253890 - Lock Nut | Add To Cart | |
| 9 | 732410 - Lift Strap for 600 Deck with SL | Add To Cart | |
| 10 | 253192 - Hex Flange Whiz Bolt | Add To Cart | |
| 11 | 820320 - Lift Chain | Add To Cart | |
| 12 | 253035 - Whiz Nut | Add To Cart | |
| 13 | 604708 - 700/900 Rocker Extension Kit | Add To Cart | |
| 14 | 260523 - Hair Pin | Add To Cart | |
| 15 | 257040 - Washer | Add To Cart | |
| 16 | 261362 - Clevis Pin | Add To Cart | |
| 17 | 262950 - Push-On Retainer | Add To Cart | |
| 18 | 261339 - Clevis Pin | Add To Cart | |
| 19 | 260648 - Cotter Pin | Add To Cart | |
| 20 | 644706 - Rocker Arm Extension | Add To Cart | |
| 21 | 253203 - Flange Whiz Bolt | Add To Cart | |
| 22 | 253043 - Whiz Nut | Add To Cart |