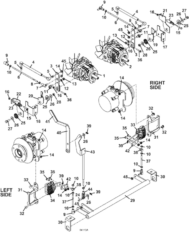
721DH2 Drive Linkage Assembly  - 2005
Click On a Part Number Below for Details
NOTE: If the part number you select is not linked to the shopping cart,call toll-free 866-698-4070 for availability.
| Item # | Part Number - Description | Price | |
|---|---|---|---|
| 1 | 391434 - H2 Left Hydro Pump | Add To Cart | |
| - | 125165 - Seal | Add To Cart | |
| - | 130020 - Square Charge Cover Seal Ring | Add To Cart | |
| 2 | 391435 - H2 Right Hydro Pump | Add To Cart | |
| - | 125165 - Seal | Add To Cart | |
| - | 130020 - Square Charge Cover Seal Ring | Add To Cart | |
| 3 | 725338 - Right Pump Control Arm | Add To Cart | |
| 4 | 285031 - Damper | Add To Cart | |
| 5 | 265680 - Ball Stud | Add To Cart | |
| 6 | 780164 - Steering Linkage Pump Rod | Add To Cart | |
| 7 | 265616 - Lefthand Thread Ball Joint | Add To Cart | |
| 8 | 254444 - Nut | Add To Cart | |
| 9 | 265615 - Righthand Thread Ball Joint | Add To Cart | |
| 10 | 254441 - Nut | Add To Cart | |
| 11 | 603726 - Eccentric Roller Assembly | Add To Cart | |
| 12 | 257410 - Washer | Add To Cart | |
| 13 | 254450 - Nut | Add To Cart | |
| 14 | 253035 - Whiz Nut | Add To Cart | |
| 15 | 243035 - Hex Bolt | Add To Cart | |
| 16 | 253025 - Whiz Nut | Add To Cart | |
| 17 | 754120 - Right Neutral Return Mount | Call For Details | |
| 18 | 754121 - Left Neutral Return Mount | Add To Cart | |
| 19 | 729138 - Right Neutral Return Arm | Add To Cart | |
| 20 | 729139 - Left Neutral Return Arm | Add To Cart | |
| 21 | 729136 - Right Neutral Return Front Arm | Add To Cart | |
| 22 | 729137 - Left Neutral Return Front Arm | Add To Cart | |
| 23 | 283823 - Extension Spring | Add To Cart | |
| 24 | 261284 - Clevis Pin | Add To Cart | |
| 25 | 822304 - Neutral Return Pivot Bearing | Add To Cart | |
| 26 | 257030 - Washer | Add To Cart | |
| 27 | 243335 - Hex Bolt | Add To Cart | |
| 28 | 253890 - Lock Nut | Add To Cart | |
| 29 | 644539 - Linkage Rod | Add To Cart | |
| 30 | 732616 - Brake Pivot Mount | Add To Cart | |
| 31 | 644588 - Brake Caliper Mount | Add To Cart | |
| 32 | 247130 - Carriage Bolt | Add To Cart | |
| 33 | 481102 - Clockwise Brake Caliper Assembly | Add To Cart | |
| - | 603150 - Brake Pad Kit | Add To Cart | |
| 34 | 481103 - Counter-Clockwise Brake Caliper Assembly | Add To Cart | |
| - | 603150 - Brake Pad Kit | Add To Cart | |
| 35 | 243195 - Hex Bolt | Add To Cart | |
| 36 | 253182 - Hex Whiz Bolt | Add To Cart | |
| 37 | 780158 - Brake Linkage Rod | Add To Cart | |
| 38 | 880926 - .312 Brake Linkage Pin | Add To Cart | |
| 39 | 260606 - Cotter Ring | Add To Cart | |
| 40 | 644035 - 700/900 Brake Lever | Call For Details | |
| 41 | 422150 - Handle Grip | Add To Cart | |
| 42 | 782851 - 700 Series Brake Strap | Add To Cart | |
| 43 | 644036 - Brake Linkage Arm | Add To Cart | |
| 44 | 265537 - Clevis Yoke | Add To Cart | |
| 45 | 253038 - Whiz Nut .312-24 | Add To Cart |