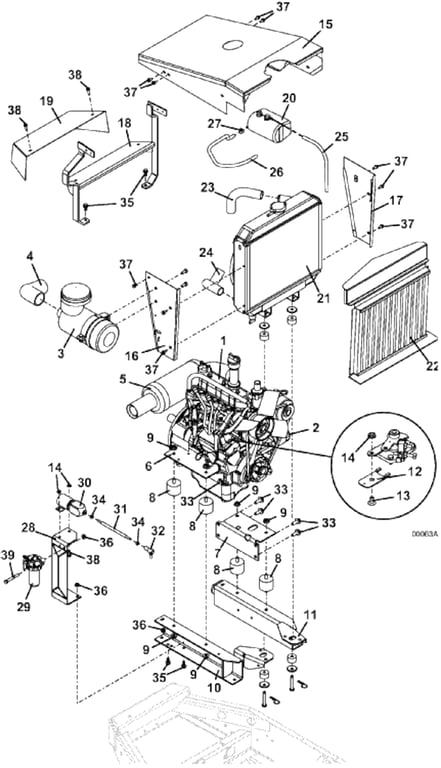
721DH2 Engine Assembly  - 2005
Click On a Part Number Below for Details
NOTE: If the part number you select is not linked to the shopping cart,call toll-free 866-698-4070 for availability.
| Item # | Part Number - Description | Price | |
|---|---|---|---|
| 1 | 100176 - Kubota Diesel Engine | Call For Details | |
| 2 | 100800 - Kubota Oil Filter | Add To Cart | |
| 3 | 100940 - Kubota Air Filter | Call For Details | |
| 4 | 424515 - Formed Air Intake Hose | Add To Cart | |
| 5 | 603590 - Muffler and Gasket Assembly | Add To Cart | |
| - | 101040 - Kubota Exhaust Flange Gasket | Add To Cart | |
| 6 | 643292 - Upper Right Engine Mount | Add To Cart | |
| 7 | 643291 - Upper Left Engine Mount | Add To Cart | |
| 8 | 424078 - Vibration Isolator | Add To Cart | |
| 9 | 253043 - Whiz Nut | Add To Cart | |
| 10 | 643604 - Lower Right Engine Mount | Add To Cart | |
| 11 | 643605 - Lower Left Engine Mount | Add To Cart | |
| 12 | 723063 - Extension Linkage | Add To Cart | |
| 13 | 253176 - Truss Whiz Bolt | Add To Cart | |
| 14 | 253025 - Whiz Nut | Add To Cart | |
| 15 | 693300 - 700 Series Hood w/Decals | Add To Cart | |
| 16 | 643799 - Right Support Grille | Call For Details | |
| 17 | 693260 - Left Support Grille w/Decal | Call For Details | |
| 18 | 643797 - Rear Hood Support | Add To Cart | |
| 19 | 643766 - Clutch Shield | Add To Cart | |
| 20 | 422012 - Expansion Tank | Add To Cart | |
| 21 | 101610 - Kubota Radiator | Add To Cart | |
| 22 | 693257 - Radiator Grille w/Guard & Decal | Add To Cart | |
| 23 | 101054 - Upper Radiator Hose | Call For Details | |
| 24 | 101055 - Lower Radiator Hose | Call For Details | |
| 25 | 821748 - Clear Vent Hose | Add To Cart | |
| 26 | 821749 - Hose | Add To Cart | |
| 27 | 280260 - Spring Hose Clamp | Add To Cart | |
| 28 | 755065 - Solenoid/Filter Mount | Call For Details | |
| 29 | 101000 - Kubota Fuel Filter | Call For Details | |
| 30 | 603350 - Fuel Solenoid Assembly | Add To Cart | |
| 31 | 603209 - Fuel Solenoid Cable Assembly | Add To Cart | |
| 32 | 265610 - Ball Joint | Add To Cart | |
| 33 | 271121 - Hex Bolt | Add To Cart | |
| 34 | 254434 - Nut | Add To Cart | |
| 35 | 253192 - Hex Flanged Whiz Bolt | Add To Cart | |
| 36 | 253035 - Whiz Nut | Add To Cart | |
| 37 | 253173 - Hex Whiz Bolt | Add To Cart | |
| 38 | 253175 - Hex Whiz Bolt | Add To Cart | |
| 39 | 253197 - Whiz Bolt | Add To Cart |