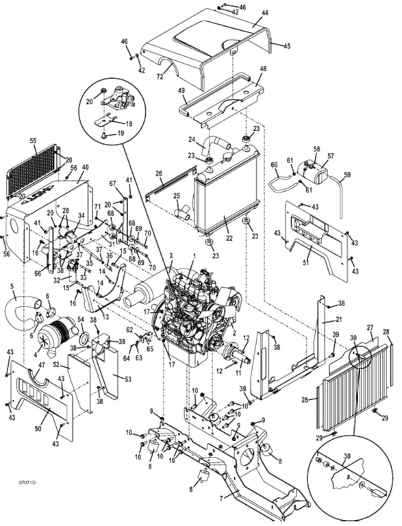
721DT Engine Assembly  - 2010-5
Click On a Part Number Below for Details
NOTE: If the part number you select is not linked to the shopping cart,call toll-free 866-698-4070 for availability.
| Item # | Part Number - Description | Price | |
|---|---|---|---|
| 1 | 100176 - Kubota Diesel Engine | Call For Details | |
| 2 | 100800 - Kubota Oil Filter | Add To Cart | |
| 3 | 603590 - Kubota Muffler & Gasket | Add To Cart | |
| - | 101040 - Kubota Exhaust Flange Gasket | Add To Cart | |
| 4 | 100208 - Air Cleaner | Add To Cart | |
| - | 100197 - Clip for Air Cleaner Cover | Add To Cart | |
| - | 100198 - NOT AVAILABLE | Call For Details | |
| - | 100202 - Dust Ejector | Call For Details | |
| - | 100218 - 4″ Air Cleaner Weather Hood | Call For Details | |
| - | 100942 - Outer HD Air Filter | Call For Details | |
| - | 100943 - Inner HD Air Filter | Call For Details | |
| 5 | 424527 - 721D Air Intake Hose | Add To Cart | |
| 6 | 280303 - Screw Type Hose Clamp | Add To Cart | |
| 7 | 644878 - 721DT Drive Train Mount | Call For Details | |
| 8 | 424073 - Vibration Isolator | Add To Cart | |
| 9 | 253043 - Whiz Nut | Add To Cart | |
| 10 | 271121 - Hex Bolt | Add To Cart | |
| 11 | 824412 - Kubota Machined Front Shaft | Add To Cart | |
| 12 | 270075 - M8 Socket Head Screw | Add To Cart | |
| 13 | 645566 - PTO/Idler Mount | Add To Cart | |
| 14 | 271023 - Hex Head | Add To Cart | |
| 15 | 271055 - Hex Head Bolt | Call For Details | |
| 16 | 253192 - Flanged Hex Head Whiz Bolt | Add To Cart | |
| 17 | 253035 - Whiz Nut | Add To Cart | |
| 18 | 723063 - Throttle Cable Extension Linkage | Add To Cart | |
| 19 | 253176 - Truss Whiz Bolt | Add To Cart | |
| 20 | 253025 - Whiz Nut | Add To Cart | |
| 21 | 644655 - Lower Radiator Mount | Add To Cart | |
| 22 | 101612 - Kubota Radiator | Call For Details | |
| 23 | 101080 - Radiator Mount Isolator Bushing | Call For Details | |
| 24 | 101058 - Upper Radiator Hose | Call For Details | |
| 25 | 101059 - Lower Radiator Hose | Call For Details | |
| 26 | 721006 - Fan Shield | Add To Cart | |
| 27 | 644668 - Grille with Guard | Add To Cart | |
| 28 | 822636 - Radiator Grille Trim | Add To Cart | |
| 29 | 422090 - Rear Belt Shield Isoaltor | Add To Cart | |
| 30 | 604805 - Swell Latch Assembly | Add To Cart | |
| 31 | 645851 - 700DT Rear Hood Support | Add To Cart | |
| 32 | 101000 - Kubota Fuel Filter | Call For Details | |
| 33 | 253197 - Whiz Bolt | Add To Cart | |
| 34 | 603350 - Fuel Solenoid Assembly | Add To Cart | |
| 35 | 603209 - Fuel Solenoid Cable Assembly | Add To Cart | |
| 36 | 265610 - Ball Joint | Add To Cart | |
| 37 | 254434 - Nut | Add To Cart | |
| 38 | 253173 - Hex Whiz Bolt | Add To Cart | |
| 39 | 253203 - Flanged Whiz Nut | Add To Cart | |
| 40 | 722932 - 721DT Hood Box Panel | Add To Cart | |
| 41 | 901324 - Hood Hinge Spacer | Add To Cart | |
| 42 | 422508 - Step Bushing | Add To Cart | |
| 43 | 253175 - Hex Whiz Bolt | Add To Cart | |
| 44 | 645315 - 721DT/321D W/A Engine Hood | Call For Details | |
| 45 | 822639 - Front Hood Trim | Add To Cart | |
| 46 | 253181 - Bolt | Add To Cart | |
| 47 | 822510 - 9.0 Air Cleaner Trim Seal | Add To Cart | |
| 48 | 729327 - Radiator Channel Clamp | Add To Cart | |
| 49 | 822518 - Hood Bulb Seal | Add To Cart | |
| 50 | 722928 - 721D Right Hood Side | Call For Details | |
| 51 | 645312 - 721DT Left Hood Side | Call For Details | |
| 52 | 644067 - Intake Box Mount | Call For Details | |
| 53 | 644071 - Intake Box Cover | Call For Details | |
| 54 | 424297 - Grommet | Add To Cart | |
| 55 | 721294 - Bolt In Grille Panel | Add To Cart | |
| 56 | 253180 - Bolt | Add To Cart | |
| 57 | 422012 - Expansion Tank | Add To Cart | |
| 58 | 423154 - Tie | Add To Cart | |
| 59 | 821748 - Clear Vent Hose | Add To Cart | |
| 60 | 821749 - Hose | Add To Cart | |
| 61 | 280260 - Hose Spring Clamp | Add To Cart | |
| 62 | 724273 - Throttle Cable Mount | Call For Details | |
| 63 | 180635 - Conduit Clip | Call For Details | |
| 64 | 250258 - Machine Screw | Add To Cart | |
| 65 | 253020 - Whiz Nut | Add To Cart | |
| 66 | 725576 - 700T Right Upright Hood Support | Call For Details | |
| 67 | 725577 - 700T Left Upright Hood Support | Call For Details | |
| 68 | 424005 - Rubber Step Bushing | Add To Cart | |
| 69 | 774020 - Washer | Add To Cart | |
| 70 | 243220 - Hex Bolt | Add To Cart | |
| 71 | 253450 - Nylon Insert Nut | Add To Cart | |
| 72 | 822630 - Seat Edge Trim | Add To Cart |