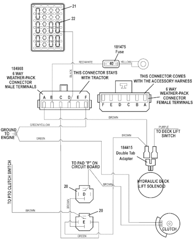
721DT Universal Wiring Harness Wiring Diagram Cont.  - 2019
Click On a Part Number Below for Details
NOTE: If the part number you select is not linked to the shopping cart,call toll-free 866-698-4070 for availability.
| Item # | Part Number - Description | Price | |
|---|---|---|---|
| 20 | 184266 - 12VDC Relay w/Diode | Add To Cart | |
| 21 | 181725 - Fuse Block | Add To Cart | |
| - | 162341 - Fuse ID Front Mount Decal | Call For Details | |
| - | 181726 - Fuse Block Cover | Add To Cart | |
| - | 184985 - Cable Seal | Call For Details | |
| - | 184986 - Cavity Plug | Call For Details | |
| - | 270821 - Hex Bolt | Add To Cart | |
| 22 | 181456 - 30 amp Fuse | Add To Cart | |
| - | 181451 - 7.5 amp Fuse | Add To Cart | |
| - | 181452 - 10 amp Fuse | Add To Cart | |
| - | 181453 - 15 amp Fuse | Add To Cart |