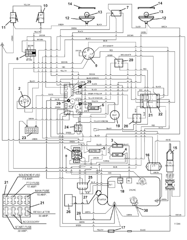
721DT Wiring & Lights  - 2012
Click On a Part Number Below for Details
NOTE: If the part number you select is not linked to the shopping cart,call toll-free 866-698-4070 for availability.
| Item # | Part Number - Description | Price | |
|---|---|---|---|
| 1 | 141165 - Zoned Electric Temperature Gauge | Add To Cart | |
| 2 | 141203 - Voltmeter Gauge | Add To Cart | |
| 3 | 182327 - Oil Indicator Light | Add To Cart | |
| 4 | 182328 - Temperature Indicator Light | Add To Cart | |
| 5 | 182325 - Battery Indicator Light | Add To Cart | |
| 6 | 182326 - Brake Indicator Light | Add To Cart | |
| 7 | 184179 - Rocker Switch | Add To Cart | |
| 8 | 183925 - Switch Push/Pull | Add To Cart | |
| 9 | 183827 - Switch Key Sealed - Kubota | Add To Cart | |
| - | 101106 - Kubota Double Notch Ignition Key | Add To Cart | |
| 10 | 183860 - Lever Switch | Add To Cart | |
| - | 720160 - Steering Switch Mount - right | Add To Cart | |
| 11 | 183860 - Lever Switch | Add To Cart | |
| - | 720161 - Steering Switch Mount - left | Add To Cart | |
| 12 | 182253 - Worklamp Flood | Add To Cart | |
| 13 | 182005 - Light Bulb for Headlight | Add To Cart | |
| 14 | 182251 - Snap Mount Worklamp Bezel | Add To Cart | |
| 15 | 603350 - Fuel Solenoid Assembly | Add To Cart | |
| 16 | 184220 - Switch Interlock Module | Add To Cart | |
| 17 | 181735 - Inline Auto Fuse Holder | Add To Cart | |
| - | 181470 - 30 Amp Auto Fuse | Add To Cart | |
| 18 | 141224 - Temperature Sender | Add To Cart | |
| 19 | 183871 - Twist-in Seat Switch | Add To Cart | |
| 20 | 184272 - 12V DC Relay | Add To Cart | |
| 21 | 181722 - Fuse Block | Add To Cart | |
| - | 184458 - 1 Wire Fuse Clip | Add To Cart | |
| - | 184460 - 2 Wire Fuse Clip | Add To Cart | |
| - | 184472 - Double Fuse Clip | Add To Cart | |
| 22 | 181470 - 30 amp Auto ATC Fuse | Add To Cart | |
| - | 181460 - 7.5 amp Auto ATC Fuse | Add To Cart | |
| - | 181462 - 10 amp Auto ATC Fuse | Add To Cart | |
| - | 181465 - 15 amp Auto ATC Fuse | Add To Cart | |
| 23 | 141551 - Snap In Hour Meter | Add To Cart | |
| 24 | 183894 - Brake Interlock Switch | Add To Cart | |
| 25 | 185530 - 12V Voltage Regulator | Add To Cart | |
| 26 | 180130 - 12 Volt Side Post Wet Battery | Call For Details | |
| - | 180131 - 12V Side Post Dry Battery | Call For Details | |
| - | 243309 - Hex Bolt | Add To Cart | |
| - | 644163 - Battery Box without Draw Latch | Add To Cart | |
| - | 644478 - Battery Box Lid without Latch | Add To Cart | |
| - | 754135 - Battery Hold Down Bracket | Add To Cart | |
| 27 | 180313 - 14 inch Battery Cable - Red | Add To Cart | |
| - | 425219 - Starter Terminal Boot | Add To Cart | |
| - | 425223 - Battery Terminal Boot | Add To Cart | |
| 28 | 180282 - 20 inch Battery Cable - Black | Add To Cart | |
| 29 | 423690 - PC Board Support Spacer | Add To Cart | |
| 30 | 388840 - Pigtail Cable Assembly | Add To Cart | |
| 31 | 605884 - 721DT Wiring Assembly | Call For Details |