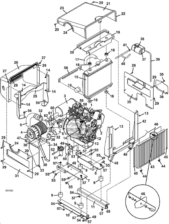
722D2 Engine Assembly - 2007
Click On a Part Number Below for Details
NOTE: If the part number you select is not linked to the shopping cart, call toll-free 866-698-4070 for availability.
| Item # | Part Number - Description | Price | |
|---|---|---|---|
| 1 | 100177 - Kubota Diesel Engine MOD D902 | Call For Details | |
| 2 | 100800 - Kubota Oil Filter | Add To Cart | |
| 3 | 101235 - Muffler - Kubota 902 | Add To Cart | |
| - | 101040 - Exhaust Flange Gasket | Add To Cart | |
| 4 | 100207 - Nelson 90 Deg Air Cleaner | Call For Details | |
| - | 100197 - Air Cleaner Cover Clip | Add To Cart | |
| - | 100199 - Air Cleaner Cover | Add To Cart | |
| - | 100202 - Dust Ejector | Call For Details | |
| - | 100203 - Kubota Rain Cap | Call For Details | |
| - | 100936 - Outer HD Air Filter | Add To Cart | |
| - | 100937 - Inner HD Air Filter | Call For Details | |
| 5 | 424526 - Breather/Manifold Hose | Add To Cart | |
| 6 | 424520 - Breather Inlet Hose | Add To Cart | |
| 7 | 644286 - 902D Engine Mount - right | Call For Details | |
| 8 | 644287 - 902D Engine Mount - left | Add To Cart | |
| 9 | 424076 - Vibration Isolator | Add To Cart | |
| 10 | 725383 - 902 Engine Mount Rail - right | Add To Cart | |
| 11 | 725384 - 902 Engine Mount Rail - left | Call For Details | |
| 12 | 723063 - Linkage Extension - 928 | Add To Cart | |
| 13 | 253176 - Truss Whiz Bolt .250-20 x .500 | Add To Cart | |
| 14 | 253025 - Whiz Nut .250-20 | Add To Cart | |
| 15 | 101612 - Radiator - Kubota 902 | Call For Details | |
| 16 | 101080 - Radiator Isolator Bushing - MT | Call For Details | |
| 17 | 101058 - 902 Upper Radiator Hose | Call For Details | |
| 18 | 101059 - 902 Lower Radiator Hose | Call For Details | |
| 19 | 729327 - Radiator Channel Clamp | Add To Cart | |
| 20 | 822518 - Hood Bulb Seal | Add To Cart | |
| 21 | 644293 - Upper Hood | Add To Cart | |
| 22 | 822639 - Front Hood Trim | Add To Cart | |
| 23 | 822637 - Rear Hood Trim | Add To Cart | |
| 24 | 822513 - Air Cleaner Trim Seal | Add To Cart | |
| 25 | 644807 - 722D Hood Support | Call For Details | |
| 26 | 644329 - 902D Hood- W/A | Add To Cart | |
| 27 | 902297 - Spacer | Add To Cart | |
| 28 | 253440 - Nylon Insert Nut .250-20 | Add To Cart | |
| 29 | 253175 - Whiz Hex Bolt .25-20 x .75 | Add To Cart | |
| 30 | 253173 - Whiz Hex Bolt .250-20 x .500 | Add To Cart | |
| 31 | 722712 - Hood Side - right | Add To Cart | |
| 32 | 280305 - Screw Type Hose Clamp 2.750 | Add To Cart | |
| 33 | 644066 - Air Intake Box Mount | Call For Details | |
| 34 | 644059 - Air Intake Box | Add To Cart | |
| 35 | 644322 - 722D Hood Side - left W/A | Add To Cart | |
| 36 | 722722 - Oil filter Cover | Add To Cart | |
| 37 | 422012 - Expansion Tank | Add To Cart | |
| 38 | 423154 - Tie | Add To Cart | |
| 39 | 821748 - Clear Vent Hose | Add To Cart | |
| 40 | 821749 - Fuel Line | Add To Cart | |
| 41 | 280260 - Spring Hose Clamp | Add To Cart | |
| 42 | 644658 - Lower Radiator Mount - 902 | Add To Cart | |
| 43 | 644668 - Grille - w/Guard 902D | Add To Cart | |
| 44 | 422090 - Rear Belt Isolator Shield | Add To Cart | |
| 45 | 822636 - Radiator Grille Trim | Add To Cart | |
| 46 | 281305 - Swell Action Latch | Add To Cart | |
| 47 | 280303 - Screw Type Hose Clamp | Add To Cart | |
| 48 | 253192 - Whiz Flange Bolt .312-18 x .75 | Add To Cart | |
| 49 | 253035 - Whiz Nut | Add To Cart | |
| 50 | 754198 - Fuel Filter Mount | Add To Cart | |
| 51 | 101000 - Kubota Fuel Filter | Call For Details | |
| 52 | 243240 - Hex Bolt .312-18 x 2.750 | Add To Cart | |
| 53 | 271021 - Hex Bolt | Add To Cart | |
| 54 | 253203 - Whiz Flange Bolt .375-16 x 1 | Add To Cart | |
| 55 | 271121 - Hex Bolt | Add To Cart | |
| 56 | 721006 - Fan Shield | Add To Cart | |
| 57 | 253043 - Whiz Nut | Add To Cart | |
| 58 | 101046 - Fuel Valve Solenoid | Add To Cart | |
| 59 | 246880 - Manual Stop Lever Extension | Add To Cart | |
| - | 422092 - Red Vinyl Cap | Add To Cart | |
| 60 | 732601 - Muffler Support Snap | Add To Cart | |
| 61 | 257402 - Lock Washer | Add To Cart | |
| 62 | 274145 - Hex Nut | Add To Cart | |
| 56 | 275580 - Lock Washer | Add To Cart |