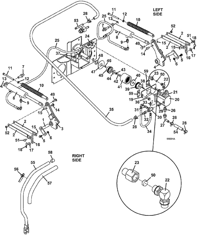
722D2 Optional Hydraulic Lift Assembly - 2006
Click On a Part Number Below for Details
NOTE: If the part number you select is not linked to the shopping cart, call toll-free 866-698-4070 for availability.
| Item # | Part Number - Description | Price | |
|---|---|---|---|
| 1 | 644635 - Traction Kit W/A Pin | Add To Cart | |
| 2 | 732410 - 600 w/SL Deck Lift Strap | Add To Cart | |
| 3 | 603701 - Rocker w/o Extension - right | Add To Cart | |
| - | 121766 - Oilite Bearing | Add To Cart | |
| 4 | 603702 - Rocker w/o Extension - left | Add To Cart | |
| - | 121766 - Oilite Bearing | Add To Cart | |
| 5 | 253192 - Hex Flange Whiz Bolt .312-18 x .75 | Add To Cart | |
| 6 | 253035 - Whiz Nut | Add To Cart | |
| 7 | 887119 - Pin - Cylinder Mount w/Groove | Add To Cart | |
| 8 | 290021 - Hydraulic Cylinder | Add To Cart | |
| - | 290096 - Hydraulic Lift Cylinder HD Seal Kit | Add To Cart | |
| 9 | 360052 - Adapter O Ring | Add To Cart | |
| 10 | 605760 - Traction Kit Spring Assembly | Add To Cart | |
| 11 | 243395 - Hex Bolt | Add To Cart | |
| 12 | 254450 - Nut .375-16 | Add To Cart | |
| 13 | 263500 - External Retainer | Add To Cart | |
| 14 | 261339 - Clevis Pin | Add To Cart | |
| 15 | 260648 - Cotter Pin | Add To Cart | |
| 16 | 820317 - Lift 3 Links Chain | Add To Cart | |
| 17 | 257040 - Washer | Add To Cart | |
| 18 | 260523 - Hair Pin | Add To Cart | |
| 19 | 725326 - Pump Mount Plate | Call For Details | |
| 20 | 290074 - Hydraulic Pump w/Solenoid Valve - CCW | Add To Cart | |
| 21 | 144950 - Hydraulic Valve Solenoid | Add To Cart | |
| 22 | 360055 - 90 degree Adapter O-Ring | Call For Details | |
| 23 | 360045 - Adapter O-Ring | Add To Cart | |
| 24 | 360005 - Adapter Swivel Tee | Add To Cart | |
| 25 | 424310 - Hose Assembly | Add To Cart | |
| 26 | 363832 - Steel O Ring Boss Fitting | Add To Cart | |
| 27 | 363857 - Fitting | Call For Details | |
| 28 | 280266 - Spring Hose Clamp | Add To Cart | |
| 29 | 360040 - Adapter O-Ring | Call For Details | |
| 30 | 366115 - Reducer Tee | Add To Cart | |
| 31 | 360012 - Adapter Fitting | Call For Details | |
| 32 | 360260 - Brass Hose Insert | Call For Details | |
| 33 | 360050 - Adapter O-ring | Call For Details | |
| 34 | 424302 - Hose Assembly | Add To Cart | |
| 35 | 821806 - .5 Hydraulic Hose | Add To Cart | |
| 36 | 253203 - Whiz Flange Bolt | Add To Cart | |
| 37 | 253043 - Whiz Nut | Add To Cart | |
| 38 | 281540 - Square Key | Add To Cart | |
| 39 | 388576 - Coupler Hub | Add To Cart | |
| 40 | 424150 - Coupling Stabilizer | Add To Cart | |
| 41 | 388560 - Nylon Coupler Sleeve | Add To Cart | |
| 42 | 243331 - Hex Bolt | Add To Cart | |
| 43 | 257412 - Lock Washer | Add To Cart | |
| 44 | 774020 - Washer | Add To Cart | |
| 45 | 831039 - Lower Flex Coupler | Add To Cart | |
| 46 | 281580 - Square Key | Add To Cart | |
| 47 | 770045 - Washer | Add To Cart | |
| 48 | 257106 - Washer | Add To Cart | |
| 49 | 247254 - Carriage Bolt .375 x 1.375 | Add To Cart | |
| 50 | 780507 - Flow Restrictor | Add To Cart | |
| 51 | 261336 - Clevis Pin | Add To Cart | |
| 52 | 253890 - Lock Nut | Add To Cart | |
| 53 | 360075 - Beaded O-ring Adapter 3 | Call For Details | |
| 54 | 821781 - Hydraulic Hose | Add To Cart | |
| 55 | 604779 - Wide STD Strg Lever Assembly w/SW | Add To Cart | |
| 56 | 604799 - Hyd Lift Switch / MT Assembly | Add To Cart | |
| 57 | 422179 - Handle Grip | Call For Details | |
| 58 | 422095 - .75 ID Vinyl Cap | Call For Details | |
| 59 | 900105 - Hydraulic Pump Plate Shim | Call For Details |