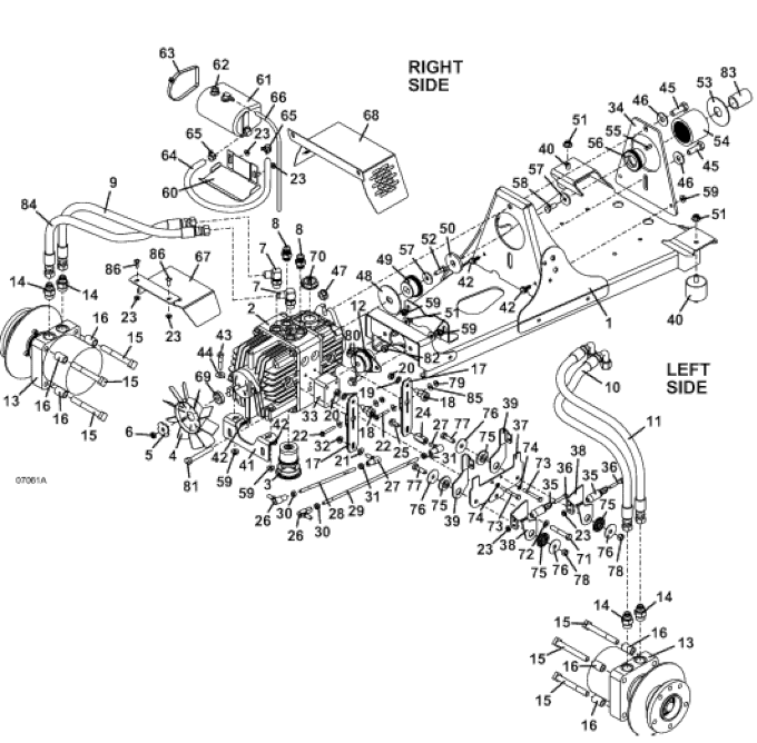
723T Drive Assembly - 2008
Click On a Part Number Below for Details
NOTE: If the part number you select is not linked to the shopping cart,call toll-free 866-698-4070 for availability.
| Item # | Part Number - Description | Price | |
|---|---|---|---|
| 1 | 644875 - Drive Train Mount | Call For Details | |
| 2 | 391467 - Tandem with Opposed Trunnions | Add To Cart | |
| 3 | 130505 - Tandem Transmission Filter | Add To Cart | |
| 4 | 130431 - Hydro Fan H2 | Add To Cart | |
| 5 | 130432 - Fan Retainer Washer | Add To Cart | |
| 6 | 253461 - Nylon Insert Nut | Add To Cart | |
| 7 | 360061 - O-Ring Adapter | Add To Cart | |
| 8 | 360064 - Adapter Fitting | Add To Cart | |
| 9 | 424384 - Hose Assembly | Add To Cart | |
| 10 | 424385 - Hose Assembly | Add To Cart | |
| 11 | 424386 - Hose Assembly | Add To Cart | |
| 12 | 424070 - Flanged Vibration Isolator | Add To Cart | |
| 13 | 603611 - Wheel Motor with Hub | Add To Cart | |
| 14 | 360063 - O-Ring Adapter | Add To Cart | |
| 15 | 243622 - Square Head Bolt | Add To Cart | |
| 16 | 902299 - Wheel Motor Spacer | Call For Details | |
| 17 | 644862 - Tandem Neutral Return Arm | Add To Cart | |
| 18 | 603729 - Eccentric Roller Assembly | Add To Cart | |
| 19 | 257410 - External Star Washer | Add To Cart | |
| 20 | 254450 - Nut | Add To Cart | |
| 21 | 257019 - Flat Washer | Add To Cart | |
| 22 | 270832 - Hex Bolt | Add To Cart | |
| 23 | 253025 - Whiz Nut | Add To Cart | |
| 24 | 783730 - Neutral Return Spacer | Add To Cart | |
| 25 | 253186 - Hex Whiz Bolt | Add To Cart | |
| 26 | 265615 - Ball Joint Right Handed Thread | Add To Cart | |
| 27 | 265616 - Ball Joint Left Handed Thread | Add To Cart | |
| 28 | 780154 - Steering Rod | Add To Cart | |
| 29 | 780156 - Steering Rod | Call For Details | |
| 30 | 254441 - Nut | Add To Cart | |
| 31 | 254444 - Nut | Add To Cart | |
| 32 | 253038 - Whiz Nut | Add To Cart | |
| 33 | 422039 - Return Spacer | Call For Details | |
| 34 | 775123 - Tandem Pump Mount Spacer | Call For Details | |
| 35 | 283823 - Extension Spring | Add To Cart | |
| 36 | 243030 - Hex Bolt | Add To Cart | |
| 37 | 729542 - Return Mount | Call For Details | |
| 38 | 729639 - Return Arm | Add To Cart | |
| 39 | 729398 - Neutral Return Arm | Add To Cart | |
| 40 | 424073 - Vibration Isolator | Add To Cart | |
| 41 | 725522 - Front Pump Mount | Call For Details | |
| 42 | 253192 - Hex Flanged Whiz Bolt | Add To Cart | |
| 43 | 243215 - Hex Bolt | Add To Cart | |
| 44 | 257030 - Washer | Add To Cart | |
| 45 | 243570 - Hex Bolt | Add To Cart | |
| 46 | 257060 - Washer | Add To Cart | |
| 47 | 253066 - Whiz Nut | Add To Cart | |
| 48 | 774175 - DD Washer | Add To Cart | |
| 49 | 388577 - Coupler Hub | Add To Cart | |
| 50 | 424150 - Coupling Stabilizer | Add To Cart | |
| 51 | 253043 - Whiz Nut | Add To Cart | |
| 52 | 243206 - Hex Bolt | Add To Cart | |
| 53 | 774176 - 3 inch (OD) Washer | Add To Cart | |
| 54 | 388560 - Nylon Coupler Sleeve | Add To Cart | |
| 55 | 281580 - Square Key | Add To Cart | |
| 56 | 388578 - Coupler Hub | Add To Cart | |
| 57 | 774020 - Washer | Add To Cart | |
| 58 | 243330 - Hex Bolt | Add To Cart | |
| 59 | 253035 - Whiz Nut | Add To Cart | |
| 60 | 644094 - Oil Reservoir Bracket | Call For Details | |
| 61 | 422033 - Hydraulic Expansion Tank | Add To Cart | |
| 62 | 365516 - Threaded Plastic Plug 3/8' | Add To Cart | |
| 63 | 423154 - Tie | Add To Cart | |
| 64 | 821709 - Hydraulic Expansion Hose | Add To Cart | |
| 65 | 280261 - Spring Hose Clamp | Add To Cart | |
| 66 | 821723 - Clear Vent Hose | Add To Cart | |
| 67 | 722976 - 700T Fan Shroud | Add To Cart | |
| 68 | 722975 - 700T Coupler Shield | Call For Details | |
| 69 | 130430 - H2 Fan Hub | Add To Cart | |
| 70 | 130510 - T2 Expansion Tank Adapter | Add To Cart | |
| - | 126550 - O-Ring | Add To Cart | |
| 71 | 243350 - Hex Bolt | Add To Cart | |
| 72 | 257412 - Lock Washer | Add To Cart | |
| 73 | 243045 - Hex Bolt | Add To Cart | |
| 74 | 257392 - Lock Washer | Add To Cart | |
| 75 | 822304 - Neutral Return Pivot Bearing | Add To Cart | |
| 76 | 257044 - Fender Washer | Add To Cart | |
| 77 | 243335 - Hex Bolt | Add To Cart | |
| 78 | 253890 - Lock Nut | Add To Cart | |
| 79 | 274114 - Whiz Nut | Add To Cart | |
| 80 | 253203 - Flanged Whiz Bolt | Add To Cart | |
| 81 | 243475 - Hex Bolt | Add To Cart | |
| 82 | 253465 - Nylon Insert Nut | Call For Details | |
| 83 | 902548 - Spacer | Add To Cart | |
| 84 | 424383 - Hose Assembly | Add To Cart | |
| 85 | 257025 - Washer | Add To Cart | |
| 86 | 253179 - Phillips Head Truss Whiz Bolt | Add To Cart |