725
Year Model:1990
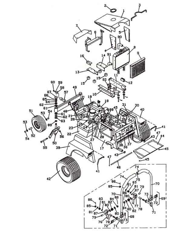
Tractor Assembly
| Item # | Part Number - Description | Price | |
|---|---|---|---|
| 1 | 643409 - Hood Panel | Call For Details | |
| 2 | 822633 - Trim - Hood Panel | Call For Details | |
| 3 | 822650 - Trim - Hood Panel/Console | Call For Details | |
| 4 | 643799 - Grille Support - Right | Call For Details | |
| 5 | 643800 - Grille Support - Left | Call For Details | |
| 6 | 643797 - Rear Hood Support | Add To Cart | |
| 7 | 643766 - Shield | Add To Cart | |
| 8 | 101605 - Radiator | Call For Details | |
| 9 | 643401 - Grille | Call For Details | |
| 10 | 643604 - Lower Engine Mount - Right | Add To Cart | |
| 11 | 643605 - Lower Engine Mount - Left | Add To Cart | |
| 12 | 185530 - Voltage Regulator | Add To Cart | |
| 13 | 643292 - Upper Engine Mount - Right | Add To Cart | |
| 14 | 643291 - Upper Engine Mount - Left | Add To Cart | |
| 15 | 424078 - Vibration Isolator | Add To Cart | |
| 16 | 724091 - Coil Bracket | Add To Cart | |
| 17 | 643392 - Tractor Frame | Call For Details | |
| 18 | - - Kubota Engine | Call For Details | |
| 19 | 603590 - Muffler & Gasket Assembly | Add To Cart | |
| 20 | 7000011221 - Air Filter | Call For Details | |
| 21 | 424519 - Air Intake Hose | Add To Cart | |
| 22 | 603817 - Fuel Tank Assembly | Add To Cart | |
| 23 | 643144 - Fuel Tank Mounting Bracket | Add To Cart | |
| 24 | 141125 - Fuel Cap w/Level | Add To Cart | |
| 25 | 101818 - Fuel Draw Tube | Add To Cart | |
| 26 | 280270 - Clamp | Add To Cart | |
| 27 | 821713 - Hose | Add To Cart | |
| 28 | 101005 - Fuel Pre Filter | Call For Details | |
| 29 | 604823 - Throttle Assembly | Add To Cart | |
| 30 | 422150 - Handle Grip | Add To Cart | |
| 31 | 603557 - Brake Lever | Call For Details | |
| 32 | 730356 - Rod | Call For Details | |
| 33 | 265537 - Clevis Yoke | Add To Cart | |
| 34 | 259741 - Bolt | Add To Cart | |
| 35 | 260624 - Cotter Pin | Add To Cart | |
| 36 | 623241 - Console | Call For Details | |
| 37 | 721076 - Panel - Console | Call For Details | |
| 38 | 230 - Mechanical Choke Housing | Call For Details | |
| 39 | 643352 - Fender - Right | Call For Details | |
| 40 | 643353 - Fender - Left | Call For Details | |
| 41 | 822635 - Trim - Fender Edge | Add To Cart | |
| 42 | 483921 - Wheel & Tire - Turf - 20 x 10 x 8 | Add To Cart | |
| - | 483410 - Wheel - 8 x 6 | Add To Cart | |
| - | 482471 - Tire - Turf - 20 x 10 x 8 | Call For Details | |
| - | 483930 - Wheel & Tire - Bar Tread - Right 21 x 11 x 8 | Add To Cart | |
| - | 483931 - Wheel & Tire - Bar Tread - Left 21 x 11 x 8 | Add To Cart | |
| - | 483415 - Wheel | Add To Cart | |
| - | 482480 - Tire - Bar Tread - 21 x 11 x 8 | Call For Details | |
| 43 | 422065 - Plug | Add To Cart | |
| 44 | 603345 - Foot Rest | Call For Details | |
| 45 | 424015 - Rubber Bumper | Add To Cart | |
| 46 | 780658 - Rod | Call For Details | |
| 47 | 263500 - External Retainer | Add To Cart | |
| 48 | 604597 - Rear Axle Pivot Assembly | Add To Cart | |
| 49 | 824510 - Beam - Dual Wheel | Add To Cart | |
| 50 | 604364 - Rear Fork Assembly | Add To Cart | |
| 51 | 483861 - Wheel & Tire Assembly 13 x 5 x 6 | Add To Cart | |
| - | 482350 - Tire 13 x 5.00 x 6 | Add To Cart | |
| - | 483301 - Wheel w/Bearings & Spacer 6 x 3.25 | Add To Cart | |
| 52 | 902475 - Spacer | Add To Cart | |
| 53 | 120050 - Bearing | Add To Cart | |
| 54 | 902425 - Spacer | Add To Cart | |
| 55 | 247725 - Carriage Bolt | Add To Cart | |
| 56 | 253970 - Lock Nut | Add To Cart | |
| 57 | 833275 - Bearing - Reamed Oilite | Add To Cart | |
| 58 | 257061 - Washer | Add To Cart | |
| 59 | 257432 - Lock Washer | Add To Cart | |
| 60 | 243560 - Bolt | Add To Cart | |
| 61 | 123522 - Bearing Cup | Add To Cart | |
| 62 | 122522 - Bearing | Add To Cart | |
| 63 | 125855 - Seal | Add To Cart | |
| 64 | 257091 - Washer | Add To Cart | |
| 65 | 254502 - Nut | Add To Cart | |
| 66 | 260670 - Cotter Pin | Add To Cart | |
| 67 | 481432 - Dust Cap | Add To Cart | |
| 68 | 603805 - Steering Lever Assembly - Right | Add To Cart | |
| 69 | 603806 - Steering Lever Assembly - Left | Call For Details | |
| 70 | 643497 - Steering Lever | Add To Cart | |
| 71 | 603558 - Steering Lever Mount | Add To Cart | |
| 72 | 253195 - Bolt | Add To Cart | |
| 73 | 253035 - Nut | Add To Cart | |
| 74 | 422179 - Handle Grip | Call For Details | |
| 75 | 422095 - Vinyl Cap | Call For Details | |
| 76 | 643660 - Steering Pivot - Right | Add To Cart | |
| 77 | 643661 - Steering Pivot - Left | Add To Cart | |
| 78 | 603271 - Nylon Bearing | Call For Details | |
| 79 | 422561 - Nylon Bearing | Add To Cart | |
| 80 | 257067 - Washer | Add To Cart | |
| 81 | 257063 - Washer | Add To Cart | |
| 82 | 283381 - Compression Spring | Add To Cart | |
| 83 | 283324 - Compression Spring | Add To Cart | |
| 84 | 830355 - Nut | Call For Details | |
| 85 | 253470 - Nut w/Nylon Insert | Add To Cart | |
| 86 | 260652 - Cotter Pin | Add To Cart | |
| 87 | 422055 - Plug | Add To Cart | |
| 88 | 100800 - Oil Filter | Add To Cart | |
| 89 | 282615 - Spacer | Add To Cart | |
| 90 | 101052 - Radiator Hose - Upper | Add To Cart | |
| 91 | 101052 - Radiator Hose - Lower | Add To Cart | |
| 92 | 782529 - Mount Plate - Fuel Pump | Add To Cart | |
| 93 | 101510 - Electric Fuel Pump | Call For Details |