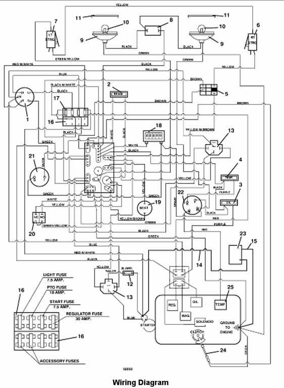
725A Wiring Diagram  - 2004
Click On a Part Number Below for Details
NOTE: If the part number you select is not linked to the shopping cart,call toll-free 866-698-4070 for availability.
| Item # | Part Number - Description | Price | |
|---|---|---|---|
| 1 | 183806 - SWITCH - KEY B&S KOHLER | Add To Cart | |
| - | 101101 - KEY IGNITION W/COVER | Add To Cart | |
| - | 254498 - NUT | Add To Cart | |
| - | 422078 - PANEL PLASTIC | Add To Cart | |
| 2 | 182326 - LIGHT INDICATOR - BRAKE | Add To Cart | |
| 3 | 182327 - LIGHT INDICATOR - OIL | Add To Cart | |
| 4 | 182328 - LIGHT INDICATOR - TEMP | Add To Cart | |
| 5 | 183925 - SWITCH - PUSH/PULL | Add To Cart | |
| 6 | 183860 - SWITCH - LEVER | Add To Cart | |
| - | 720160 - MOUNT - STEERING SWITCH RT | Add To Cart | |
| 7 | 183860 - SWITCH - LEVER | Add To Cart | |
| - | 720161 - MOUNT - STEERING SWITCH LT | Add To Cart | |
| 8 | 184179 - SWITCH - ROCKER | Add To Cart | |
| 9 | 182253 - WORK LAMP - FLOOD | Add To Cart | |
| 10 | 182005 - LIGHT BULB - WORK LAMP | Add To Cart | |
| 11 | 182251 - BEZEL SNAP MOUNT WORK LAMP | Add To Cart | |
| 12 | 181735 - FUSE HOLDER - INLINE AUTO | Add To Cart | |
| - | 181470 - FUSE - AUTO - ATC 30 | Add To Cart | |
| 13 | 184581 - TERMINAL - .250 FASTON | Add To Cart | |
| - | 184926 - CONNECTOR - 5 WAY FEMALE | Add To Cart | |
| - | 184271 - RELAY 12VDC W/MOUNT | Add To Cart | |
| - | 184570 - TYPE 1 6MM PUSHON | Add To Cart | |
| 14 | 180315 - CABLE - BATTERY 16 RED | Add To Cart | |
| - | 425219 - BOOT BATTERY TERMINAL | Add To Cart | |
| 15 | 180276 - CABLE - BATTERY 16 BLACK | Add To Cart | |
| 16 | 181722 - FUSE BLOCK | Add To Cart | |
| - | 184458 - FUSE CLIP - 1 WIRE | Add To Cart | |
| - | 184460 - FUSE CLIP - 2 WIRE | Add To Cart | |
| - | 184472 - FUSE CLIP - DOUBLE CLIP | Add To Cart | |
| 17 | 181470 - FUSE - AUTO ATC - 30 | Add To Cart | |
| - | 181460 - FUSE - AUTO ATC - 7.5 | Add To Cart | |
| - | 181462 - FUSE - AUTO ATC - 10 | Add To Cart | |
| 18 | 141551 - HOUR METER - SNAP IN | Add To Cart | |
| 19 | 183870 - SWITCH - SEAT | Add To Cart | |
| 20 | 183894 - SWITCH BRAKE - INTERLOCK | Add To Cart | |
| 21 | 141200 - GAUGE - VOLTMETER | Add To Cart | |
| 22 | 141160 - GAUGE - TEMP ZONED ELECTRIC | Add To Cart | |
| 23 | 180125 - BATTERY - 12 VOLT - WET | Add To Cart | |
| - | 180126 - BATTERY - 12 VOLT - DRY | Add To Cart | |
| - | 644099 - BATTERY BOX - G2 AC | Call For Details | |
| - | 644162 - COVER - BATTERY AC | Add To Cart | |
| 24 | 388840 - CABLE ASSEMBLY - PIGTAIL | Add To Cart | |
| 25 | 141218 - TEMPERATURE SENDER | Add To Cart | |
| 26 | 604980 - WIRING ASSEMBLY - 725A | Add To Cart | |
| 27 | 161133 - DECAL - CONSOLE 725A | Call For Details |