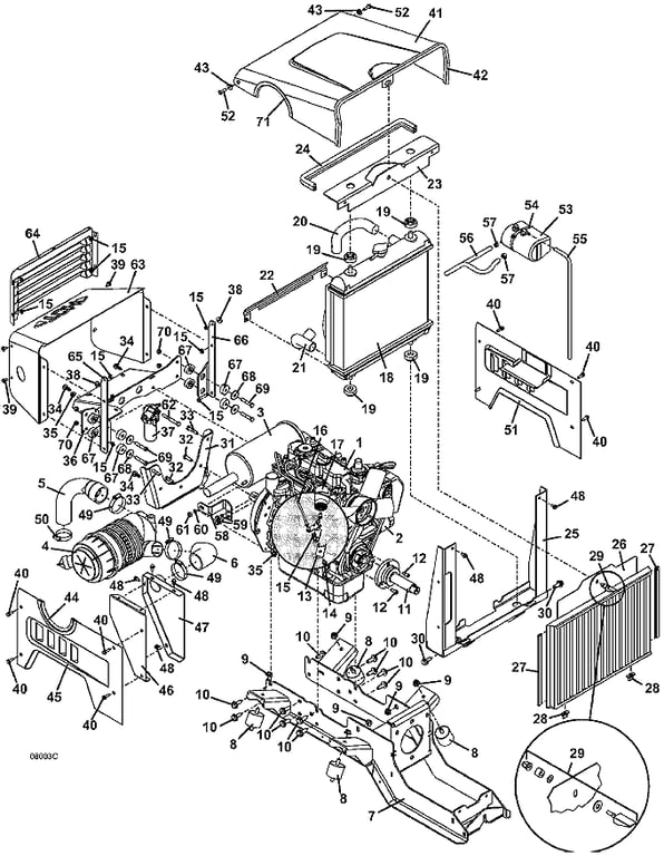
725DT6 Engine Assembly - 2010
Click On a Part Number Below for Details
NOTE: If the part number you select is not linked to the shopping cart, call toll-free 866-698-4070 for availability.
| Item # | Part Number - Description | Price | |
|---|---|---|---|
| 1 | 100179 - Kubota Diesel Engine | Call For Details | |
| 2 | 100800 - Kubota Oil Filter | Add To Cart | |
| 3 | 101235 - Kubota Muffler | Add To Cart | |
| - | 101040 - Kubota Exhaust Flange Gasket | Add To Cart | |
| 4 | 100207 - Nelson 90 Degree Air Cleaner | Call For Details | |
| - | 100197 - Clip for Air Cleaner Cover | Add To Cart | |
| - | 100199 - Air Cleaner Cover | Add To Cart | |
| - | 100202 - Dust Ejector | Call For Details | |
| - | 100203 - Kohler Rain Cap | Call For Details | |
| - | 100936 - Outer HD Air Filter | Add To Cart | |
| - | 100937 - Inner HD Air Filter | Call For Details | |
| 5 | 424526 - Breather / Manifold Hose | Add To Cart | |
| 6 | 424520 - Breather Inlet Hose | Add To Cart | |
| 7 | 644879 - Drive Train Mount | Add To Cart | |
| 8 | 424073 - Vibration Isolator | Add To Cart | |
| 9 | 253043 - Whiz Nut | Add To Cart | |
| 10 | 271121 - Hex Bolt | Add To Cart | |
| 11 | 824412 - Kubota Machined Front Shaft | Add To Cart | |
| 12 | 270075 - M8 Socket Head Screw | Add To Cart | |
| 13 | 723063 - Extension Linkage | Add To Cart | |
| 14 | 253176 - Truss Whiz Bolt | Add To Cart | |
| 15 | 253025 - Whiz Nut | Add To Cart | |
| 16 | 246880 - Manual Stop Lever Extension | Add To Cart | |
| - | 422092 - Red Vinyl Cap | Add To Cart | |
| 17 | 101046 - Fuel Valve Solenoid | Add To Cart | |
| 18 | 101612 - Kubota 902 Radiator | Call For Details | |
| 19 | 101080 - Radiator Mount Isolator Bushing | Call For Details | |
| 20 | 101058 - Upper Radiator Hose | Call For Details | |
| 21 | 101059 - Lower Radiator Hose | Call For Details | |
| 22 | 721006 - Fan Shield | Add To Cart | |
| 23 | 729327 - Radiator Channel Clamp | Add To Cart | |
| 24 | 822518 - Hood Bulb Seal | Add To Cart | |
| 25 | 644655 - 700DT Lower Radiator Mount | Add To Cart | |
| 26 | 644668 - 902D Grille w/Guard | Add To Cart | |
| 27 | 822636 - Radiator Grille Trim | Add To Cart | |
| 28 | 422090 - Rear Belt Shield Isolator | Add To Cart | |
| 29 | 604805 - Swell Latch Assembly | Add To Cart | |
| 30 | 253203 - Flange Whiz Bolt | Add To Cart | |
| 31 | 645566 - PTO / Idler Mount | Add To Cart | |
| 32 | 271023 - Hex Head | Add To Cart | |
| 33 | 271055 - Hex Head M8 Bolt | Call For Details | |
| 34 | 253192 - Hex Flange Whiz Bolt | Add To Cart | |
| 35 | 253035 - Whiz Nut | Add To Cart | |
| 36 | 645851 - 700DT Rear Hood Support | Add To Cart | |
| 37 | 101000 - Kubota Oil Filter | Call For Details | |
| 38 | 901324 - Hood Hinge Spacer | Add To Cart | |
| 39 | 253180 - Bolt | Add To Cart | |
| 40 | 253175 - Hex Whiz Bolt | Add To Cart | |
| 41 | 644438 - 725D/932 Engine Hood W/A | Add To Cart | |
| 42 | 822639 - Front Hood Trim | Add To Cart | |
| 43 | 422508 - Step Bushing | Add To Cart | |
| 44 | 822513 - Air Cleaner Trim Seal | Add To Cart | |
| 45 | 722920 - 725DT6 Right Side Hood | Add To Cart | |
| 46 | 644066 - Air Intake Box Mount | Call For Details | |
| 47 | 644059 - Air Intake Box | Add To Cart | |
| 48 | 253173 - Hex Whiz Bolt | Add To Cart | |
| 49 | 280305 - Screw Type Hose Clamp | Add To Cart | |
| 50 | 280303 - Screw Type Hose Clamp | Add To Cart | |
| 51 | 645311 - 725DT6 Left Side Hood | Call For Details | |
| 52 | 253181 - Bolt | Add To Cart | |
| 53 | 422012 - Expansion Tank | Add To Cart | |
| 54 | 423154 - Tie | Add To Cart | |
| 55 | 821748 - Clear Vent Hose | Add To Cart | |
| 56 | 821749 - Hose | Add To Cart | |
| 57 | 280260 - Spring Hose Clamp | Add To Cart | |
| 58 | 732604 - Muffler Support Strap | Add To Cart | |
| 59 | 271021 - Flange Hex Bolt w/Ser | Add To Cart | |
| 60 | 257402 - Lock Washer | Add To Cart | |
| 61 | 274145 - Hex Nut | Add To Cart | |
| 62 | 253197 - Whiz Bolt | Add To Cart | |
| 63 | 722919 - Rear Hood Box Panel | Add To Cart | |
| 64 | 645270 - Rear Hood Grille | Add To Cart | |
| 65 | 725576 - Right 700T Hood Support Upright | Call For Details | |
| 66 | 725577 - Left 700T Hood Support Upright | Call For Details | |
| 67 | 424005 - Rubber Step Bushing | Add To Cart | |
| 68 | 774020 - Washer | Add To Cart | |
| 69 | 243220 - Hex Bolt | Add To Cart | |
| 70 | 253450 - Nut with Nylon Insert | Add To Cart | |
| 71 | 822632 - Trim | Add To Cart |