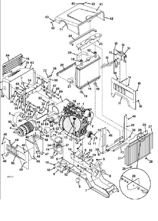
725DT6 Engine Assembly- Serial #6614010 & Above - 2016
Click On a Part Number Below for Details
NOTE: If the part number you select is not linked to the shopping cart,call toll-free 866-698-4070 for availability.
Item # | Part Number - Description | Price | |
---|---|---|---|
1 | 100179 - Kubota Diesel Engine | Call For Details | |
2 | 100800 - Kubota Oil Filter | Add To Cart | |
3 | 101235 - Kubota Muffler | Add To Cart | |
- | 101040 - Kubota Exhaust Flange Gasket | Add To Cart | |
4 | 100207 - Nelson 90 Degree Air Cleaner | Call For Details | |
- | 100197 - Clip for Air Cleaner Cover | Add To Cart | |
- | 100199 - Air Cleaner Cover | Add To Cart | |
- | 100202 - Dust Ejector | Call For Details | |
- | 100936 - Outer HD Air Filter | Add To Cart | |
- | 100937 - Inner HD Air Filter | Call For Details | |
5 | 424526 - Breather / Manifold Hose | Add To Cart | |
6 | 424520 - Breather Inlet Hose | Add To Cart | |
7 | 644879 - Drive Train Mount | Add To Cart | |
8 | 424073 - Vibration Isolator | Add To Cart | |
9 | 253043 - Whiz Nut | Add To Cart | |
10 | 271121 - Hex Bolt | Add To Cart | |
11 | 824413 - Shaft | Add To Cart | |
12 | 270075 - M8 Socket Head Screw | Add To Cart | |
13 | 723063 - Extension Linkage | Add To Cart | |
14 | 253176 - Truss Whiz Bolt | Add To Cart | |
15 | 253025 - Whiz Nut | Add To Cart | |
16 | 246880 - Manual Stop Lever Extension | Add To Cart | |
- | 422092 - Red Vinyl Cap | Add To Cart | |
17 | 101046 - Fuel Valve Solenoid | Add To Cart | |
18 | 101612 - Kubota 902 Radiator | Call For Details | |
19 | 101080 - Radiator Mount Isolator Bushing | Call For Details | |
20 | 101058 - Upper Radiator Hose | Call For Details | |
21 | 101059 - Lower Radiator Hose | Call For Details | |
22 | 721006 - Fan Shield | Add To Cart | |
23 | 729327 - Radiator Channel Clamp | Add To Cart | |
24 | 822518 - Hood Bulb Seal | Add To Cart | |
25 | 644655 - 700DT Lower Radiator Mount | Add To Cart | |
26 | 604382 - Grille w/Guard Assembly | Add To Cart | |
27 | 822636 - Radiator Grille Trim | Add To Cart | |
28 | 422090 - Rear Belt Shield Isolator | Add To Cart | |
29 | 604805 - Swell Latch Assembly | Add To Cart | |
30 | 253203 - Flange Whiz Bolt | Add To Cart | |
31 | 645566 - PTO / Idler Mount | Add To Cart | |
32 | 271023 - Hex Head | Add To Cart | |
33 | 271055 - Hex Head M8 Bolt | Call For Details | |
34 | 253192 - Hex Flange Whiz Bolt | Add To Cart | |
35 | 253035 - Whiz Nut | Add To Cart | |
36 | 645851 - 700DT Rear Hood Support | Add To Cart | |
37 | 101004 - Kubota Fuel Filter | Add To Cart | |
38 | 901324 - Hood Hinge Spacer | Add To Cart | |
39 | 253180 - Bolt | Add To Cart | |
40 | 253175 - Hex Whiz Bolt | Add To Cart | |
41 | 644438 - 725D/932 Engine Hood W/A | Add To Cart | |
42 | 822639 - Front Hood Trim | Add To Cart | |
43 | 422508 - Step Bushing | Add To Cart | |
44 | 822513 - Air Cleaner Trim Seal | Add To Cart | |
45 | 722920 - 725DT6 Right Side Hood | Add To Cart | |
46 | 644066 - Air Intake Box Mount | Call For Details | |
47 | 644059 - Air Intake Box | Add To Cart | |
48 | 253173 - Hex Whiz Bolt | Add To Cart | |
49 | 280305 - Screw Type Hose Clamp | Add To Cart | |
50 | 280303 - Screw Type Hose Clamp | Add To Cart | |
51 | 762521 - 725DT6 Left Side Hood | Add To Cart | |
52 | 253181 - Bolt | Add To Cart | |
53 | 604340 - Expansion Tank Assembly | Add To Cart | |
54 | 421990 - Reservoir Cap w/Gasket | Add To Cart | |
- | 425550 - O-Ring | Add To Cart | |
55 | 821748 - Clear Vent Hose | Add To Cart | |
56 | 821749 - Hose | Add To Cart | |
57 | 280260 - Spring Hose Clamp | Add To Cart | |
58 | 732604 - Muffler Support Strap | Add To Cart | |
59 | 271021 - Flange Hex Bolt w/Ser | Add To Cart | |
60 | 257402 - Lock Washer | Add To Cart | |
61 | 274145 - Hex Nut | Add To Cart | |
62 | 280261 - Clamp Hose Spring | Add To Cart | |
63 | 722919 - Rear Hood Box Panel | Add To Cart | |
64 | 645270 - Rear Hood Grille | Add To Cart | |
65 | 725576 - Right 700T Hood Support Upright | Call For Details | |
66 | 725577 - Left 700T Hood Support Upright | Call For Details | |
67 | 424005 - Rubber Step Bushing | Add To Cart | |
68 | 774020 - Washer | Add To Cart | |
69 | 243220 - Hex Bolt | Add To Cart | |
70 | 253450 - Nut with Nylon Insert | Add To Cart | |
71 | 822632 - Trim | Add To Cart | |
72 | 253440 - Nut w/Nylon Insert | Add To Cart | |
73 | 822507 - Lower Radiator Seal | Add To Cart | |
74 | 821717 - 300S Fuel Line Hose | Add To Cart | |
75 | 821729 - Fuel Hose | Add To Cart |