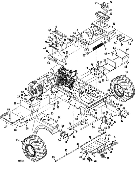
725DT6 Tractor Assembly- Serial #6614009 & Below - 2016
Click On a Part Number Below for Details
NOTE: If the part number you select is not linked to the shopping cart,call toll-free 866-698-4070 for availability.
Item # | Part Number - Description | Price | |
---|---|---|---|
1 | 644877 - 700T WC Lower Frame | Call For Details | |
2 | 645214 - 700 Upper Frame | Call For Details | |
3 | 253192 - Hex Flange Whiz Bolt | Add To Cart | |
4 | 253035 - Whiz Nut | Add To Cart | |
5 | 605820 - 700T WC Throttle Assembly | Add To Cart | |
- | 323657 - Control Cable Assembly | Add To Cart | |
- | 722009 - Throttle Lever Stop | Add To Cart | |
- | 722736 - Heavy Duty Throttle Stop | Add To Cart | |
6 | 422150 - Handle Grip | Add To Cart | |
7 | 902280 - Spacer | Add To Cart | |
8 | 243335 - Hex Bolt | Add To Cart | |
9 | 257040 - Washer | Add To Cart | |
10 | 693120 - Console with Decal | Call For Details | |
11 | 722875 - Console Frame | Call For Details | |
12 | 693230 - 700/900 Right Fender w/Decal | Add To Cart | |
- | 693220 - 700/900 left Fender w/Safety Decal | Call For Details | |
13 | 693231 - 700/900 Left Fender w/Decal | Call For Details | |
- | 693221 - 700/900 Fender w/Safety Decal | Add To Cart | |
14 | 182253 - Flood Worklamp | Add To Cart | |
15 | 182251 - Snap Mount Worklamp Bezel | Add To Cart | |
16 | 822632 - Trim | Add To Cart | |
17 | 645051 - Console Mount | Call For Details | |
18 | 483942 - right Wheel & Bar Tread Tire, 22 x 11 x 10 | Add To Cart | |
19 | 483943 - left Wheel & Bar Tread Tire, 22 x 11 x 10 | Add To Cart | |
- | 482473 - Turf Tire Only, 22 x 10 x 10 | Add To Cart | |
- | 482477 - OTR Turf Tire Only, 22 x 11 x 10 | Add To Cart | |
- | 482483 - Bar Tread Tire Only, 22 x 11 x 10 | Add To Cart | |
- | 483420 - 5 Bolt Wheel Only, 10 x 8.5 | Add To Cart | |
- | 483946 - Wheel & Turf Tire, 22 x 10 x 10 | Add To Cart | |
20 | 644163 - Battery Box without Draw Latch | Add To Cart | |
21 | 754135 - Battery Hold Down Bracket | Add To Cart | |
22 | 644478 - Battery Box Lid w/o Lid | Add To Cart | |
23 | 257020 - Washer | Add To Cart | |
24 | 253440 - Nylon Insert Nut | Add To Cart | |
25 | 427278 - Battery Tray Pad | Add To Cart | |
26 | 424015 - Rubber Bumper | Add To Cart | |
27 | 644826 - 8 Gallon Fuel Tank Mounting Bracket | Add To Cart | |
28 | 604846 - 8 Gallon Diesel Tank Assembly | Add To Cart | |
29 | 141144 - Fuel Intake Gauge | Add To Cart | |
- | 424275 - Grommet | Add To Cart | |
30 | 100211 - Screw-On Diesel Fuel Cap | Add To Cart | |
31 | 101875 - Grommet | Add To Cart | |
32 | 363930 - Fuel Tube | Add To Cart | |
33 | 363924 - Fuel Tube | Add To Cart | |
34 | 280261 - Spring Hose Clamp | Add To Cart | |
35 | 280257 - Spring Hose Clamp | Add To Cart | |
36 | 821741 - 300S Fuel Return Hose | Add To Cart | |
37 | 821716 - Fuel Line Hose | Add To Cart | |
38 | 101005 - Kubota Fuel Prefilter | Call For Details | |
39 | 643092 - 700/900 right Quick Disconnect Deck Mount | Add To Cart | |
40 | 643093 - 700/900 left Quick Disconnect Deck Mount | Add To Cart | |
41 | 247280 - Special Carriage Bolt | Add To Cart | |
42 | 282575 - Deck Mount Bushing | Add To Cart | |
43 | 282576 - Floating Deck Mount Bushing | Add To Cart | |
44 | 253460 - Nylon Insert Nut | Add To Cart | |
45 | 254432 - Plastic Retainer Nut | Add To Cart | |
46 | 604346 - 700/900 Adj Foot Platform Assembly | Add To Cart | |
47 | 422615 - Nylon Bearing | Add To Cart | |
48 | 424100 - Footrest Isolator Block | Add To Cart | |
49 | 243026 - Hex Bolt | Add To Cart | |
50 | 424052 - Rubber Bumper | Add To Cart | |
51 | 643304 - Foot Platform Extension - 700 | Add To Cart | |
52 | 253180 - Bolt | Add To Cart | |
53 | 247130 - Carriage Bolt | Add To Cart | |
54 | 283312 - Compression Spring | Add To Cart | |
55 | 780673 - Foot Platform Pivot Rod - 700 | Call For Details | |
56 | 253470 - Nylon Insert Nut | Add To Cart | |
57 | 422065 - Square Plastic Plug | Add To Cart | |
58 | 780900 - Tension Rod | Call For Details | |
59 | 253200 - Whiz Bolt | Add To Cart | |
60 | 253203 - Flange Whiz Bolt | Add To Cart | |
61 | 253043 - Whiz Nut | Add To Cart | |
62 | 254431 - Speed Nut | Add To Cart | |
63 | 253173 - Hex Whiz Bolt | Add To Cart | |
64 | 253175 - Hex Whiz Bolt | Add To Cart | |
65 | 253025 - Whiz Nut | Add To Cart | |
66 | 253176 - Truss Whiz Bolt | Add To Cart | |
67 | 725511 - 700T Water Cooled Center Crossmember | Call For Details | |
68 | 723339 - 8 Gallon Tank Shield | Add To Cart | |
69 | 422040 - Tool Box | Add To Cart | |
70 | 422066 - Cup Hole Plug | Add To Cart | |
71 | 150225 - Cup Holder | Add To Cart | |
72 | 259030 - Cap Screw | Add To Cart | |
- | 254436 - Nut | Add To Cart | |
73 | 773102 - Relay Mount | Call For Details | |
74 | 424216 - Grommet | Add To Cart | |
75 | 822501 - Console Mount Seal | Call For Details | |
76 | 604277 - 725DT Decal Set | Add To Cart |