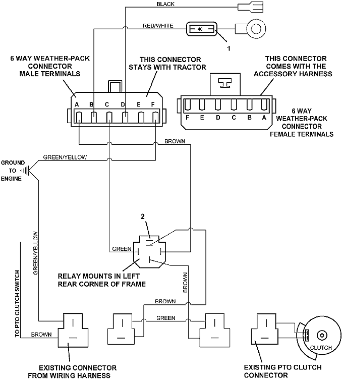
725DT6 Universal Harness - Limited - 2010
Click On a Part Number Below for Details
NOTE: If the part number you select is not linked to the shopping cart, call toll-free 866-698-4070 for availability.
Item # | Part Number - Description | Price | |
---|---|---|---|
1 | 181475 - Auto ATC Fuse, 40 amp | Add To Cart | |
2 | 184271 - 12VDC Relay with Mount | Add To Cart | |
- | 184570 - Type 1 6mm Push-On | Add To Cart | |
- | 184581 - .250 Fast-On Terminal | Add To Cart | |
- | 184926 - 5-Way Female Connector | Add To Cart | |
3 | 605957 - Universal Harness Extension (2007) | Add To Cart |