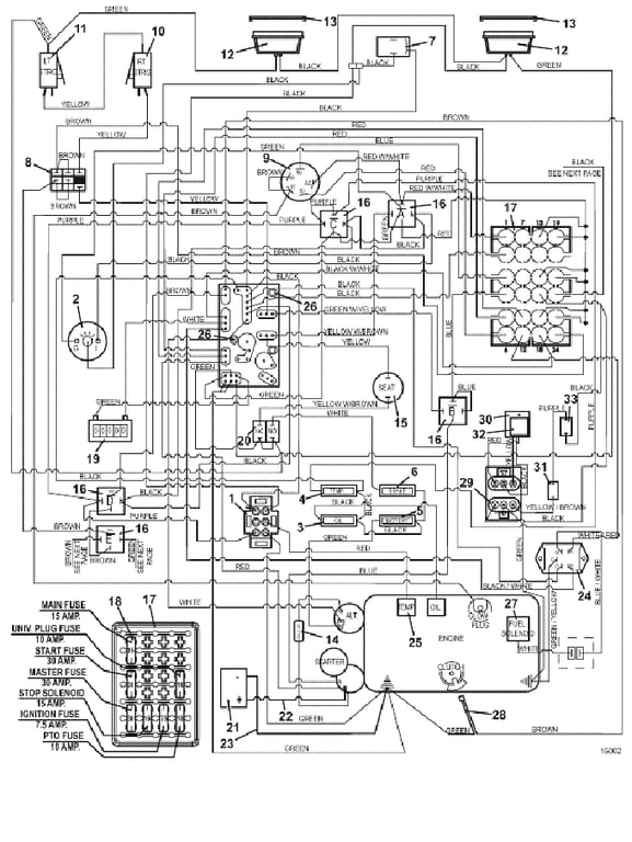
725DT6 Wiring Diagram - 2017
Click On a Part Number Below for Details
NOTE: If the part number you select is not linked to the shopping cart,call toll-free 866-698-4070 for availability.
| Item # | Part Number - Description | Price | |
|---|---|---|---|
| 1 | 141165 - Zoned Electric Temperature Gauge | Add To Cart | |
| 2 | 141203 - Voltmeter Gauge | Add To Cart | |
| 3 | 182327 - Oil Indicator Light | Add To Cart | |
| 4 | 182328 - Temperature Indicator Light | Add To Cart | |
| 5 | 182325 - Battery Indicator Light | Add To Cart | |
| 6 | 182326 - Brake Indicator Light | Add To Cart | |
| 7 | 184179 - Rocker Switch | Add To Cart | |
| 8 | 183925 - Switch Push/Pull | Add To Cart | |
| 9 | 183827 - Switch Key Sealed - Kubota | Add To Cart | |
| - | 101106 - Kubota Double Notch Ignition Key | Add To Cart | |
| 10 | 183860 - Lever Switch | Add To Cart | |
| - | 720160 - Steering Switch Mount - right | Add To Cart | |
| 11 | 183860 - Lever Switch | Add To Cart | |
| - | 720161 - Steering Switch Mount - left | Add To Cart | |
| 12 | 182261 - LED Worklamp Flood | Add To Cart | |
| 13 | 182251 - Snap Mount Worklamp Bezel | Add To Cart | |
| 14 | 604888 - Regulator Inline Fuse Holder | Add To Cart | |
| - | 181475 - Auto ATC 40 Fuse | Add To Cart | |
| 15 | 183871 - Twist-in Seat Switch | Add To Cart | |
| 16 | 184266 - Relay 12V DC w/Diode | Add To Cart | |
| 17 | 181725 - Fuse Block | Add To Cart | |
| - | 162341 - Front Mount Fuse Decal | Call For Details | |
| - | 181726 - Fuse Block Cover | Add To Cart | |
| - | 184985 - Cable Seal | Call For Details | |
| - | 184986 - Cavity Plug | Call For Details | |
| - | 270821 - Hex Bolt | Add To Cart | |
| 18 | 181456 - 30 Amp Fuse | Add To Cart | |
| - | 181451 - 7.5 Amp Fuse | Add To Cart | |
| - | 181452 - 10 Amp Fuse | Add To Cart | |
| - | 181453 - 15 Amp Fuse | Add To Cart | |
| 19 | 141551 - Snap In Hour Meter | Add To Cart | |
| 20 | 183894 - Brake Interlock Switch | Add To Cart | |
| 21 | 180130 - 12 Volt Side Post Wet Battery | Call For Details | |
| - | 180131 - 12 Volt Side Post Dry Battery | Call For Details | |
| - | 243309 - Hex Bolt | Add To Cart | |
| 22 | 180313 - 14 inch Battery Cable - Red | Add To Cart | |
| - | 425215 - Alternator Terminal Red Boot | Add To Cart | |
| - | 425219 - Starter Terminal Boot | Add To Cart | |
| - | 425223 - Battery Terminal Boot | Add To Cart | |
| 23 | 180282 - 20 inch Battery Cable - Black | Add To Cart | |
| 24 | 184217 - D902 Switch Interlock Manual | Add To Cart | |
| 25 | 141224 - Temperature Sender | Add To Cart | |
| 26 | 423690 - PC Board Support Spacer | Add To Cart | |
| 27 | 101046 - Fuel Valve Solenoid | Add To Cart | |
| 28 | 388840 - Pigtail Cable Assembly | Add To Cart | |
| 29 | 184973 - 3-Way Male Connector | Call For Details | |
| 30 | 722747 - Mount Tilt Switch | Call For Details | |
| 31 | 144950 - Solenoid Hydraulic Valve | Add To Cart | |
| 32 | 183710 - Power Components Tilt | Add To Cart | |
| 33 | 183940 - Sealed Dome Switch | Add To Cart | |
| - | 183943 - Black Button Cup | Add To Cart | |
| - | 183954 - Momentary Toggle | Add To Cart | |
| 35 | 605890 - 725dt Wiring Assembly | Add To Cart |