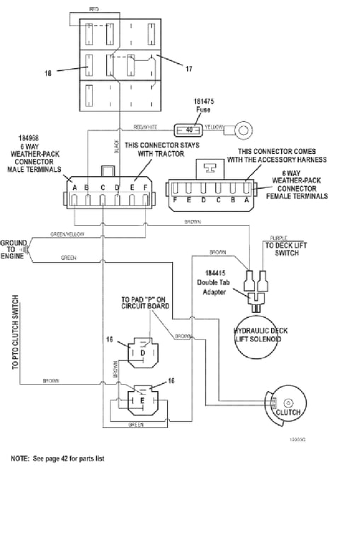
725DT6 Wiring Diagram (cont) Universal Wiring Harness - 2014
Click On a Part Number Below for Details
NOTE: If the part number you select is not linked to the shopping cart,call toll-free 866-698-4070 for availability.
| Item # | Part Number - Description | Price | |
|---|---|---|---|
| 16 | 184266 - 12V DC Relay w/Diode | Add To Cart | |
| 17 | 181722 - Fuse Block | Add To Cart | |
| - | 184458 - 1 Wire Fuse Clip | Add To Cart | |
| - | 184460 - 2 Wire Fuse Clip | Add To Cart | |
| - | 184472 - Double Clip Fuse Clip | Add To Cart | |
| 18 | 181470 - Auto ATC 30 Fuse | Add To Cart | |
| - | 181460 - Auto ATC 7.50 Fuse | Add To Cart | |
| - | 181462 - Auto ATC 10 Fuse | Add To Cart | |
| - | 181465 - Auto ATC 15 Fuse | Add To Cart |