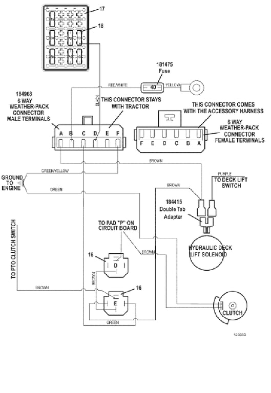
725DT6 Wiring Diagram (cont) Universal Wiring Harness - 2017
Click On a Part Number Below for Details
NOTE: If the part number you select is not linked to the shopping cart,call toll-free 866-698-4070 for availability.
| Item # | Part Number - Description | Price | |
|---|---|---|---|
| 16 | 184266 - 12V DC Relay w/Diode | Add To Cart | |
| 17 | 181725 - Fuse Block | Add To Cart | |
| - | 162341 - Front Mount Decal Fuse | Call For Details | |
| - | 181726 - Fuse Block Cover | Add To Cart | |
| - | 184985 - Cable Seal | Call For Details | |
| - | 184986 - Cavity Plug | Call For Details | |
| - | 270821 - Hex Bolt | Add To Cart | |
| 18 | 181456 - 30 Amp Fuse | Add To Cart | |
| - | 181451 - 7.50 Amp Fuse | Add To Cart | |
| - | 181452 - 10 Amp Fuse | Add To Cart | |
| - | 181453 - 15 Amp Fuse | Add To Cart |