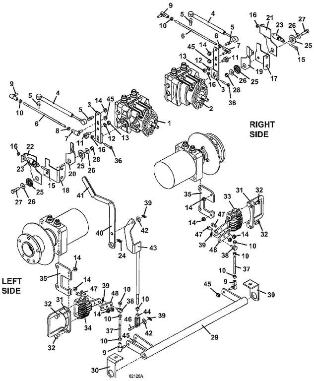
727K2 Drive Linkage Assembly  - 2004
Click On a Part Number Below for Details
NOTE: If the part number you select is not linked to the shopping cart, call toll-free 866-698-4070 for availability.
| Item # | Part Number - Description | Price | |
|---|---|---|---|
| 1 | 391462 - Hydro Pump- left | Add To Cart | |
| - | 125165 - Seal | Add To Cart | |
| - | 130020 - Charge Cover Square Seal Ring | Add To Cart | |
| 2 | 391463 - Hydro Pump- right | Add To Cart | |
| - | 125165 - Seal | Add To Cart | |
| - | 130020 - Charge Cover Square Seal Ring | Add To Cart | |
| 3 | 725338 - Pump Control Arm - right | Add To Cart | |
| 4 | 285031 - Damper | Add To Cart | |
| 5 | 265680 - Ball Stud | Add To Cart | |
| 6 | 780164 - Steering Linkage Pump Rod | Add To Cart | |
| 7 | 265616 - Ball Joint - Lefthand Thread | Add To Cart | |
| 8 | 254444 - Nut | Add To Cart | |
| 9 | 265615 - Ball Joint - Righthand Thread | Add To Cart | |
| 10 | 254441 - Nut .312-24 | Add To Cart | |
| 11 | 603726 - Eccentric Roller Assembly | Add To Cart | |
| 12 | 257410 - Washer | Add To Cart | |
| 13 | 254450 - Nut .375-16 | Add To Cart | |
| 14 | 253035 - Whiz Nut | Add To Cart | |
| 15 | 243035 - Hex Bolt .250-20 x 1.500 | Add To Cart | |
| 16 | 253025 - Whiz Nut .250-20 | Add To Cart | |
| 17 | 754120 - Neutral Return Mount - RT | Call For Details | |
| 18 | 754121 - Neutral Return Mount - LT | Add To Cart | |
| 19 | 729138 - Neutral Return Arm - M1 RT | Add To Cart | |
| 20 | 729139 - Neutral Return Arm - M1 LT | Add To Cart | |
| 21 | 729136 - Neutral Return Front Arm - RT | Add To Cart | |
| 22 | 729137 - Neutral Return Front Arm- LT | Add To Cart | |
| 23 | 283823 - Extension Spring | Add To Cart | |
| 24 | 260608 - Cotter Ring | Add To Cart | |
| 25 | 822304 - Neutral Return Pivot Bearing | Add To Cart | |
| 26 | 257040 - Washer | Add To Cart | |
| 27 | 243335 - Hex Bolt .375-16 x 1.25 | Add To Cart | |
| 28 | 253890 - Lock Nut .375-16 | Add To Cart | |
| 29 | 644539 - Linkage Rod | Add To Cart | |
| 30 | 732616 - Brake Pivot Mount - 1.281 | Add To Cart | |
| 31 | 644121 - Caliper Mount | Add To Cart | |
| 32 | 247130 - Carriage Bolt .312 x .75 | Add To Cart | |
| 33 | 481102 - Clockwise Caliper Brake Assembly | Add To Cart | |
| - | 603150 - Brake Pad Kit | Add To Cart | |
| 34 | 481103 - Counter-Clockwise Caliper Brake Assembly | Add To Cart | |
| - | 603150 - Brake Pad Kit | Add To Cart | |
| 35 | 776174 - Brake Mount - 7.75 Rotor | Add To Cart | |
| 36 | 253182 - Hex Whiz Bolt | Add To Cart | |
| 37 | 780158 - Brake Linkage Rod | Add To Cart | |
| 38 | 880926 - .312 Brake Linkage Pin | Add To Cart | |
| 39 | 260606 - Cotter Ring | Add To Cart | |
| 40 | 644035 - 700/900 Brake Lever | Call For Details | |
| 41 | 422150 - Handle Grip | Add To Cart | |
| 42 | 257030 - Washer | Add To Cart | |
| 43 | 644036 - Brake Linkage Arm | Add To Cart | |
| 44 | 265537 - Clevis Yoke | Add To Cart | |
| 45 | 253038 - Whiz Nut .312-24 | Add To Cart | |
| 46 | 261284 - Clevis Pin | Add To Cart | |
| 47 | 243195 - Hex bolt .312-18 x .750 | Add To Cart | |
| 48 | 782851 - 700 Series Brake Strap | Add To Cart |