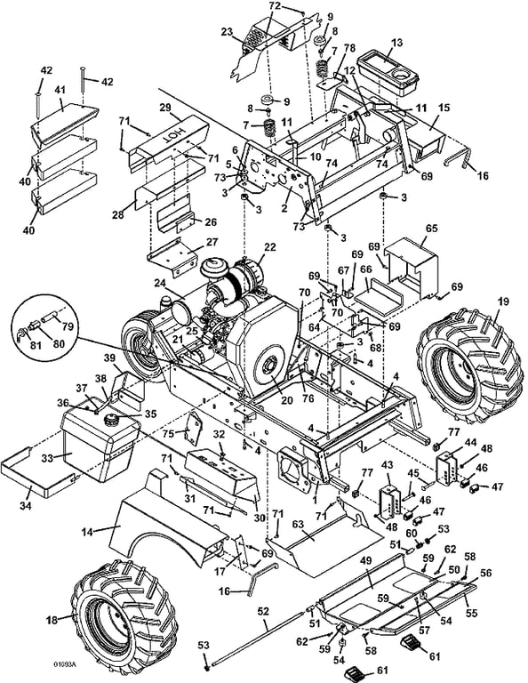
727K2 Tractor Assembly - 2004
Click On a Part Number Below for Details
NOTE: If the part number you select is not linked to the shopping cart, call toll-free 866-698-4070 for availability.
| Item # | Part Number - Description | Price | |
|---|---|---|---|
| 1 | 644234 - G2 Air Cooled Lower Frame, Front Portion | Call For Details | |
| 2 | 643871 - G2 Upper Frame | Call For Details | |
| 3 | 257037 - Step Bushing | Add To Cart | |
| 4 | 243220 - Hex Bolt | Add To Cart | |
| 5 | 774020 - Washer | Add To Cart | |
| 6 | 253450 - Nylon Insert Nut | Add To Cart | |
| 7 | 283516 - Compression Spring | Add To Cart | |
| 8 | 253203 - Flange Whiz Bolt | Add To Cart | |
| 9 | 422127 - Seat Spring Cap | Add To Cart | |
| 10 | 603821 - Throttle Assembly | Add To Cart | |
| - | 323655 - Control Cable Assembly | Add To Cart | |
| - | 722009 - Throttle Lever Stop | Add To Cart | |
| 11 | 422150 - Handle Grip | Add To Cart | |
| 12 | 902280 - Spacer | Add To Cart | |
| - | 243330 - Hex Bolt | Add To Cart | |
| - | 257040 - Washer | Add To Cart | |
| 13 | 422040 - Tool Box | Add To Cart | |
| 14 | 693210 - 700/900S right Fender w/Decal | Add To Cart | |
| - | 163198 - 722K Trim Decal -right | Call For Details | |
| 15 | 693211 - 700/900S right Fender w/Decal | Add To Cart | |
| - | 163199 - 72XG2 Trim Decal -left | Call For Details | |
| 16 | 822635 - Fender Edge Trim - 700/900 | Add To Cart | |
| 17 | 722062 - right Fender Cover Panel | Add To Cart | |
| 18 | 483942 - right Wheel & Bar Tread Tire, 22 x 11 x 10 | Add To Cart | |
| - | 482474 - Turf Tire, 20 x 10 x 10 | Add To Cart | |
| - | 482483 - Bar Tread Tire, 22 x 11 x 10 | Add To Cart | |
| - | 483420 - 5 Bolt Wheel, 10 x 8.5 | Add To Cart | |
| - | 483924 - Wheel Turf Tire, 20 x 10 x 10 | Add To Cart | |
| 19 | 483943 - left Wheel & Bar Tread Tire, 22 x 11 x 10 | Add To Cart | |
| - | 482474 - Turf Tire, 20 x 10 x 10 | Add To Cart | |
| - | 482483 - Bar Tread Tire, 22 x 11 x 10 | Add To Cart | |
| - | 483420 - 5 Bolt Wheel, 10 x 8.5 | Add To Cart | |
| - | 483924 - Wheel Turf Tire, 20 x 10 x 10 | Add To Cart | |
| 20 | 100188 - 27hp Kohler Air-Cooled Engine | Call For Details | |
| 21 | 100802 - Kohler Oil Filter | Add To Cart | |
| 22 | 100936 - HD Outer Air Filter | Add To Cart | |
| - | 100937 - HD Inner Air Filter | Call For Details | |
| 23 | 644291 - Coupler Shield | Call For Details | |
| 24 | 101217 - Kohler Muffler | Call For Details | |
| - | 101041 - Kohler Exhaust Gasket | Add To Cart | |
| 25 | 101001 - Kohler Fuel Filter | Call For Details | |
| 26 | 643117 - Shield Mount Bracket W/A | Add To Cart | |
| 27 | 729270 - Lower Muffler Bracket | Add To Cart | |
| 28 | 722309 - Inner Panel Shield | Add To Cart | |
| 29 | 722391 - Muffler Shield | Add To Cart | |
| 30 | 693100 - Console w/Decal for Air-Cooled Gas Engine | Call For Details | |
| 31 | 721152 - Fill Panel - 96 Console | Add To Cart | |
| 32 | 142233 - Mechanical Choke | Add To Cart | |
| 33 | 603813 - Fuel Tank Assembly with Draw Tube | Add To Cart | |
| 34 | 643144 - Fuel Tank Mounting Bracket | Add To Cart | |
| 35 | 141125 - Cap w/Fuel Level | Add To Cart | |
| 36 | 101819 - Fuel Draw Tube | Add To Cart | |
| 37 | 280260 - Spring Hose Clamp | Add To Cart | |
| 38 | 821710 - Fuel Hose | Add To Cart | |
| 39 | 721123 - right Fuel Tank Heat Shield | Add To Cart | |
| 40 | 323933 - 34 lb. Counterweight | Add To Cart | |
| 41 | 729514 - 34 lb. Weight Cover | Call For Details | |
| 42 | 247325 - Carriage Bolt | Add To Cart | |
| 43 | 643092 - QD 700/900 right Deck Mount | Add To Cart | |
| 44 | 643093 - QD 700/900 left Deck Mount | Add To Cart | |
| 45 | 247280 - Special Carriage Bolt | Add To Cart | |
| 46 | 282575 - Deck Mount Bushing | Add To Cart | |
| 47 | 282576 - Floating Deck Mount Bushing | Add To Cart | |
| 48 | 253460 - Nylon Insert Nut | Add To Cart | |
| 49 | 604346 - Adjustable Foot Platform Assembly - 700/900 | Add To Cart | |
| 50 | 420905 - Foot Rest Tread | Add To Cart | |
| 51 | 422615 - Nylon Bearing | Add To Cart | |
| 52 | 780673 - Foot Platform Pivot Rod - 700 | Call For Details | |
| 53 | 253470 - Nylon Insert Nut | Add To Cart | |
| 54 | 424052 - Rubber Bumper | Add To Cart | |
| 55 | 603301 - Foot Platform Extension - 700 | Add To Cart | |
| 56 | 420904 - Foot Rest Extension Tread | Add To Cart | |
| 57 | 247130 - Carriage Bolt | Add To Cart | |
| 58 | 253192 - Hex Flange Whiz Bolt | Add To Cart | |
| 59 | 253035 - Whiz Nut | Add To Cart | |
| 60 | 283312 - Compression Spring | Add To Cart | |
| 61 | 424100 - Footrest Isolator Block | Add To Cart | |
| 62 | 243026 - Hex Bolt | Add To Cart | |
| 63 | 721383 - Trash Shield - G2 | Add To Cart | |
| 64 | 644099 - G2 AC W/A Battery Box | Call For Details | |
| 65 | 644162 - G2 AC W/A Battery Cover | Add To Cart | |
| 66 | 427273 - Battery Tray Pad | Add To Cart | |
| 67 | 729001 - Battery Clamp | Add To Cart | |
| 68 | 257020 - Washer | Add To Cart | |
| 69 | 253174 - Hex Flange Whiz Bolt | Add To Cart | |
| 70 | 253025 - Whiz Nut | Add To Cart | |
| 71 | 253173 - Hex Whiz Bolt | Add To Cart | |
| 72 | 253176 - Truss Whiz Bolt | Add To Cart | |
| 73 | 254431 - Speed Nut | Add To Cart | |
| 74 | 424015 - Rubber Bumper | Add To Cart | |
| 75 | 726131 - ROPS Gusset - right | Call For Details | |
| 76 | 726132 - ROPS Gusset - left | Call For Details | |
| 77 | 422065 - 1 inch Square Plastic Plug | Add To Cart | |
| 78 | 729230 - Brake Pin Reinforcement | Call For Details | |
| 79 | 364518 - Nipple | Add To Cart | |
| 80 | 143610 - Oil Drain valve | Add To Cart | |
| 81 | 363855 - Nylon Fitting | Add To Cart | |
| 82 | 604226 - Decal Set - 727K2 with Side Console | Call For Details |