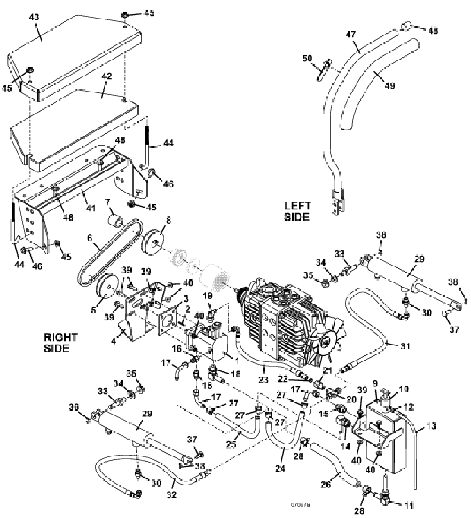
729BT6 Optional Hydraulic Lift Assembly  - 2013
Click On a Part Number Below for Details
NOTE: If the part number you select is not linked to the shopping cart,call toll-free 866-698-4070 for availability.
| Item # | Part Number - Description | Price | |
|---|---|---|---|
| 1 | 290074 - Counterclockwise Hydraulic Pump with Solenoid Valve | Add To Cart | |
| - | 125166 - Seal | Add To Cart | |
| - | 144950 - Hydraulic Solenoid Valve | Add To Cart | |
| 2 | 281540 - Square Key | Add To Cart | |
| 3 | 775049 - Hydraulic Pump Spacer | Call For Details | |
| 4 | 725504 - Hydraulic Pump Mount 700T | Add To Cart | |
| 5 | 831436 - Sheave | Add To Cart | |
| 6 | 381886 - Belt | Add To Cart | |
| 7 | 902588 - Spacer | Add To Cart | |
| 8 | 831444 - Sheave | Add To Cart | |
| - | 281580 - Square Key | Add To Cart | |
| 9 | 644845 - Auxiliary Oil Tank | Call For Details | |
| 10 | 100728 - M1 Oil Reservoir Dipstick | Add To Cart | |
| 11 | 603330 - Fitting with Strainer | Call For Details | |
| 12 | 363826 - Straight Barbed Fitting | Add To Cart | |
| 13 | 821724 - Clear Vent Hose | Add To Cart | |
| 14 | 360062 - Adapter | Call For Details | |
| 15 | 360080 - Adapter Fitting O-Ring Flare | Add To Cart | |
| 16 | 360053 - Adapter | Add To Cart | |
| 17 | 363846 - Fitting | Add To Cart | |
| 18 | 360082 - Adapter | Call For Details | |
| 19 | 360048 - O-Ring Adapter | Call For Details | |
| 20 | 360005 - Swiveltee Adapter | Add To Cart | |
| 21 | 360045 - O-Ring Adapter | Add To Cart | |
| 22 | 780507 - Flow Restrictor | Add To Cart | |
| 23 | 424301 - Hose Assembly | Call For Details | |
| 24 | 821783 - Hydraulic Hose | Add To Cart | |
| 25 | 821776 - Hydraulic Hose | Add To Cart | |
| 26 | 821797 - Hydraulic Hose | Add To Cart | |
| 27 | 280264 - Spring Hose Clamp | Add To Cart | |
| 28 | 280266 - Spring Hose Clamp | Add To Cart | |
| 29 | 290021 - Hydraulic Cylinder | Add To Cart | |
| - | 290096 - Hydraulic Lift Cylinder Head Seal Kit | Add To Cart | |
| 30 | 360052 - O-Ring Adapter | Add To Cart | |
| 31 | 424310 - Hose Assembly | Add To Cart | |
| 32 | 424550 - Hose Assembly | Call For Details | |
| 33 | 887119 - Cylinder Mount Pin with Groove | Add To Cart | |
| 34 | 257062 - Washer | Add To Cart | |
| 35 | 253066 - Whiz Nut | Add To Cart | |
| 36 | 263500 - External Retainer | Add To Cart | |
| 37 | 261339 - Clevis Pin | Add To Cart | |
| 38 | 260648 - Cotter Pin | Add To Cart | |
| 39 | 253193 - Hex Flange Whiz Bolt | Add To Cart | |
| 40 | 253035 - Whiz Nut | Add To Cart | |
| 41 | 644915 - Weight Mount | Add To Cart | |
| 42 | 323951 - 750 Counterweight | Add To Cart | |
| 43 | 729691 - 50 lb. Weight Cover | Add To Cart | |
| 44 | 240151 - Hook Bolt | Add To Cart | |
| 45 | 253043 - Whiz Nut | Add To Cart | |
| 46 | 253203 - Flange Whiz Bolt | Add To Cart | |
| 47 | 604779 - Wide Std. Steering Lever Assembly with Switch | Add To Cart | |
| 48 | 422095 - .75 inch ID Vinyl Cap | Call For Details | |
| 49 | 422179 - Handle Grip | Call For Details | |
| 50 | 604799 - Hydraulic Lift Switch/Mount Assembly | Add To Cart | |
| - | 183943 - Black Button Cap | Add To Cart |