729BT6 Traction Kit  - 2013
Click On a Part Number Below for Details
NOTE: If the part number you select is not linked to the shopping cart,call toll-free 866-698-4070 for availability.
| Item # | Part Number - Description | Price | |
|---|---|---|---|
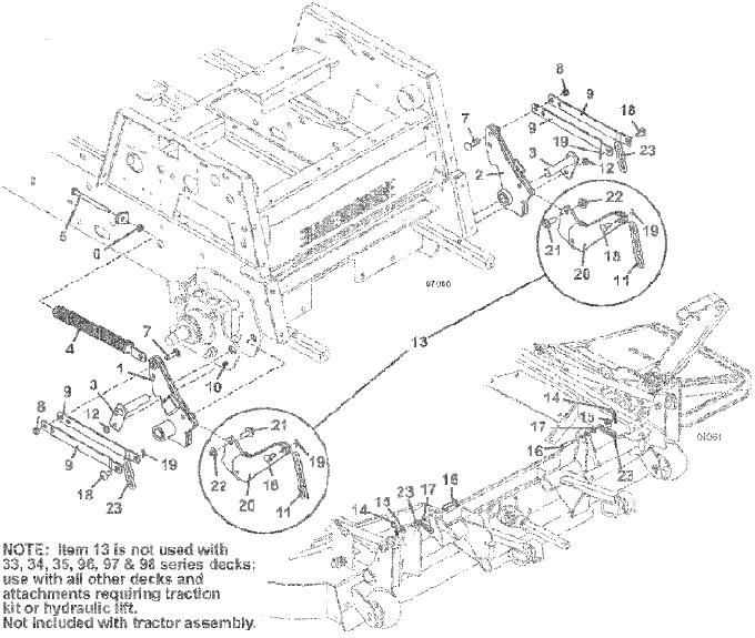
| 1 | 603699 - H2 Right Rocker (without Extension) | Call For Details | |
| - | 121764 - Oilite Bearing | Add To Cart | |
| 2 | 603700 - H2 Left Rocker (without Extension) | Call For Details | |
| - | 121764 - Oilite Bearing | Add To Cart | |
| 3 | 644635 - Traction Kit Pin | Add To Cart | |
| 4 | 604803 - Spring and Plug Nut Assembly - Offset | Add To Cart | |
| 5 | 243395 - Hex Bolt | Add To Cart | |
| 6 | 254450 - Nut | Add To Cart | |
| 7 | 247254 - Carriage Bolt | Add To Cart | |
| 8 | 253890 - Lock Nut | Add To Cart | |
| 9 | 732410 - 600 w/SL Deck Lift Strap | Add To Cart | |
| 10 | 253192 - Hex Flange Whiz Bolt | Add To Cart | |
| 11 | 820320 - Lift Chain - 5 Links | Add To Cart | |
| 12 | 253035 - Whiz Nut | Add To Cart | |
| 13 | 604708 - Rocker Extension Kit - 700/900 | Add To Cart | |
| 14 | 260523 - Hair Pin | Add To Cart | |
| 15 | 257040 - Washer | Add To Cart | |
| 16 | 261362 - Clevis Pin | Add To Cart | |
| 17 | 262950 - Push-On Retainer | Add To Cart | |
| 18 | 261339 - Clevis Pin | Add To Cart | |
| 19 | 260648 - Cotter Pin | Add To Cart | |
| 20 | 644706 - Rocker Arm Extension | Add To Cart | |
| 21 | 253203 - Flange Whiz Bolt | Add To Cart | |
| 22 | 253043 - Whiz Nut | Add To Cart | |
| 23 | 820317 - Lift Chain - 3 Links | Add To Cart |